Curiosii for ever!: Car repair manuals for everyone.

With Air Conditioning






DESCRIPTION AND OPERATION

Manual A/C Heater Control Functions:






The manual A/C-heater control includes a function control lever for Off, Max-A/C, Norm-A/C, Vent, Floor, Defog (Mix), Defrost that determines the manner in which the system will operate, a temperature control lever for manually setting the desired comfort temperature and a blower switch to control the volume of air movement. Each position of the function control lever and blower switch is detented for positive engagement. The blower switch provides four manually selected blower speeds and may be operated in any position to select the desired amount of airflow.

Temperature Control
Temperature control of the manual A/C heater system is determined by the position of the temperature control lever (between COOL and WARM) of the control assembly and is accomplished by means of a control cable between the control assembly and the temperature blend door. System airflow is manually controlled by the control assembly. A vacuum selector valve, controlled by the function control lever, distributes vacuum to the various door vacuum motors which in turn direct the airflow through the system.

The system utilizes what is called a reheat method to provide conditioned air to the vehicle interior. With this method, all airflow from the blower passes through the evaporator core, where it is cooled and dehumidified.

Temperature is then regulated by reheating a portion of the cooled dry air and blending it with the remaining cool air to the desired temperature. Temperature blending is varied by the temperature blend door which controls the amount of cooled air that flows through or around the heater core, where it is mixed and directed into the distribution plenum. The air is finally directed to the heater ducts, the defroster nozzles, or the instrument panel registers according to the selected function lever position.

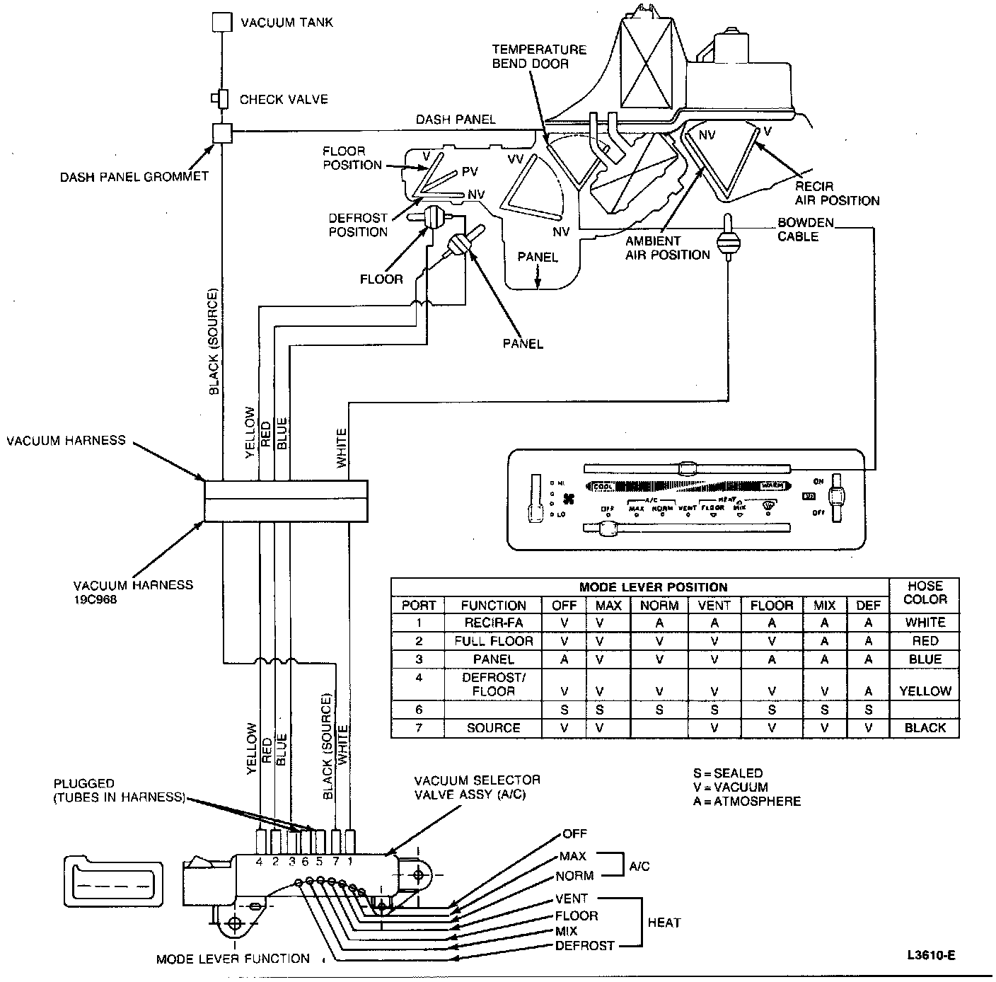
A/C-Heater System Airflow Schematic And Vacuum Control Chart:






A/C-Heater System Vacuum Diagram And Selector Test:






A/C-Heater System Electrical Wiring Diagram And Continuity Test:






System Airflow
These images contain system vacuum schematics and vacuum motor charts which illustrate vacuum routings and airflow during the various system conditions.

OFF
In OFF position the outside-recirculate air door is in the recirculating air position. The panel door is in the no vacuum position, and the floor-defrost door is in the FLOOR (full vacuum) position. The blower is off and the temperature blend door maintains a position depending on the temperature control lever position.

MAX-A/C Recirculate
With the function lever in the Max-A/C position, the outside-recirculate air door is closed to outside air (vacuum) and the passenger compartment air is recirculated through the system. The panel door is in the panel position (vacuum) and the air is distributed out of the instrument panel registers. The floor-defrost door is also applied with vacuum, directing a small amount of air to the floor area. The recirculating air can be heated to a higher desired temperature by moving the temperature lever toward WARM.

NORM-A/C Outside Air
When the function lever is in the NORM-A/C position, the outside-recirculate air door is opened to admit outside air into the system (no vacuum). All other doors are positioned the same as in the MAX-A/C position with the temperature controlled in the same manner.

VENT
In VENT position, outside air is directed through the instrument panel registers with manual control of the discharge air temperatures in the same manner as MAX- A/C and NORM-A/C, however, refrigerated cooling is not available. VENT, and FLOOR positions provide the most economical operations because the compressor does not operate.

FLOOR HEAT
With function lever in the FLOOR HEAT position, airflow is directed to floor outlets with a slight amount directed in the windshield through defroster outlets.

MIX
When function lever is in the MIX position, panel door is in DEFROST position (no vacuum) and the floor-defrost door is in the mid-position (partial vacuum) so that incoming air is divided between defroster nozzles and floor heat outlets. The A/C clutch operates in this position to dehumidify the air.

DEFROST
When the function lever is in the DEFROST position, the panel-door and the floor-defrost door are in the full defrost (no vacuum) positions so that all incoming air is directed to the defroster nozzles with a slight bleed to the floor. Maximum heat is obtained by moving the temperature lever to the highest temperature (WARM) position. The A/C clutch also operates in this position to dehumidify the air and reduce windshield fogging.