Curiosii for ever!
: Car repair manuals for everyone.
Home
>>
Mercury
>>
1986
>>
Topaz L4-140 2.3L HSC
>>
Repair and Diagnosis
>>
Powertrain Management
>>
Computers and Control Systems
>>
EGR Valve Position Sensor
>>
Locations
>>
Component Locations
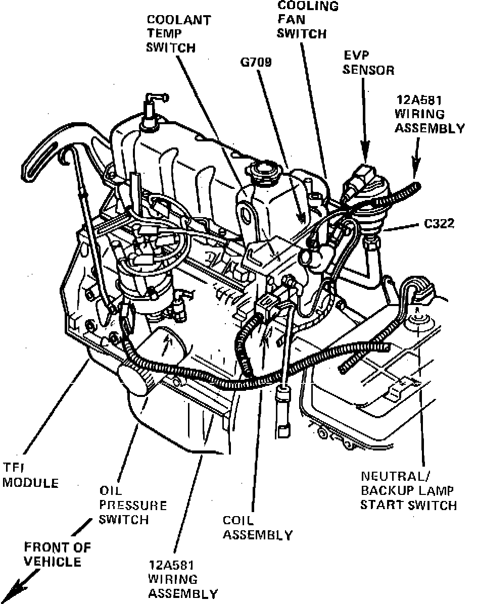
Component Locations
Front View Of 4-140/2.:
On EGR Valve, At RH Rear Of Engine
Applicable to: 3L Engine W/Automatic Transaxle