Curiosii for ever!
: Car repair manuals for everyone.
Home
>>
Mercury
>>
1986
>>
Topaz L4-140 2.3L HSC
>>
Repair and Diagnosis
>>
Diagrams
>>
Electrical Diagrams
>>
Cooling System
>>
Radiator Cooling Fan Control Module
>>
With A/C
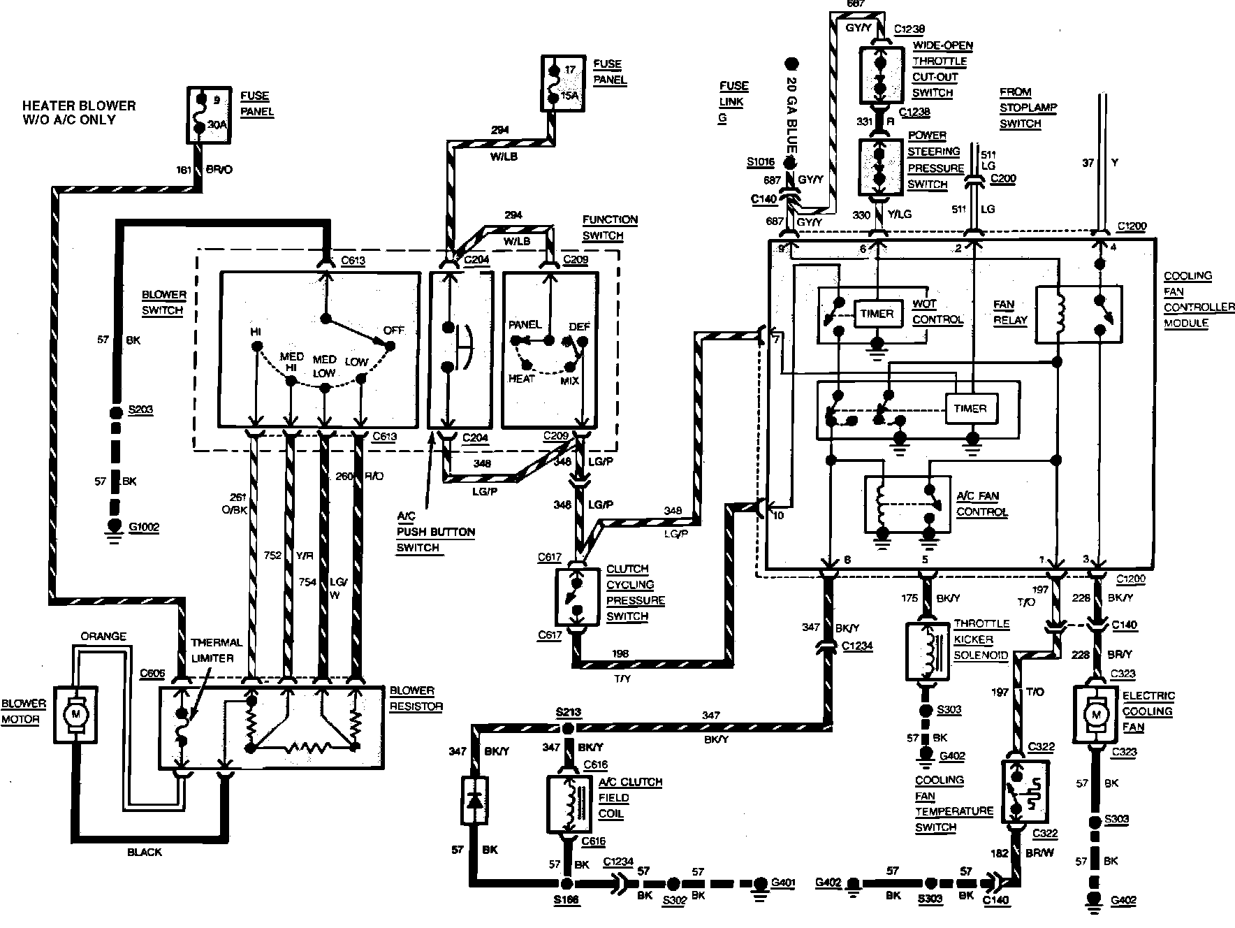
With A/C
Fig. 3 Air Conditioning, Heater & Engine Cooling Fan Wiring Circuit. Tempo & Topaz W/Gasoline Engine: