Curiosii for ever!
: Car repair manuals for everyone.
Home
>>
Mercury
>>
1986
>>
Sable L4-153 2.5L HSC
>>
Repair and Diagnosis
>>
Brakes and Traction Control
>>
Hydraulic System
>>
Brake Fluid Pressure Sensor/Switch
>>
Locations
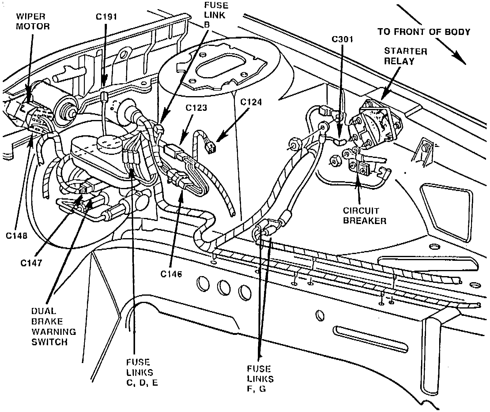
Brake Fluid Pressure Sensor/Switch: Locations
LH Engine Wiring.:
LH Fender Apron
Applicable to: 1986 Models w/3.0L Engine