Curiosii for ever!: Car repair manuals for everyone.

Heater Core: Service and Repair


Less Air Conditioning


Fig. 6 Typical instrument panel. 1983-88 Cougar & Thunderbird:




Fig. 7 Heater core less A/C. 1982 Cougar XR-7, 1982-88 Thunderbird, 1983-88 Cougar & 1983-86 LTD & Marquis:





REMOVE THE INSTRUMENT PANEL ASSEMBLY:

1. Disconnect battery ground cable.
2. Remove steering column cover, then the instrument panel reinforcement under steering column opening.
3. Remove 2 nuts securing hood latch release handle mounting bracket to brake pedal support under steering column.
4. Remove sound insulator from lower left side of instrument panel, Fig. 6.
5. Remove 2 steering column clamp attaching nuts and lower steering column to rest on front seat.
6. Remove instrument panel pad attaching screws and the pad.
7. Disconnect speedometer cable from speedometer.
8. Remove console cover or tray.
9. Remove 4 console switch panel cover attaching screws, then disconnect electrical connectors and remove switch panel.
10. Remove console attaching screws, then disengage console from instrument panel and position aside.
11. Remove 2 pins attaching glove compartment door straps to glove compartment and allow door to hang down on hinge.
12. Remove instrument panel brace attaching bolt from glove compartment opening.
13. Remove brake pedal support attaching nut from lower edge of instrument panel.
14. Remove instrument panel brace attaching bolt from lower edge of instrument panel on left side of console extension.
15. Remove instrument panel-to-cowl side panel attaching bolt from both sides of instrument panel.
16. Support instrument panel and remove 3 instrument panel-to-cowl top panel attaching screws.
17. Move instrument panel rearward, disconnect necessary electrical connectors and vacuum hoses, and rest panel on front seat.

REMOVE THE HEATER CASE:

18. Drain cooling system, then disconnect hoses from heater core. Cover hoses and heater core tubes to prevent leakage.
19. Remove 2 nuts securing heater case to dash panel from engine compartment.
20. Working in passenger compartment, remove screws attaching heater case support bracket and air inlet duct support bracket to cowl top panel.
21. Remove nut retaining bracket at left end of heater case to dash panel and nut securing bracket below case to dash panel.
22. Pull heater case away from dash panel to gain access to heater core access cover attaching screws.

DISASSEMBLE THE HEATER CASE:

23. Remove heater core access cover attaching screws and the cover.
24. Remove heater core and seals from heater case, Fig. 7.
25. Remove the 2 seals from heater core tubes.
26. Reverse procedure to install.



With Air Conditioning


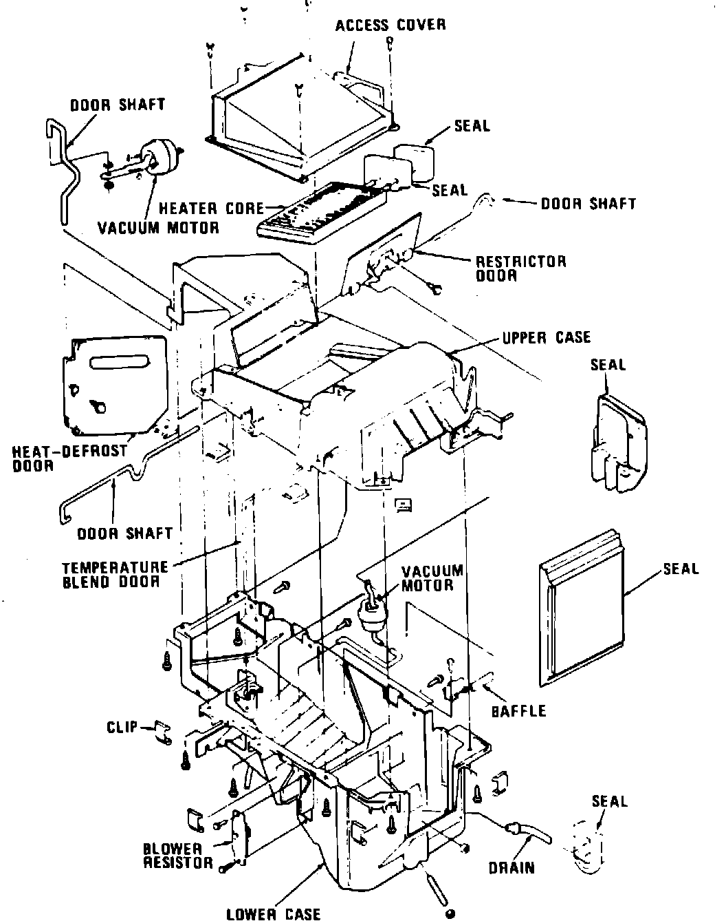
Fig. 8 Heater core with A/C. 1982 Cougar XR-7, 1982 Granada, 1982-83 Fairmont & Zephyr, 1982-88 Thunderbird, 1983-88 Cougar & 1983-86 LTD & Marquis:





REMOVE THE INSTRUMENT PANEL:

1. Perform steps 1 through 17 as described under ``Heater Core, Replace, Less Air Conditioning.''

REMOVE THE HEATER CASE:

2. Discharge refrigerant from A/C system at the service valve on suction line. When system is fully discharged, disconnect and cap high and low pressure lines.
3. Drain cooling system, then disconnect hoses from heater core. Cover hoses and heater core tubes to prevent leakage.
4. Remove screw securing air inlet duct and blower housing assembly support brace to cowl top panel.
5. Disconnect black vacuum supply hose from in-line check valve in engine compartment.
6. Disconnect blower motor electrical connectors from harness.
7. Remove 2 evaporator case-to-dash panel attaching nuts from engine compartment.
8. Working in passenger compartment, remove evaporator case support bracket-to-cowl top panel attaching screw.
9. Remove nut securing bracket below evaporator case to dash panel.
10. Carefully remove evaporator case assembly from vehicle.

DISASSEMBLE THE HEATER CASE:

11. Remove 5 heater core access cover attaching screws and the cover.
12. Remove heater core and seals from evaporator case, Fig. 8.
13. Remove the 2 seals from heater core tubes.
14. Reverse procedure to install.