Curiosii for ever!
: Car repair manuals for everyone.
Home
>>
Mercury
>>
1984
>>
Topaz L4-140 2.3L HSC
>>
Repair and Diagnosis
>>
Diagrams
>>
Electrical Diagrams
>>
Cooling System
>>
Radiator Cooling Fan Control Module
>>
With A/C
With A/C
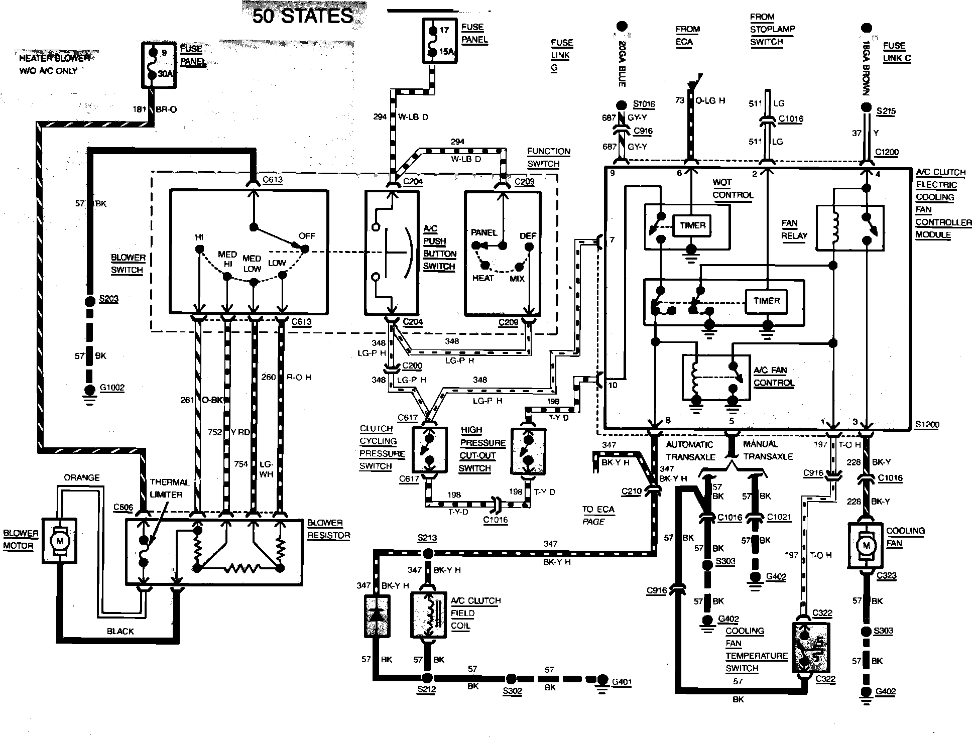
Fig. 3 Air Conditioning, Cooling Fan & Heater Wiring Circuit. 1984 Tempo & Topaz: