Curiosii for ever!: Car repair manuals for everyone.

Engine - Detonation


84ford16

Article No. 84-6-18


DETONATION - OIL COLLECTING ON RIBS OF VANE - AIR OUTLET TUBE 2.3 EFI TURBO, EXCEPT SVO


FORD 1983-1/2-84 MUSTANG, T-BIRD

LINCOLN-MERCURY 1983-1/2-84 CAPRI, COUGAR

If a vehicle exhibits detonation or if oil is found in the ribs of the Vane Air outlet tube, the condition may be caused by the PCV system drawing oil out of the valve cover into the Air Intake system. In order to service this condition an oil separator, a new closure tube and connecting hose are required.

Installation Procedure

1. Warm up vehicle to normal operating temperature.
2. Remove the closure tube, hose and discard.
3. Remove nipple from closure hole in the rocker cover. (Use twisting action before pulling out nipple).

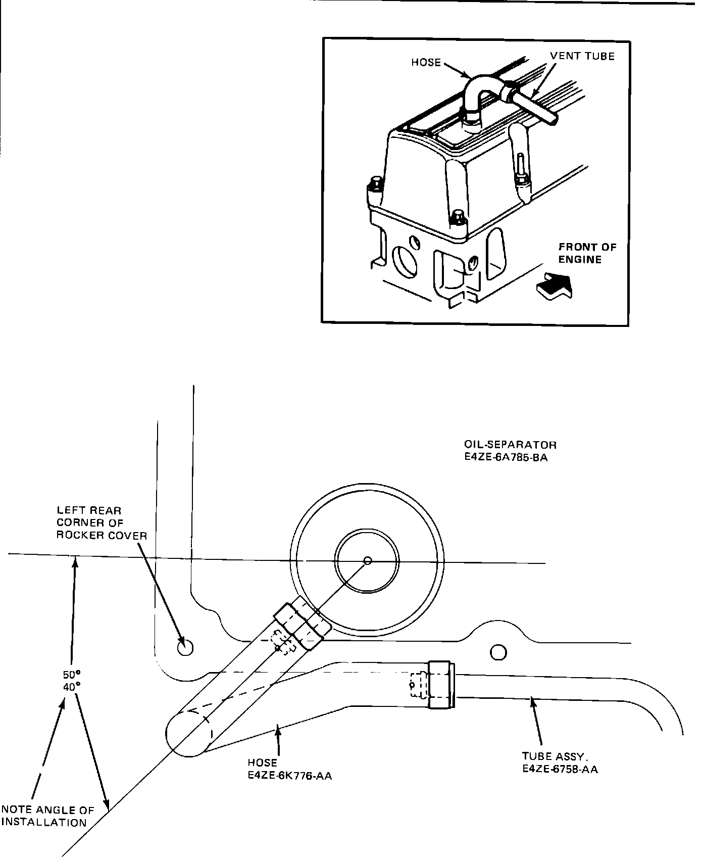
FIGURE 13:





4. Install oil separator (E4ZZ-6A785-A) in closure hole of rocker arm cover, by coating inlet nipple of oilseparator with Loc-Tite 401 (E0AZ-19554-B) or equivalent and tapping lightly with rubber mallet or nylon hammer (Figure 13).
5. Install closure tube (E4ZZ-67 58-C) and hose (E4ZZ- 6A664-B). (Figure 13).

PART NUMBER PART NAME CLASS

E4ZZ-6A785-A Oil Separator C
E4ZZ-6758-C PCV Closure Tube C
E4ZZ-6A664-B Closure Hose C
E0AZ-19554-B Loc-Tite BM


OTHER APPLICABLE ARTICLES: None
WARRANTY STATUS: Reimbursable within the provisions of the Warranty and Policy Manual.
OPERATION: SP6758A84
TIME: 0.3 Hr.
DLR. CODING: Basic Part No. Code: