Curiosii for ever!: Car repair manuals for everyone.

Cruise Control Switch

Fig. 1 Speed control wiring schematic (typical). 1982---83 Fairmont & Zephyr, 1982---87 Mustang & Capri; 1982 Granada; 1982---83 Cougar; 1983---86 LTD & Marquis:



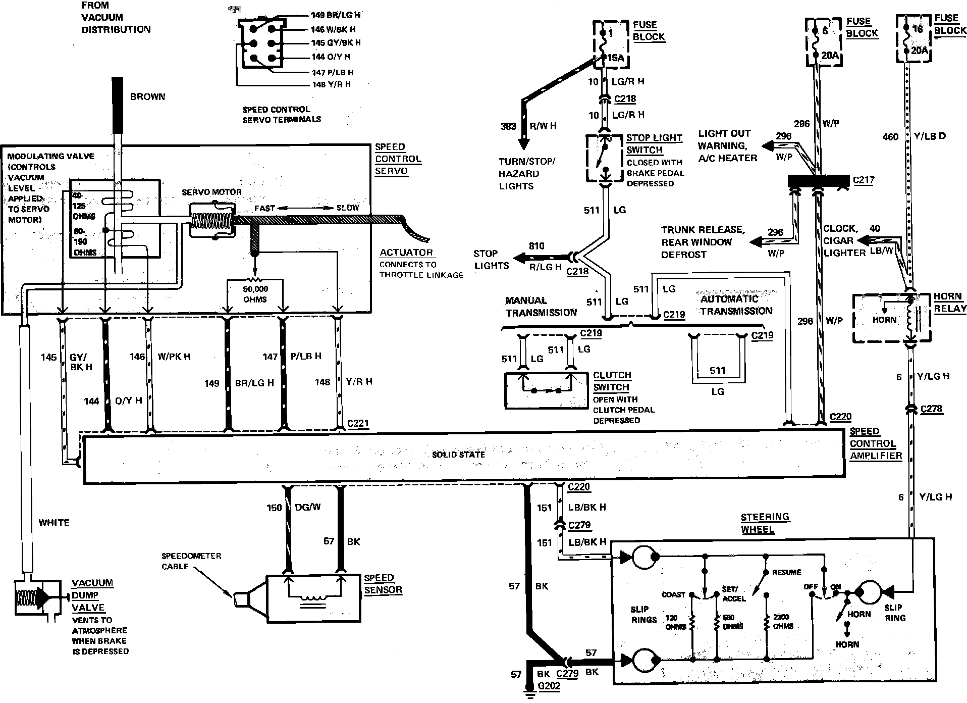
Fig. 4 Speed control wiring schematic (typical). 1982---85 Ford & Mercury, 1982---83 Continental Mark VI & 1982---87 Lincoln Town Car:



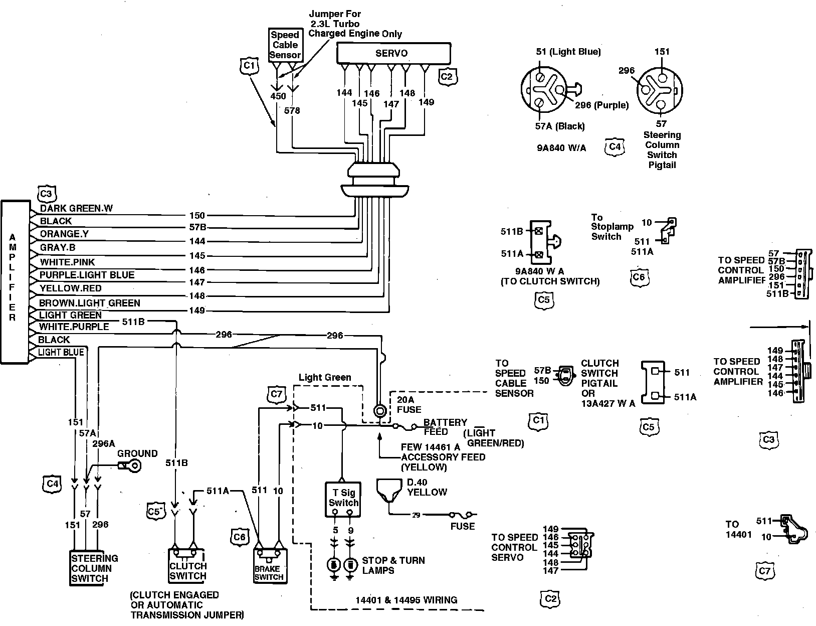
Fig. 71 Speed control wiring circuit. 1984 Capri & Mustang: