Curiosii for ever!
: Car repair manuals for everyone.
Home
>>
Mercury
>>
1983
>>
Capri L4-140 2.3L SOHC
>>
Repair and Diagnosis
>>
Diagrams
>>
Electrical Diagrams
>>
Cooling System
>>
Radiator Cooling Fan Control Module
Radiator Cooling Fan Control Module
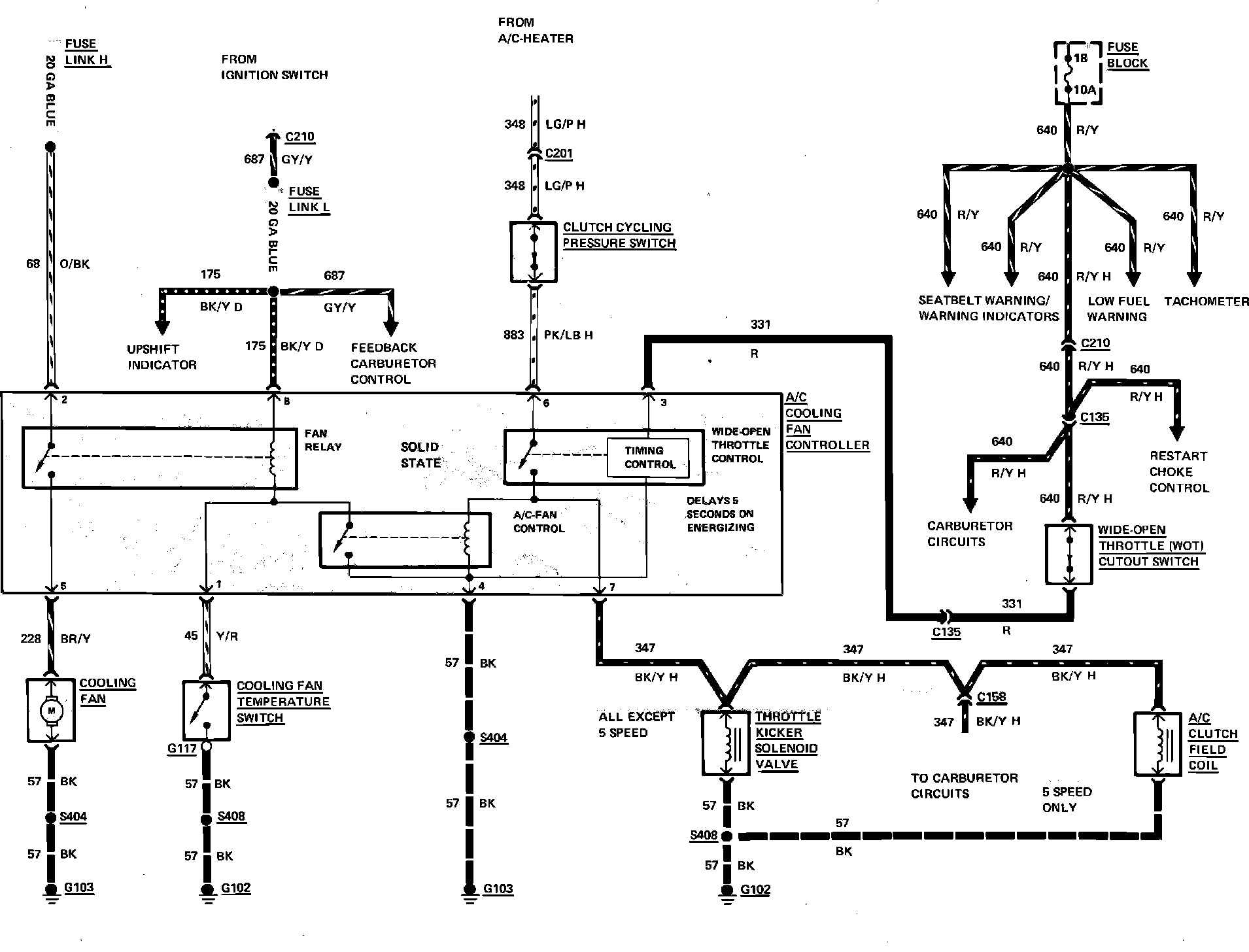
Fig. 6 Air conditioning compressor clutch & cooling fan wiring circuit. 1983 Capri & Mustang with 4 cyl engine less turbocharger: