Curiosii for ever!
: Car repair manuals for everyone.
Home
>>
Mercury
>>
1982
>>
LN7 L4-098 1.6L VIN 2 2-bbl
>>
Repair and Diagnosis
>>
Powertrain Management
>>
Emission Control Systems
>>
Locations
>>
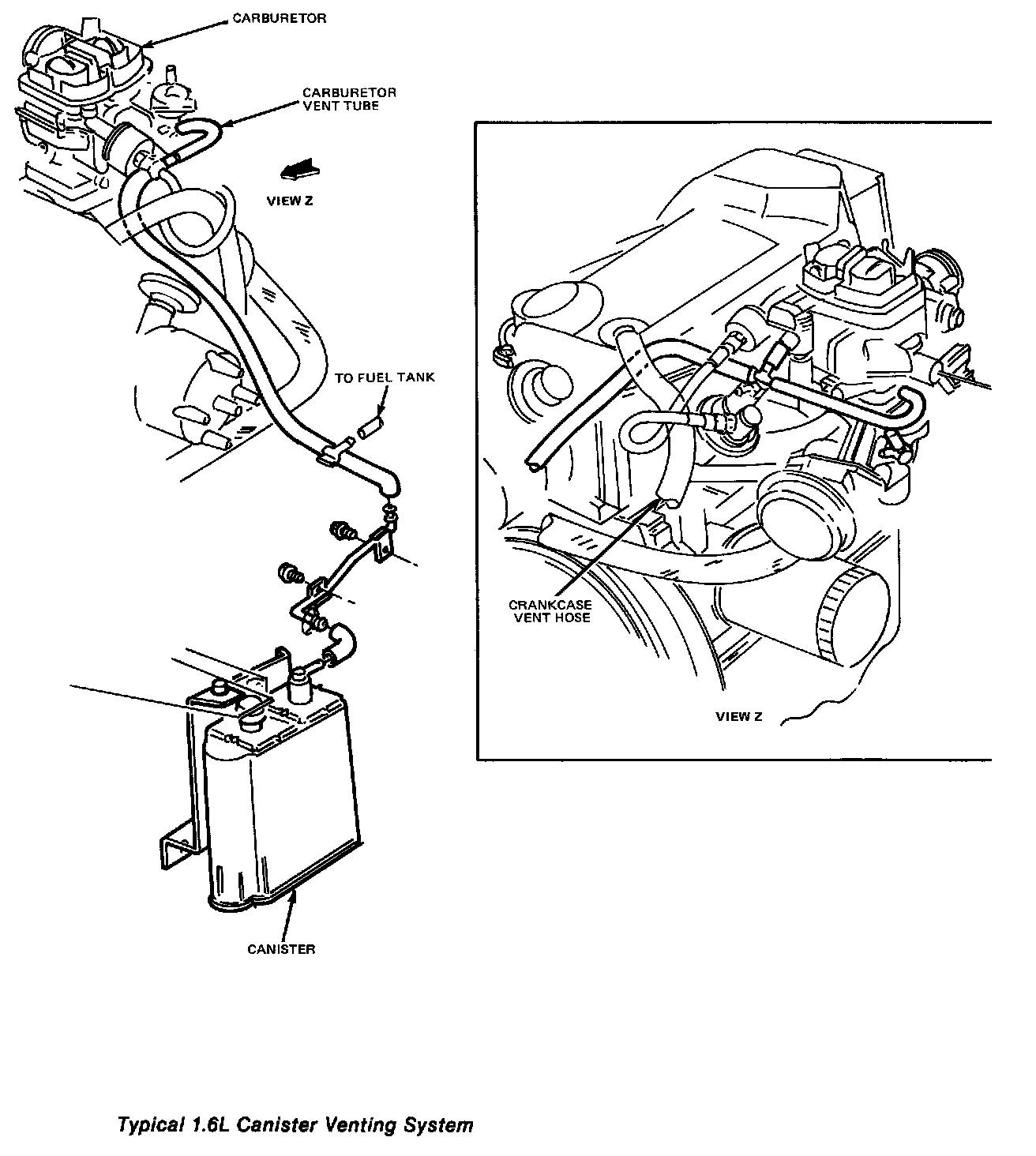
Evaporative Control System Components
Evaporative Control System Components
1982
1983
1.6 L