Curiosii for ever!: Car repair manuals for everyone.

Steps 1-23




Communications Network

Pinpoint Tests

Pinpoint Test T: No High Speed Controller Area Network (HS-CAN) Communication, All Modules Are Not Responding

Refer to Wiring Diagram Set 14 (Escape/Mariner, Escape Hybrid/Mariner Hybrid), Module Communications Network for schematic and connector information. Diagrams By Number

Refer to Wiring Diagram Set 23 (Escape/Mariner, Escape Hybrid/Mariner Hybrid), Electronic Engine Controls - 2.5L for schematic and connector information. Diagrams By Number

Normal Operation

The High Speed Controller Area Network (HS-CAN) uses an unshielded twisted pair cable.

This pinpoint test is intended to diagnose the following:

- Fuse
- Wiring, terminals or connectors
- 4X4 control module (if equipped)
- ABS module
- Air Conditioning Compressor Module (ACCM) (hybrid)
- Accessory Protocol Interface Module (APIM) (if equipped)
- Instrument Cluster (IC)
- Occupant Classification System Module (OCSM)
- PCM
- Parking Aid Module (PAM) (if equipped)
- Power Steering Control Module (PSCM)
- Restraints Control Module (RCM)
- Battery Control Module - High Voltage Traction Battery (BCM-HVTB) (hybrid)
- Transmission Control Module (TCM) (hybrid)


PINPOINT TEST T: NO HS-CAN COMMUNICATION, ALL MODULES ARE NOT RESPONDING

NOTICE: Use the correct probe adapter(s) when making measurements. Failure to use the correct probe adapter(s) may damage the connector.

NOTE: Most faults are due to connector and/or wiring concerns. Carry out a thorough inspection and verification before proceeding with the pinpoint test. Inspection and Verification

NOTE: Failure to disconnect the battery when instructed will result in false resistance readings. Refer to Battery, Mounting and Cables Battery Disconnect.

-------------------------------------------------
T1 CHECK THE DLC PINS FOR DAMAGE

- Ignition OFF.
- Inspect Data Link Connector (DLC) pins 6 and 14 for damage.





- Are DLC pins 6 and 14 OK?

Yes
GO to T2.

No
REPAIR the DLC as necessary. CLEAR the DTCs. REPEAT the network test with the scan tool.

-------------------------------------------------
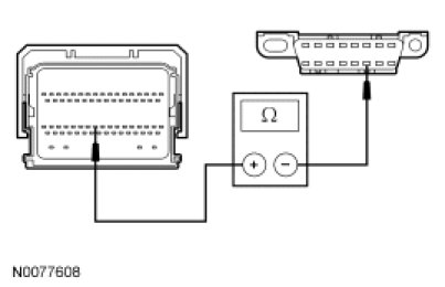
T2 CHECK THE HS-CAN TERMINATION RESISTANCE

- Disconnect: Negative Battery Cable.
- Measure the resistance between the DLC C251-6, circuit VDB04 (WH/BU), harness side and the DLC C251-14, circuit VDB05 (WH), harness side.





- Is the resistance between 54 and 66 ohms?

Yes
GO to T3.

No
GO to T5.

-------------------------------------------------
T3 CHECK THE HS-CAN (+) AND HS-CAN (-) CIRCUITS FOR A SHORT TO GROUND

- Measure the resistance between the DLC C251-6, circuit VDB04 (WH/BU), harness side and ground; and between the DLC C251-14, circuit VDB05 (WH), harness side and ground.





- Are the resistances greater than 1,000 ohms?

Yes
CONNECT the negative battery cable. GO to T4.

No
GO to T23.

-------------------------------------------------
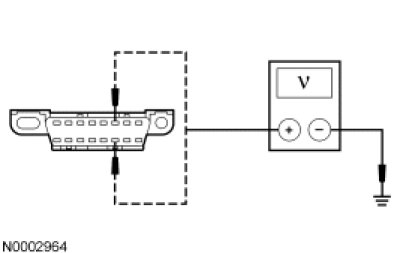
T4 CHECK THE HS-CAN (+) AND HS-CAN (-) CIRCUITS FOR A SHORT TO VOLTAGE

- Ignition ON.
- Measure the voltage between the DLC C251-6, circuit VDB04 (WH/BU), harness side and ground; and between the DLC C251-14, circuit VDB05 (WH), harness side and ground.





- Is the voltage greater than 6 volts?

Yes
REPAIR the circuit. CLEAR the DTCs. REPEAT the network test with the scan tool.

No
The HS-CAN has tested within specifications. GO to Pinpoint Test S to test for an intermittent network fault condition. Pinpoint Test S: Intermittent No High Speed Controller Area Network (HS-CAN) Communication, Communication Can Be Intermittently

-------------------------------------------------
T5 CHECK THE HS-CAN TERMINATION RESISTOR

- Measure the resistance between the DLC C251-6, circuit VDB04 (WH/BU), harness side and the DLC C251-14, circuit VDB05 (WH), harness side.





- Is the resistance between 108 and 132 ohms?

Yes
GO to T6.

No
GO to T9.

-------------------------------------------------
T6 CHECK THE HS-CAN TERMINATION RESISTOR WITH THE PCM DISCONNECTED

- Disconnect: PCM C175b.
- Measure the resistance between the DLC C251-6, circuit VDB04 (WH/BU), harness side and the DLC C251-14, circuit VDB05 (WH), harness side.





- Is the resistance between 108 and 132 ohms?

Yes
GO to T7.

No
GO to T8.

-------------------------------------------------
T7 CHECK THE HS-CAN CIRCUITS BETWEEN THE PCM AND THE DLC FOR AN OPEN

- Measure the resistance between the PCM C175b-59, circuit VDB04 (WH/BU), harness side and the DLC C251-6, circuit VDB04 (WH/BU), harness side.




- For non-hybrid, measure the resistance between the PCM C175b-58, circuit VDB05 (WH), harness side and the DLC C251-14, circuit VDB05 (WH), harness side.




- For hybrid, measure the resistance between the PCM C175b-43, circuit VDB05 (WH), harness side and the DLC C251-14, circuit VDB05 (WH), harness side.





- Are the resistances less than 5 ohms?

Yes
CONNECT the negative battery cable. GO to T35.

No
REPAIR the circuit in question. CONNECT the negative battery cable. CLEAR the DTCs. REPEAT the network test with the scan tool.

-------------------------------------------------
T8 CHECK THE HS-CAN CIRCUITS BETWEEN THE IC AND THE DLC FOR AN OPEN

- Disconnect: IC C220.
- Measure the resistance between the IC C220-15, circuit VDB04 (WH/BU), harness side and the DLC C251-6, circuit VDB04 (WH/BU), harness side.




- Measure the resistance between the IC C220-14, circuit VDB05 (WH), harness side and the DLC C251-14, circuit VDB05 (WH), harness side.





- Are the resistances less than 5 ohms?

Yes
CONNECT the negative battery cable. GO to T41.

No
REPAIR the circuit in question. CONNECT the negative battery cable. CLEAR the DTCs. REPEAT the network test with the scan tool.

-------------------------------------------------
T9 CHECK THE HS-CAN (+) AND HS-CAN (-) CIRCUITS FOR A SHORT TOGETHER

- Measure the resistance between the DLC C251-6, circuit VDB04 (WH/BU), harness side and the DLC C251-14, circuit VDB05 (WH), harness side.





- Is the resistance less than 5 ohms?

Yes
GO to T11.

No
GO to T10.

-------------------------------------------------
T10 CHECK THE HS-CAN CIRCUITS FOR AN OPEN AT THE DLC

- Measure the resistance between the DLC C251-6, circuit VDB04 (WH/BU), harness side and the DLC C251-14, circuit VDB05 (WH), harness side.





- Is the resistance greater than 10,000 ohms?

Yes
REPAIR the DLC or REPAIR the circuit in question. CONNECT the negative battery cable. CLEAR the DTCs. REPEAT the network test with the scan tool.

No
A capacitor internal to a module may still be draining causing irregular resistance readings. WAIT 5 minutes. REPEAT the pinpoint test.

-------------------------------------------------
T11 CHECK THE HS-CAN (+) AND HS-CAN (-) CIRCUITS FOR A SHORT TOGETHER WITH THE PCM DISCONNECTED

- Disconnect: PCM C175b.
- Measure the resistance between the DLC C251-6, circuit VDB04 (WH/BU), harness side and the DLC C251-14, circuit VDB05 (WH), harness side.





- Is the resistance less than 5 ohms?

Yes
GO to T12.

No
CONNECT the negative battery cable. GO to T35.

-------------------------------------------------
T12 CHECK THE HS-CAN (+) AND HS-CAN (-) CIRCUITS FOR A SHORT TOGETHER WITH THE ABS MODULE DISCONNECTED

- Disconnect: ABS Module C155.
- Measure the resistance between the DLC C251-6, circuit VDB04 (WH/BU), harness side and the DLC C251-14, circuit VDB05 (WH), harness side.





- Is the resistance less than 5 ohms?

Yes
If the vehicle is equipped with a 4X4 control module, GO to T13.

If the vehicle is not equipped with a 4X4 control module, GO to T14.

No
CONNECT the negative battery cable. GO to T36.

-------------------------------------------------
T13 CHECK THE HS-CAN (+) AND HS-CAN (-) CIRCUITS FOR A SHORT TOGETHER WITH THE 4X4 CONTROL MODULE DISCONNECTED

- Disconnect: 4X4 Control Module C3184.
- Measure the resistance between the DLC C251-6, circuit VDB04 (WH/BU), harness side and the DLC C251-14, circuit VDB05 (WH), harness side.





- Is the resistance less than 5 ohms?

Yes
GO to T14.

No
CONNECT the negative battery cable. GO to T37.

-------------------------------------------------
T14 CHECK THE HS-CAN (+) AND HS-CAN (-) CIRCUITS FOR A SHORT TOGETHER WITH THE RCM DISCONNECTED

- Disconnect: RCM C2041b.
- Measure the resistance between the DLC C251-6, circuit VDB04 (WH/BU), harness side and the DLC C251-14, circuit VDB05 (WH), harness side.





- Is the resistance less than 5 ohms?

Yes
GO to T15.

No
CONNECT the negative battery cable. GO to T38.

-------------------------------------------------
T15 CHECK THE HS-CAN (+) AND HS-CAN (-) CIRCUITS FOR A SHORT TOGETHER WITH THE OCSM DISCONNECTED

- Disconnect: OCSM C3285.
- Measure the resistance between the DLC C251-6, circuit VDB04 (WH/BU), harness side and the DLC C251-14, circuit VDB05 (WH), harness side.





- Is the resistance less than 5 ohms?

Yes
If the vehicle is equipped with an Accessory Protocol Interface Module (APIM), GO to T16.

If the vehicle is not equipped with an APIM, GO to T17.

No
CONNECT the negative battery cable. GO to T39.

-------------------------------------------------
T16 CHECK THE HS-CAN (+) AND HS-CAN (-) CIRCUITS FOR A SHORT TOGETHER WITH THE APIM DISCONNECTED

- Disconnect: APIM C3338.
- Measure the resistance between the DLC C251-6, circuit VDB04 (WH/BU), harness side and the DLC C251-14, circuit VDB05 (WH), harness side.





- Is the resistance less than 5 ohms?

Yes
GO to T17.

No
CONNECT the negative battery cable. GO to T40.

-------------------------------------------------
T17 CHECK THE HS-CAN (+) AND HS-CAN (-) CIRCUITS FOR A SHORT TOGETHER WITH THE IC DISCONNECTED

- Disconnect: IC C220.
- Measure the resistance between the DLC C251-6, circuit VDB04 (WH/BU), harness side and the DLC C251-14, circuit VDB05 (WH), harness side.





- Is the resistance less than 5 ohms?

Yes
If the vehicle is equipped with a PAM, GO to T18.

If the vehicle is not equipped with a PAM, GO to T19.

No
CONNECT the negative battery cable. GO to T41.

-------------------------------------------------
T18 CHECK THE HS-CAN (+) AND HS-CAN (-) CIRCUITS FOR A SHORT TOGETHER WITH THE PAM DISCONNECTED

- Disconnect: PAM C4014.
- Measure the resistance between the DLC C251-6, circuit VDB04 (WH/BU), harness side and the DLC C251-14, circuit VDB05 (WH), harness side.





- Is the resistance less than 5 ohms?

Yes
GO to T19.

No
CONNECT the negative battery cable. GO to T42.

-------------------------------------------------
T19 CHECK THE HS-CAN (+) AND HS-CAN (-) CIRCUITS FOR A SHORT TOGETHER WITH THE PSCM DISCONNECTED

- Disconnect: PSCM C2231a.
- Measure the resistance between the DLC C251-6, circuit VDB04 (WH/BU), harness side and the DLC C251-14, circuit VDB05 (WH), harness side.





- Is the resistance less than 5 ohms?

Yes
If the vehicle is a Hybrid Electric Vehicle (HEV), GO to T20.

If the vehicle is not an HEV, REPAIR the circuit. CONNECT all modules. CONNECT the negative battery cable. CLEAR the DTCs. REPEAT the network test with the scan tool.

No
CONNECT the negative battery cable. GO to T43.

-------------------------------------------------
T20 CHECK THE HS-CAN (+) AND HS-CAN (-) CIRCUITS FOR A SHORT TOGETHER WITH THE TCM DISCONNECTED

- Disconnect: TCM C1458a.
- Measure the resistance between the DLC C251-6, circuit VDB04 (WH/BU), harness side and the DLC C251-14, circuit VDB05 (WH), harness side.





- Is the resistance less than 5 ohms?

Yes
GO to T21.

No
CONNECT the negative battery cable. GO to T44.

-------------------------------------------------
T21 CHECK THE HS-CAN (+) AND HS-CAN (-) CIRCUITS FOR A SHORT TOGETHER WITH THE BCM-HVTB DISCONNECTED

WARNING: To prevent the risk of high-voltage shock, always follow precisely all warnings and service instructions, including instructions to depower the system. The high-voltage hybrid system utilizes approximately 300 volts DC, provided through high-voltage cables to its components and modules. The high-voltage cables and wiring are identified by orange harness tape or orange wire covering. All high-voltage components are marked with high-voltage warning labels with a high-voltage symbol. Failure to follow these instructions may result in serious personal injury or death.

WARNING: Always wear high-voltage insulated safety gloves with leather outer gloves and a face shield when servicing the battery pack sensor module (BPSM) and never remove the high-voltage BPSM connector unless directed by a service procedure. High voltage is present at the BPSM at all times, even with service disconnect plug removal. Depowering the system will not remove voltage from the BPSM connector with the orange harness. Follow all service instructions. Failure to follow these instructions may result in serious personal injury or death.

- Disconnect: BCM-HVTB C4227a.
- Measure the resistance between the DLC C251-6, circuit VDB04 (WH/BU), harness side and the DLC C251-14, circuit VDB05 (WH), harness side.





- Is the resistance less than 5 ohms?

Yes
GO to T22.

No
CONNECT the negative battery cable. GO to T45.

-------------------------------------------------
T22 CHECK THE HS-CAN (+) AND HS-CAN (-) CIRCUITS FOR A SHORT TOGETHER WITH THE ACCM DISCONNECTED

- Disconnect: ACCM C1469a.
- Measure the resistance between the DLC C251-6, circuit VDB04 (WH/BU), harness side and the DLC C251-14, circuit VDB05 (WH), harness side.





- Is the resistance less than 5 ohms?

Yes
REPAIR the circuit in question. CONNECT the negative battery cable. CLEAR the DTCs. REPEAT the network test with the scan tool.

No
CONNECT the negative battery cable. GO to T46.

-------------------------------------------------
T23 CHECK THE HS-CAN (+) AND HS-CAN (-) CIRCUITS FOR A SHORT TO GROUND WITH THE PCM DISCONNECTED

- Disconnect: PCM C175b.
- Measure the resistance between the DLC C251-6, circuit VDB04 (WH/BU), harness side and ground; and between the DLC C251-14, circuit VDB05 (WH), harness side and ground.





- Are the resistances greater than 1,000 ohms?

Yes
CONNECT the negative battery cable. GO to T35.

No
GO to T24.

-------------------------------------------------