Curiosii for ever!: Car repair manuals for everyone.

Pinpoint Test F: The Occupant Classification System Module (OCSM) Does Not Respond To The Scan Tool




Communications Network

Pinpoint Tests

Pinpoint Test F: The Occupant Classification System Module (OCSM) Does Not Respond To The Scan Tool

Refer to Wiring Diagram Set 14 (Escape/Mariner, Escape Hybrid/Mariner Hybrid), Module Communications Network for schematic and connector information. Diagrams By Number

Refer to Wiring Diagram Set 46 (Escape/Mariner, Escape Hybrid/Mariner Hybrid), Supplemental Restraint Systems for schematic and connector information. Diagrams By Number

Normal Operation

The Occupant Classification System Module (OCSM) communicates with the scan tool through the High Speed Controller Area Network (HS-CAN).

This pinpoint test is intended to diagnose the following:

- Fuse
- Wiring, terminals or connectors
- OCSM


PINPOINT TEST F: THE OCSM DOES NOT RESPOND TO THE SCAN TOOL

NOTICE: Use the correct probe adapter(s) when making measurements. Failure to use the correct probe adapter(s) may damage the connector.

NOTE: Failure to disconnect the battery when instructed will result in false resistance readings. Refer to Battery, Mounting and Cables Battery Disconnect.

-------------------------------------------------
F1 CHECK THE OCSM VOLTAGE SUPPLY CIRCUIT FOR AN OPEN

- Ignition OFF.
- Disconnect: OCSM C3285.
- Ignition ON.
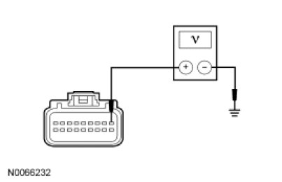
- Measure the voltage between the OCSM C3285-1, circuit CBP46 (WH/BU), harness side and ground.





- Is the voltage greater than 10 volts?

Yes
GO to F2.

No
VERIFY the Smart Junction Box (SJB) fuse 46 (7.5A) is OK. If OK, REPAIR the circuit in question. If not OK, Refer to the Wiring Diagrams to identify the possible causes of the circuit short. CLEAR the DTCs. REPEAT the network test with the scan tool. Diagrams By Number

-------------------------------------------------
F2 CHECK THE OCSM GROUND CIRCUIT FOR AN OPEN

- Ignition OFF.
- Disconnect: Negative Battery Cable.
- Measure the resistance between the OCSM C3285-14, circuit GD183 (BK/WH), harness side and ground.





- Is the resistance less than 5 ohms?

Yes
GO to F3.

No
REPAIR the circuit. CONNECT the negative battery cable. CLEAR the DTCs. REPEAT the network test with the scan tool.

-------------------------------------------------
F3 CHECK THE HS-CAN CIRCUITS BETWEEN THE OCSM AND THE DLC FOR AN OPEN

- Measure the resistance between the OCSM C3285-18, circuit VDB04 (WH/BU), harness side and the DLC C251-6, circuit VDB04 (WH/BU), harness side.




- Measure the resistance between the OCSM C3285-9, circuit VDB05 (WH), harness side and the DLC C251-14, circuit VDB05 (WH), harness side.





- Are the resistances less than 5 ohms?

Yes
CONNECT the negative battery cable. GO to F4.

No
REPAIR the circuit in question. CONNECT the negative battery cable. CLEAR the DTCs. REPEAT the network test with the scan tool.

-------------------------------------------------
F4 CHECK FOR CORRECT OCSM OPERATION

- Disconnect the OCSM connector.
- Check for:
- corrosion
- damaged pins
- pushed-out pins
- Connect the OCSM connector and make sure it seats correctly.
- Operate the system and verify the concern is still present.
- Is the concern still present?

Yes
INSTALL a new OCSM. REFER to Supplemental Restraint System Seat Occupant Sensor. CLEAR the DTCs. REPEAT the network test with the scan tool.

No
The system is operating correctly at this time. The concern may have been caused by a loose or corroded connector.

-------------------------------------------------