Curiosii for ever!: Car repair manuals for everyone.

Pinpoint Test O: The Front Controls Interface Module (FCIM) Does Not Respond To The Scan Tool




Communications Network

Pinpoint Tests

Pinpoint Test O: The Front Controls Interface Module (FCIM) Does Not Respond To The Scan Tool

Refer to Wiring Diagram Set 14 (Escape/Mariner, Escape Hybrid/Mariner Hybrid), Module Communications Network for schematic and connector information. Diagrams By Number

Refer to Wiring Diagram Set 130 (Escape/Mariner, Escape Hybrid/Mariner Hybrid), Audio System/Navigation for schematic and connector information. Diagrams By Number

Normal Operation

The Front Controls Interface Module (FCIM) communicates with the scan tool through the Medium Speed Controller Area Network (MS-CAN).

This pinpoint test is intended to diagnose the following:

- Fuse
- Wiring, terminals or connectors
- FCIM


PINPOINT TEST O: THE FCIM DOES NOT RESPOND TO THE SCAN TOOL

NOTICE: Use the correct probe adapter(s) when making measurements. Failure to use the correct probe adapter(s) may damage the connector.

NOTE: Failure to disconnect the battery when instructed will result in false resistance readings. Refer to Battery, Mounting and Cables Battery Disconnect.

-------------------------------------------------
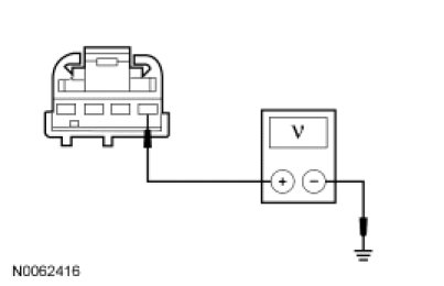
O1 CHECK THE FCIM VOLTAGE SUPPLY CIRCUIT FOR AN OPEN

- Ignition OFF.
- Disconnect: FCIM C2402.
- Ignition ON.
- Measure the voltage between the FCIM C2402-1, circuit SBP14 (BN/RD), harness side and ground.





- Is the voltage greater than 10 volts?

Yes
GO to O2.

No
VERIFY the Smart Junction Box (SJB) fuse 14 (10A) is OK. If OK, REPAIR the circuit in question. If not OK, Refer to the Wiring Diagrams to identify the possible causes of the circuit short. CLEAR the DTCs. REPEAT the network test with the scan tool. Diagrams By Number

-------------------------------------------------
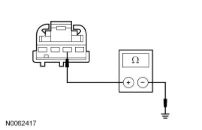
O2 CHECK THE FCIM GROUND CIRCUIT FOR AN OPEN

- Ignition OFF.
- Disconnect: Negative Battery Cable.
- Measure the resistance between the FCIM C2402-2, circuit GD115 (BK/GY), harness side and ground.





- Is the resistance less than 5 ohms?

Yes
GO to O3.

No
REPAIR the circuit. CONNECT the negative battery cable. CLEAR the DTCs. REPEAT the network test with the scan tool.

-------------------------------------------------
O3 CHECK THE MS-CAN CIRCUITS BETWEEN THE FCIM AND THE DLC FOR AN OPEN

- Measure the resistance between the FCIM C2402-3, circuit VDB06 (GY/OG), harness side and the Data Link Connector (DLC) C251-3, circuit VDB06 (GY/OG), harness side.




- Measure the resistance between the FCIM C2402-4, circuit VDB07 (VT/OG), harness side and the DLC C251-11, circuit VDB07 (VT/OG), harness side.





- Are the resistances less than 5 ohms?

Yes
CONNECT the negative battery cable. GO to O4.

No
REPAIR the circuit in question. CONNECT the negative battery cable. CLEAR the DTCs. REPEAT the network test with the scan tool.

-------------------------------------------------
O4 CHECK FOR CORRECT FCIM OPERATION

- Disconnect the FCIM connector.
- Check for:
- corrosion
- damaged pins
- pushed-out pins
- Connect the FCIM connector and make sure it seats correctly.
- Operate the system and verify the concern is still present.
- Is the concern still present?

Yes
INSTALL a new FCIM. REFER to Information and Entertainment Systems Front Controls Interface Module (FCIM). CLEAR the DTCs. REPEAT the network test with the scan tool.

No
The system is operating correctly at this time. The concern may have been caused by a loose or corroded connector.

-------------------------------------------------