Curiosii for ever!: Car repair manuals for everyone.

Transmission Position Sensor/Switch: Adjustments




Transmission Range (TR) Sensor Adjustment






Adjust

1. With the vehicle in NEUTRAL, position it on a hoist. For additional information, refer to Vehicle Jacking and Lifting.

2. Remove the selector lever cable shield by prying on the side of the shield closest to the boot, then sliding the shield away from the boot.





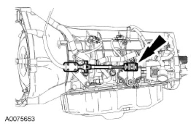
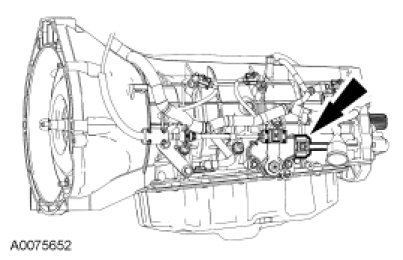
3. Move the rubber boot back to gain access to the Transmission Range (TR) sensor connector.





4. Disconnect the TR sensor connector.





5. NOTICE: To prevent selector lever cable damage, do not apply force to the selector lever cable between the manual control lever and the selector lever cable bracket.

Remove the selector lever cable end from the manual control lever.





6. Remove the manual control lever nut and the manual control lever.





7. Loosen but do not remove the TR sensor screws.





8. Using the TR Sensor Alignment Gauge, align the TR sensor and tighten the screws in an alternating sequence.
- Tighten to 8 Nm (71 lb-in).





9. Install the manual control lever and manual control lever nut.
- Tighten to 48 Nm (35 lb-ft).





10. NOTICE: To prevent selector lever cable damage, do not apply force to the selector lever cable between the manual control lever and the selector lever cable bracket.

NOTE: When installing the selector lever cable end, make sure that the selector lever cable end is correctly installed onto the manual control lever. Pull back on the selector lever cable to make sure that the selector cable end is correctly installed onto the manual control lever.

Install the selector lever cable end onto the manual control lever.





11. Connect the TR sensor connector.





12. Install the rubber boot over the TR connector.





13. NOTE: If the selector lever cable shield is loose on the selector lever cable, replace the selector lever cable shield.

Install the selector lever cable shield.





14. Verify that the selector lever cable is adjusted correctly.

15. Verify that the vehicle will start in PARK and NEUTRAL and that the reverse lamps illuminate in REVERSE.