Knock Sensor: Service and Repair
Knock Sensor (KS) - 4.6L (3V)
Removal and Installation
1. Remove the intake manifold. For additional information, refer to Engine.
2. Disconnect the Knock Sensor (KS) electrical connector.
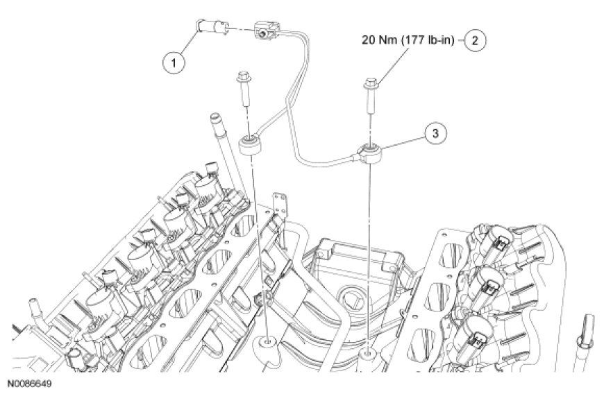
3. Remove the bolts and the KS.
- To install, tighten to 20 Nm (177 lb-in).
4. To install, reverse the removal procedure.