Curiosii for ever!
: Car repair manuals for everyone.
Home
>>
Mercury Truck
>>
2009
>>
Mountaineer AWD V8-4.6L
>>
Repair and Diagnosis
>>
Powertrain Management
>>
Ignition System
>>
Spark Plug
>>
Service and Repair
>>
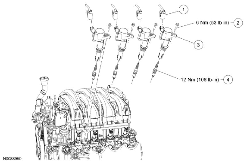
Engine Ignition Components - Exploded View
Engine Ignition Components - Exploded View
Engine Ignition Components - Exploded View
Ignition Components RH Side
Ignition Components LH Side
1.
For additional information, refer to the procedures.