Curiosii for ever!: Car repair manuals for everyone.

Knock Sensor: Service and Repair




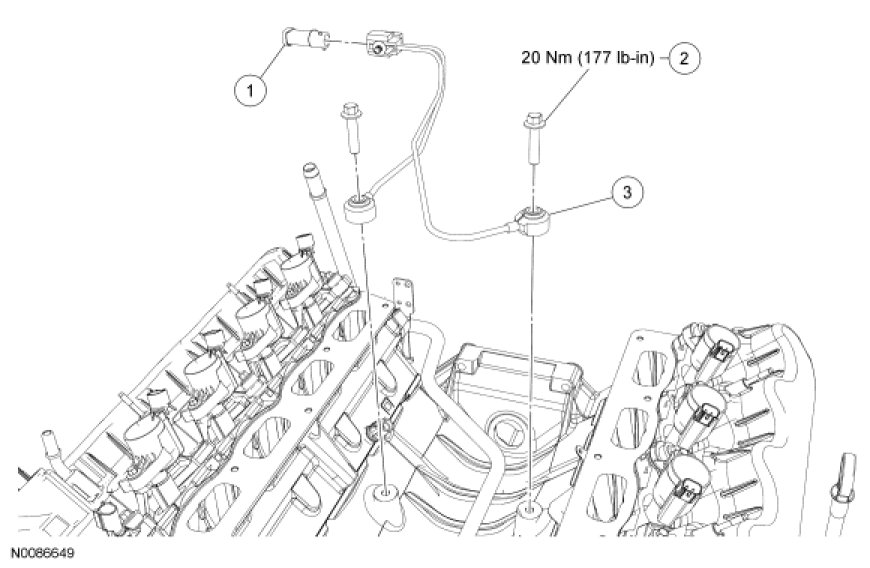
Knock Sensor (KS) - 4.6L (3V)









Removal and Installation

1. Remove the intake manifold.

2. Disconnect the Knock Sensor (KS) electrical connector.

3. Remove the bolts and the KS.
- To install, tighten to 20 Nm (177 lb-in).

4. To install, reverse the removal procedure.