Curiosii for ever!: Car repair manuals for everyone.

Pinpoint Test S: No High Speed Controller Area Network (HS-CAN) Communication, All Modules Are Not Responding




Communications Network

Pinpoint Tests

Pinpoint Test S: No High Speed Controller Area Network (HS-CAN) Communication, All Modules Are Not Responding

Refer to Wiring Diagram Set 14, Module Communications Network for schematic and connector information. Diagrams By Number

Normal Operation

The High Speed Controller Area Network (HS-CAN) uses an unshielded twisted pair cable, circuits VDB04 (WH/BU) and VDB05 (WH).

This pinpoint test is intended to diagnose the following:

- Wiring, terminals or connectors
- 4X4 control module (if equipped)
- ABS module
- Accessory Protocol Interface Module (APIM) (if equipped)
- Instrument Cluster (IC)
- Occupant Classification System Module (OCSM)
- PCM
- Restraints Control Module (RCM)
- Transmission Control Module (TCM) (if equipped)



PINPOINT TEST S: NO HS-CAN COMMUNICATION, ALL MODULES ARE NOT RESPONDING

NOTICE: Use the correct probe adapter(s) when making measurements. Failure to use the correct probe adapter(s) may damage the connector.

NOTE: Most faults are due to connector and/or wiring concerns. Carry out a thorough inspection and verification before proceeding with the pinpoint test. Inspection and Verification

NOTE: Failure to disconnect the battery when instructed will result in false resistance readings. Refer to Battery.

-------------------------------------------------
S1 CHECK THE DLC PINS FOR DAMAGE


- Ignition OFF.
- Disconnect the scan tool cable from the Data Link Connector (DLC).
- Inspect DLC pins 6 and 14 for damage.




- Are DLC pins 6 and 14 OK?

Yes
GO to S2.

No
REPAIR the DLC as necessary. CLEAR the DTCs. REPEAT the network test with the scan tool.

-------------------------------------------------
S2 CHECK THE HS-CAN TERMINATION RESISTANCE


- Ignition OFF.
- Disconnect: Negative Battery Cable.
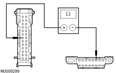
- Measure the resistance between the DLC C251-6, circuit VDB04 (WH/BU), harness side and the DLC C251-14, circuit VDB05 (WH), harness side.




- Is the resistance between 54 and 66 ohms?

Yes
GO to S3.

No
GO to S5.

-------------------------------------------------
S3 CHECK THE HS-CAN (+) AND HS-CAN (-) CIRCUITS FOR A SHORT TO GROUND


- Measure the resistance between the DLC C251-6, circuit VDB04 (WH/BU), harness side and ground; and between the DLC C251-14, circuit VDB05 (WH), harness side and ground.




- Are the resistances greater than 1,000 ohms?

Yes
GO to S4.

No
GO to S19.

-------------------------------------------------
S4 CHECK THE HS-CAN (+) AND HS-CAN (-) CIRCUITS FOR A SHORT TO VOLTAGE


- Connect: Negative Battery Cable.
- Ignition ON.
- Measure the voltage between the DLC C251-6, circuit VDB04 (WH/BU), harness side and ground; and between the DLC C251-14, circuit VDB05 (WH), harness side and ground.




- Are the voltages greater than 6 volts?

Yes
REPAIR the circuit in question. CLEAR the DTCs. REPEAT the network test with the scan tool.

No
The CAN has tested within specifications. Go To Pinpoint Test T to diagnose an intermittent HS-CAN fault. Pinpoint Test T: Intermittent No High Speed Controller Area Network (HS-CAN) Communication, One Or More Modules Are Not Respond

-------------------------------------------------
S5 CHECK THE HS-CAN TERMINATION RESISTOR


- Measure the resistance between the DLC C251-6, circuit VDB04 (WH/BU), harness side and the DLC C251-14, circuit VDB05 (WH), harness side.




- Is the resistance between 108 and 132 ohms?

Yes
GO to S6.

No
GO to S9.

-------------------------------------------------
S6 CHECK THE HS-CAN TERMINATION RESISTOR WITH THE PCM DISCONNECTED


- Disconnect: PCM C175b.
- Measure the resistance between the DLC C251-6, circuit VDB04 (WH/BU), harness side and the DLC C251-14, circuit VDB05 (WH), harness side.




- Is the resistance between 108 and 132 ohms?

Yes
GO to S7.

No
GO to S8.

-------------------------------------------------
S7 CHECK THE HS-CAN CIRCUITS BETWEEN THE PCM AND THE DLC FOR AN OPEN


- Measure the resistance between the PCM C175b-11, circuit VDB04 (WH/BU), harness side and the DLC C251-6, circuit VDB04 (WH/BU), harness side.




- Measure the resistance between the PCM C175b-23, circuit VDB05 (WH), harness side and the DLC C251-14, circuit VDB05 (WH), harness side.




- Are the resistances less than 5 ohms?

Yes
CONNECT the negative battery cable. GO to S27.

No
REPAIR the circuit in question. CONNECT the negative battery cable. CLEAR the DTCs. REPEAT the network test with the scan tool.

-------------------------------------------------
S8 CHECK THE HS-CAN CIRCUITS BETWEEN THE IC AND THE DLC FOR AN OPEN


- Measure the resistance between the IC C220-7, circuit VDB04 (WH/BU), harness side and the DLC C251-6, circuit VDB04 (WH/BU), harness side.




- Measure the resistance between the IC C220-8, circuit VDB05 (WH), harness side and the DLC C251-14, circuit VDB05 (WH), harness side.




- Are the resistances less than 5 ohms?

Yes
CONNECT the negative battery cable. GO to S34.

No
REPAIR the circuit in question. CONNECT the negative battery cable. CLEAR the DTCs. REPEAT the network test with the scan tool.

-------------------------------------------------
S9 CHECK THE HS-CAN (+) AND HS-CAN (-) CIRCUITS FOR A SHORT TOGETHER


- Measure the resistance between the DLC C251-6, circuit VDB04 (WH/BU), harness side and the DLC C251-14, circuit VDB05 (WH), harness side.




- Is the resistance less than 5 ohms?

Yes
GO to S11.

No
GO to S10.

-------------------------------------------------
S10 CHECK THE HS-CAN CIRCUITS FOR AN OPEN AT THE DLC


- Measure the resistance between the DLC C251-6, circuit VDB04 (WH/BU), harness side and the DLC C251-14, circuit VDB05 (WH), harness side.




- Is the resistance greater than 10,000 ohms?

Yes
REPAIR the DLC or REPAIR the circuit in question. CONNECT the negative battery cable. CLEAR the DTCs. REPEAT the network test with the scan tool.

No
A capacitor internal to a module may still be draining causing irregular resistance readings. WAIT 5 minutes. REPEAT the pinpoint test.

-------------------------------------------------
S11 CHECK THE HS-CAN (+) AND HS-CAN (-) CIRCUITS FOR A SHORT TOGETHER WITH THE PCM DISCONNECTED


- Disconnect: PCM C175b.
- Measure the resistance between the DLC C251-6, circuit VDB04 (WH/BU), harness side and the DLC C251-14, circuit VDB05 (WH), harness side.




- Is the resistance less than 5 ohms?

Yes
GO to S12.

No
CONNECT the negative battery cable. GO to S27.

-------------------------------------------------
S12 CHECK THE HS-CAN (+) AND HS-CAN (-) CIRCUITS FOR A SHORT TOGETHER WITH THE ABS MODULE DISCONNECTED


- Disconnect: ABS Module C155.
- Measure the resistance between the DLC C251-6, circuit VDB04 (WH/BU), harness side and the DLC C251-14, circuit VDB05 (WH), harness side.




- Is the resistance less than 5 ohms?

Yes
If the vehicle is equipped with a 4X4 control module, GO to S13.

If the vehicle is not equipped with a 4X4 control module, GO to S14.

No
CONNECT the negative battery cable. GO to S28.

-------------------------------------------------
S13 CHECK THE HS-CAN (+) AND HS-CAN (-) CIRCUITS FOR A SHORT TOGETHER WITH THE 4X4 CONTROL MODULE DISCONNECTED


- Disconnect: 4X4 Control Module C281a.
- Measure the resistance between the DLC C251-6, circuit VDB04 (WH/BU), harness side and the DLC C251-14, circuit VDB05 (WH), harness side.




- Is the resistance less than 5 ohms?

Yes
GO to S14.

No
CONNECT the negative battery cable. GO to S29.

-------------------------------------------------
S14 CHECK THE HS-CAN (+) AND HS-CAN (-) CIRCUITS FOR A SHORT TOGETHER WITH THE OCSM DISCONNECTED


- Disconnect: OCSM C3159.
- Measure the resistance between the DLC C251-6, circuit VDB04 (WH/BU), harness side and the DLC C251-14, circuit VDB05 (WH), harness side.




- Is the resistance less than 5 ohms?

Yes
If the vehicle is equipped with an APIM, GO to S15.

If the vehicle is not equipped with an APIM, GO to S16.

No
CONNECT the negative battery cable. GO to S30.

-------------------------------------------------
S15 CHECK THE HS-CAN (+) AND HS-CAN (-) CIRCUITS FOR A SHORT TOGETHER WITH THE APIM DISCONNECTED


- Disconnect: APIM C3342.
- Measure the resistance between the DLC C251-6, circuit VDB04 (WH/BU), harness side and the DLC C251-14, circuit VDB05 (WH), harness side.




- Is the resistance less than 5 ohms?

Yes
GO to S16.

No
CONNECT the negative battery cable. GO to S31.

-------------------------------------------------
S16 CHECK THE HS-CAN (+) AND HS-CAN (-) CIRCUITS FOR A SHORT TOGETHER WITH THE RCM DISCONNECTED


- Disconnect: RCM C310b.
- Measure the resistance between the DLC C251-6, circuit VDB04 (WH/BU), harness side and the DLC C251-14, circuit VDB05 (WH), harness side.




- Is the resistance less than 5 ohms?

Yes
If the vehicle is equipped with a Transmission Control Module (TCM), GO to S17.

If the vehicle is not equipped with a TCM, GO to S18.

No
CONNECT the negative battery cable. GO to S32.

-------------------------------------------------
S17 CHECK THE HS-CAN (+) AND HS-CAN (-) CIRCUITS FOR A SHORT TOGETHER WITH THE TCM DISCONNECTED


- Disconnect: TCM C1575.
- Measure the resistance between the DLC C251-6, circuit VDB04 (WH/BU), harness side and the DLC C251-14, circuit VDB05 (WH), harness side.




- Is the resistance less than 5 ohms?

Yes
GO to S18.

No
CONNECT the negative battery cable. GO to S33.

-------------------------------------------------
S18 CHECK THE HS-CAN (+) AND HS-CAN (-) CIRCUITS FOR A SHORT TOGETHER WITH THE IC DISCONNECTED


- Disconnect: IC C220.
- Measure the resistance between the DLC C251-6, circuit VDB04 (WH/BU), harness side and the DLC C251-14, circuit VDB05 (WH), harness side.




- Is the resistance less than 5 ohms?

Yes
REPAIR the circuits. CONNECT all modules. CONNECT the negative battery cable. CLEAR the DTCs. REPEAT the network test with the scan tool.

No
CONNECT the negative battery cable. GO to S34.

-------------------------------------------------
S19 CHECK THE HS-CAN (+) AND HS-CAN (-) CIRCUITS FOR A SHORT TO GROUND WITH THE PCM DISCONNECTED


- Disconnect: PCM C175b.
- Measure the resistance between the DLC C251-6, circuit VDB04 (WH/BU), harness side and ground; and between the DLC C251-14, circuit VDB05 (WH), harness side and ground.




- Are the resistances greater than 1,000 ohms?

Yes
CONNECT the negative battery cable. GO to S27.

No
GO to S20.

-------------------------------------------------
S20 CHECK THE HS-CAN (+) AND HS-CAN (-) CIRCUITS FOR A SHORT TO GROUND WITH THE ABS MODULE DISCONNECTED


- Disconnect: ABS C155.
- Measure the resistance between the DLC C251-6, circuit VDB04 (WH/BU), harness side and ground; and between the DLC C251-14, circuit VDB05 (WH), harness side and ground.




- Are the resistances greater than 1,000 ohms?

Yes
CONNECT the negative battery cable. GO to S28.

No
If the vehicle is equipped with a 4X4 control module, GO to S21.

If the vehicle is not equipped with a 4X4 control module, GO to S22.

-------------------------------------------------
S21 CHECK THE HS-CAN (+) AND HS-CAN (-) CIRCUITS FOR A SHORT TO GROUND WITH THE 4X4 CONTROL MODULE DISCONNECTED


- Disconnect: 4X4 Control Module C281a.
- Measure the resistance between the DLC C251-6, circuit VDB04 (WH/BU), harness side and ground; and between the DLC C251-14, circuit VDB05 (WH), harness side and ground.




- Are the resistances greater than 1,000 ohms?

Yes
CONNECT the negative battery cable. GO to S29.

No
GO to S22.

-------------------------------------------------
S22 CHECK THE HS-CAN (+) AND HS-CAN (-) CIRCUITS FOR A SHORT TO GROUND WITH THE OCSM DISCONNECTED


- Disconnect: OCSM C3159.
- Measure the resistance between the DLC C251-6, circuit VDB04 (WH/BU), harness side and ground; and between the DLC C251-14, circuit VDB05 (WH), harness side and ground.




- Are the resistances greater than 1,000 ohms?

Yes
CONNECT the negative battery cable. GO to S30.

No
If the vehicle is equipped with an APIM, GO to S23.

If the vehicle is not equipped with an APIM, GO to S24.

-------------------------------------------------
S23 CHECK THE HS-CAN (+) AND HS-CAN (-) CIRCUITS FOR A SHORT TO GROUND WITH THE APIM DISCONNECTED


- Disconnect: APIM C3342.
- Measure the resistance between the DLC C251-6, circuit VDB04 (WH/BU), harness side and ground; and between the DLC C251-14, circuit VDB05 (WH), harness side and ground.




- Are the resistances greater than 1,000 ohms?

Yes
CONNECT the negative battery cable. GO to S31.

No
GO to S24.

-------------------------------------------------
S24 CHECK THE HS-CAN (+) AND HS-CAN (-) CIRCUITS FOR A SHORT TO GROUND WITH THE RCM DISCONNECTED


- Disconnect: RCM C310b.
- Measure the resistance between the DLC C251-6, circuit VDB04 (WH/BU), harness side and ground; and between the DLC C251-14, circuit VDB05 (WH), harness side and ground.




- Are the resistances greater than 1,000 ohms?

Yes
CONNECT the negative battery cable. GO to S32.

No
If the vehicle is equipped with a Transmission Control Module (TCM), GO to S25.

If the vehicle is not equipped with a TCM, GO to S26.

-------------------------------------------------
S25 CHECK THE HS-CAN (+) AND HS-CAN (-) CIRCUITS FOR A SHORT TO GROUND WITH THE TCM DISCONNECTED


- Disconnect: TCM C1575.
- Measure the resistance between the DLC C251-6, circuit VDB04 (WH/BU), harness side and ground; and between the DLC C251-14, circuit VDB05 (WH), harness side and ground.




- Are the resistances greater than 1,000 ohms?

Yes
CONNECT the negative battery cable. GO to S33.

No
GO to S26.

-------------------------------------------------
S26 CHECK THE HS-CAN (+) AND HS-CAN (-) CIRCUITS FOR A SHORT TO GROUND WITH THE IC DISCONNECTED


- Disconnect: IC C220.
- Measure the resistance between the DLC C251-6, circuit VDB04 (WH/BU), harness side and ground; and between the DLC C251-14, circuit VDB05 (WH), harness side and ground.




- Are the resistances greater than 1,000 ohms?

Yes
CONNECT the negative battery cable. GO to S34.

No
REPAIR the circuit in question. CONNECT all modules. CONNECT the negative battery cable. CLEAR the DTCs. REPEAT the network test with the scan tool.

-------------------------------------------------
S27 CHECK FOR CORRECT PCM OPERATION


- Disconnect all the PCM connectors.
- Check for:
- corrosion
- damaged pins
- pushed-out pins
- Connect all the PCM connectors and make sure they seat correctly.
- Operate the system and verify the concern is still present.
- Is the concern still present?

Yes
INSTALL a new PCM. CLEAR the DTCs. REPEAT the network test with the scan tool.

No
The system is operating correctly at this time. The concern may have been caused by a loose or corroded connector. CLEAR the DTCs. REPEAT the network test with the scan tool.

-------------------------------------------------
S28 CHECK FOR CORRECT ABS MODULE OPERATION


- Disconnect the ABS module connector.
- Check for:
- corrosion
- damaged pins
- pushed-out pins
- Connect the ABS module connector and make sure it seats correctly.
- Operate the system and verify the concern is still present.
- Is the concern still present?

Yes
INSTALL a new ABS module. CONNECT all modules. CLEAR the DTCs. REPEAT the network test with the scan tool.

No
The system is operating correctly at this time. The concern may have been caused by a loose or corroded connector. CONNECT all modules. CLEAR the DTCs. REPEAT the network test with the scan tool.

-------------------------------------------------
S29 CHECK FOR CORRECT 4X4 CONTROL MODULE OPERATION


- Disconnect the 4X4 control module connector.
- Check for:
- corrosion
- damaged pins
- pushed-out pins
- Connect the 4X4 control module connector and make sure it seats correctly.
- Operate the system and verify the concern is still present.
- Is the concern still present?

Yes
INSTALL a new 4X4 control module. CONNECT all modules. CLEAR the DTCs. REPEAT the network test with the scan tool.

No
The system is operating correctly at this time. The concern may have been caused by a loose or corroded connector. CONNECT all modules. CLEAR the DTCs. REPEAT the network test with the scan tool.

-------------------------------------------------
S30 CHECK FOR CORRECT OCSM OPERATION


- Disconnect the OCSM connector.
- Check for:
- corrosion
- damaged pins
- pushed-out pins
- Connect the OCSM connector and make sure it seats correctly.
- Verify the concern is still present.
- Is the concern still present?

Yes
INSTALL a new OCSM. CONNECT all modules. CLEAR the DTCs.
REPEAT the network test with the scan tool.

No
The system is operating correctly at this time. The concern may have been caused by a loose or corroded connector. CONNECT all modules. CLEAR the DTCs. REPEAT the network test with the scan tool.

-------------------------------------------------
S31 CHECK FOR CORRECT APIM OPERATION


- Disconnect the APIM connector.
- Check for:
- corrosion
- damaged pins
- pushed-out pins
- Connect the APIM connector and make sure it seats correctly.
- Verify the concern is still present.
- Is the concern still present?

Yes
INSTALL a new APIM. CONNECT all modules. CLEAR the DTCs. REPEAT the network test with the scan tool.

No
The system is operating correctly at this time. The concern may have been caused by a loose or corroded connector. CONNECT all modules. CLEAR the DTCs. REPEAT the network test with the scan tool.

-------------------------------------------------
S32 CHECK FOR CORRECT RCM OPERATION


- Disconnect all the RCM connectors.
- Check for:
- corrosion
- damaged pins
- pushed-out pins
- Connect all the RCM connectors and make sure they seat correctly.
- Verify the concern is still present.
- Is the concern still present?

Yes
INSTALL a new RCM. CONNECT all modules. CLEAR the DTCs. REPEAT the network test with the scan tool.

No
The system is operating correctly at this time. The concern may have been caused by a loose or corroded connector. CONNECT all modules. REPEAT the network test with the scan tool.

-------------------------------------------------
S33 CHECK FOR CORRECT TCM OPERATION


- Disconnect the TCM connector.
- Check for:
- corrosion
- damaged pins
- pushed-out pins
- Connect the TCM connector and make sure it seats correctly.
- Operate the system and verify the concern is still present.
- Is the concern still present?

Yes
INSTALL a new TCM. CONNECT all modules. CLEAR the DTCs. REPEAT the network test with the scan tool.

No
The system is operating correctly at this time. The concern may have been caused by a loose or corroded connector. CONNECT all modules. CLEAR the DTCs. REPEAT the network test with the scan tool.

-------------------------------------------------
S34 CHECK FOR CORRECT IC OPERATION


- Disconnect the IC connector.
- Check for:
- corrosion
- damaged pins
- pushed-out pins
- Connect the IC connector and make sure it seats correctly.
- Operate the system and verify the concern is still present.
- Is the concern still present?

Yes
INSTALL a new IC. CONNECT all modules. CLEAR the DTCs. REPEAT the network test with the scan tool.

No
The system is operating correctly at this time. The concern may have been caused by a loose or corroded connector. CONNECT all modules. CLEAR the DTCs. REPEAT the network test with the scan tool.

-------------------------------------------------