Curiosii for ever!: Car repair manuals for everyone.

Exhaust System




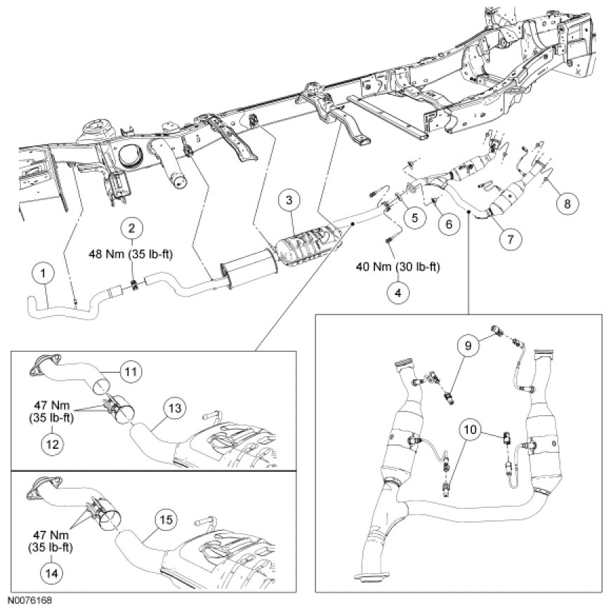
Exhaust System - Exploded View



4.0L Explorer Sport Trac

NOTE: Vehicle body removed for clarity.












4.6L Explorer Sport Trac

NOTE: Vehicle body removed for clarity.











4.0L Explorer/Mountaineer

NOTE: Vehicle body removed for clarity.

NOTE: Premier exhaust shown, standard exhaust similar.











4.6L Explorer/Mountaineer

NOTE: Vehicle body removed for clarity.

NOTE: Premier exhaust shown, standard exhaust similar.










1. For additional information, refer to the procedures.