Curiosii for ever!: Car repair manuals for everyone.

Pinpoint Test M: The Satellite Digital Audio Receiver System (SDARS) Module Does Not Respond To The Scan Tool




Communications Network

Pinpoint Tests

Pinpoint Test M: The Satellite Digital Audio Receiver System (SDARS) Module Does Not Respond To The Scan Tool

Refer to Wiring Diagram Set 14 (Escape/Mariner, Escape Hybrid/Mariner Hybrid), Module Communications Network for schematic and connector information. Diagrams By Number

Refer to Wiring Diagram Set 130 (Escape/Mariner, Escape Hybrid/Mariner Hybrid), Audio System for schematic and connector information. Diagrams By Number

Normal Operation

The Satellite Digital Audio Receiver System (SDARS) module communicates with the scan tool through the Medium Speed Controller Area Network (MS-CAN). Circuits VDB06 (GY/OG) (MS-CAN +) and VDB07 (VT/OG) (MS-CAN -) provide the network connection to the SDARS module. Voltage to the SDARS module is provided by circuit SBP14 (BN/RD). Ground is provided by circuit GD115 (BK/GY).

This pinpoint test is intended to diagnose the following:

- Fuse
- Wiring, terminals or connectors
- SDARS module



PINPOINT TEST M: THE SDARS MODULE DOES NOT RESPOND TO THE SCAN TOOL

NOTICE: Use the correct probe adapter(s) when making measurements. Failure to use the correct probe adapter(s) may damage the connector.

NOTE: Failure to disconnect the battery when instructed will result in false resistance readings. Refer to Battery.

-------------------------------------------------
M1 CHECK THE SDARS MODULE VOLTAGE SUPPLY CIRCUIT FOR AN OPEN


- Ignition OFF.
- Disconnect: SDARS Module C3290.
- Ignition ON.
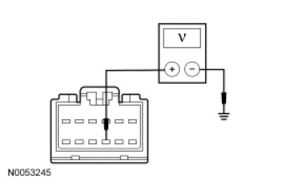
- Measure the voltage between the SDARS module C3290-9, circuit SBP14 (BN/RD), harness side and ground.




- Is the voltage greater than 10 volts?

Yes
GO to M2.

No
VERIFY the Smart Junction Box (SJB) fuse 14 (10A) is OK. If OK, REPAIR the circuit in question. If not OK, REFER to the Wiring Diagrams to identify the possible causes of the circuit short. CLEAR the DTCs. REPEAT the network test with the scan tool.

-------------------------------------------------
M2 CHECK THE SDARS MODULE GROUND CIRCUIT FOR AN OPEN


- Ignition OFF.
- Disconnect: Negative Battery Cable.
- Measure the resistance between the SDARS module C3290-3, circuit GD115 (BK/GY), harness side and ground.




- Is the resistance less than 5 ohms?

Yes
GO to M3.

No
REPAIR the circuit. CONNECT the negative battery cable. CLEAR the DTCs. REPEAT the network test with the scan tool.

-------------------------------------------------
M3 CHECK THE MS-CAN CIRCUITS BETWEEN THE SDARS MODULE AND THE DLC FOR AN OPEN


- Measure the resistance between the SDARS module C3290-1, circuit VDB06 (GY/OG), harness side and the DLC C251-3, circuit VDB06 (GY/OG), harness side.




- Measure the resistance between the SDARS module C3290-7, circuit VDB07 (VT/OG), harness side and the DLC C251-11, circuit VDB07 (VT/OG), harness side.




- Are the resistances less than 5 ohms?

Yes
CONNECT the negative battery cable. GO to M4.

No
REPAIR the circuit in question. CONNECT the negative battery cable. CLEAR the DTCs. REPEAT the network test with the scan tool.

-------------------------------------------------
M4 CHECK FOR CORRECT SDARS MODULE OPERATION


- Disconnect all the SDARS module connectors.
- Check for:
- corrosion
- damaged pins
- pushed-out pins
- Connect all the SDARS module connectors and make sure they seat correctly.
- Operate the system and verify the concern is still present.
- Is the concern still present?

Yes
INSTALL a new SDARS module. CLEAR the DTCs. REPEAT the network test with the scan tool.

No
The system is operating correctly at this time. The concern may have been caused by a loose or corroded connector. CLEAR the DTCs. REPEAT the network test with the scan tool.

-------------------------------------------------