Pinpoint Test L: The HVAC Module Does Not Respond To The Scan Tool
Communications Network
Pinpoint Tests
Pinpoint Test L: The HVAC Module Does Not Respond To The Scan Tool
Refer to Wiring Diagram Set 14 (Escape/Mariner, Escape Hybrid/Mariner Hybrid), Module Communications Network for schematic and connector information. Diagrams By Number
Refer to Wiring Diagram Set 55 (Escape/Mariner, Escape Hybrid/Mariner Hybrid), Automatic Climate Control System for schematic and connector information. Diagrams By Number
Normal Operation
The HVAC module communicates with the scan tool through the Medium Speed Controller Area Network (MS-CAN). Circuits VDB06 (GY/OG) (MS-CAN +) and VDB07 (VT/OG) (MS-CAN -) provide the network connection to the HVAC module. Voltage to the HVAC module is provided by circuit SBP15 (WH/RD) and circuit CBP37 (WH). Ground is provided by circuit GD114 (BK/BU).
NOTE: The Electronic Manual Temperature Control (EMTC) HVAC module does not communicate with the scan tool.
This pinpoint test is intended to diagnose the following:
- Fuse
- Wiring, terminals or connectors
- HVAC module
PINPOINT TEST L: THE HVAC MODULE DOES NOT RESPOND TO THE SCAN TOOL
NOTICE: Use the correct probe adapter(s) when making measurements. Failure to use the correct probe adapter(s) may damage the connector.
NOTE: Failure to disconnect the battery when instructed will result in false resistance readings. Refer to Battery.
-------------------------------------------------
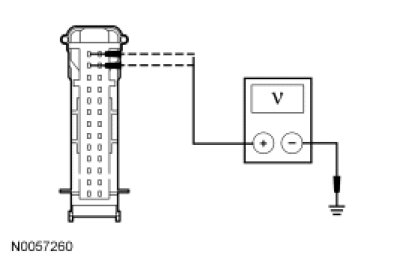
L1 CHECK THE HVAC MODULE VOLTAGE SUPPLY CIRCUIT FOR AN OPEN
- Ignition OFF.
- Disconnect: HVAC Module C2356a (DATC) or C2357a (EMTC).
- Ignition ON.
- Measure the voltage between the HVAC module C2356a-12 or C2357a-12, circuit CBP37 (WH), harness side and ground and between the HVAC module C2356a-13 or C2357a-13, circuit SBP15 (WH/RD) harness side and ground.
- Are the voltages greater than 10 volts?
Yes
GO to L2.
No
VERIFY the Smart Junction Box (SJB) fuse 15 (10A) or fuse 37 (10A) is OK. If OK, REPAIR the circuit in question. If not OK, REFER to the Wiring Diagrams to identify the possible causes of the circuit short. CLEAR the DTCs. REPEAT the network test with the scan tool.
-------------------------------------------------
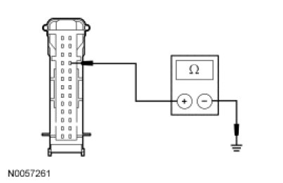
L2 CHECK THE HVAC MODULE GROUND CIRCUIT FOR AN OPEN
- Ignition OFF.
- Disconnect: Negative Battery Cable.
- Measure the resistance between the HVAC module C2356a-23 or C2357a-23, circuit GD114 (BK/BU), harness side and ground.
- Is the resistance less than 5 ohms?
Yes
GO to L3.
No
REPAIR the circuit. CONNECT the negative battery cable. CLEAR the DTCs. REPEAT the network test with the scan tool.
-------------------------------------------------
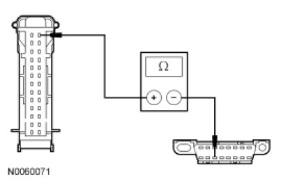
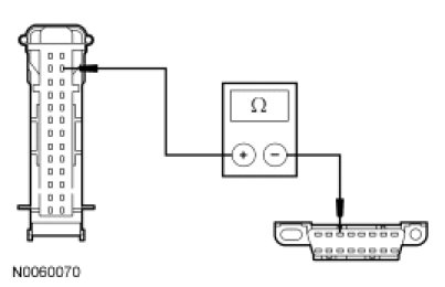
L3 CHECK THE MS-CAN CIRCUITS BETWEEN THE HVAC MODULE AND THE DLC FOR AN OPEN
- Measure the resistance between the HVAC module C2356a-25 or C2357a-25, circuit VDB06 (GY/OG), harness side and the DLC C251-3, circuit VDB06 (GY/OG), harness side.
- Measure the resistance between the HVAC module C2356a-26 or C2357a-26, circuit VDB07 (VT/OG), harness side and the DLC C251-11, circuit VDB07 (VT/OG), harness side.
- Are the resistances less than 5 ohms?
Yes
CONNECT the negative battery cable. GO to L4.
No
REPAIR the circuit in question. CONNECT the negative battery cable. CLEAR the DTCs. REPEAT the network test with the scan tool.
-------------------------------------------------
L4 CHECK FOR CORRECT HVAC MODULE OPERATION
- Disconnect all the HVAC module connectors.
- Check for:
- corrosion
- damaged pins
- pushed-out pins
- Connect all the HVAC module connectors and make sure they seat correctly.
- Operate the system and verify the concern is still present.
- Is the concern still present?
Yes
INSTALL a new HVAC module. CLEAR the DTCs. REPEAT the network test with the scan tool.
No
The system is operating correctly at this time. The concern may have been caused by a loose or corroded connector. CLEAR the DTCs. REPEAT the network test with the scan tool.
-------------------------------------------------