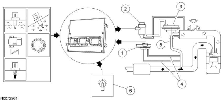
Exhaust Gas Recirculation (EGR) System Monitor - Differential Pressure Feedback EGR and EGR System Module (ESM)
Exhaust Gas Recirculation (EGR) System Monitor - Differential Pressure Feedback EGR and EGR System Module (ESM)
The EGR system monitor is an on-board strategy designed to test the integrity and flow characteristics of the EGR system. The monitor is activated during EGR system operation and after certain base engine conditions are satisfied. Input from the engine coolant temperature (ECT) or cylinder head temperature (CHT), intake air temperature (IAT), throttle position (TP), and crankshaft position (CKP) sensors is required to activate the monitor. Once activated, the EGR system monitor carries out each of the tests described below during the engine modes and conditions indicated. Some of the EGR system monitor tests are also carried out during an on demand self-test.
1. The differential pressure feedback EGR sensor and circuit are continuously tested for opens and shorts. The monitor checks for the differential pressure feedback EGR circuit voltage to exceed the maximum or minimum allowable limits.
The diagnostic trouble codes (DTCs) associated with this test are P0405 and P0406.
2. The EGR vacuum regulator solenoid is continuously tested for opens and shorts. The monitor looks for an EVR circuit voltage that is inconsistent with the EVR circuit commanded output state.
The DTC associated with this test is P0403.
3. The test for a stuck open EGR valve or EGR flow at idle is continuously carried out at idle (TP sensor indicating closed throttle). The monitor compares the differential pressure feedback EGR circuit voltage at idle to the differential pressure feedback EGR circuit voltage stored during ignition on engine off to determine if EGR flow is present at idle.
The DTC associated with this test is P0402.
4. The differential pressure feedback EGR sensor hoses are tested once per drive cycle for disconnect and plugging. The test is carried out with the EGR valve closed and during a period of acceleration. The powertrain control module (PCM) momentarily commands the EGR valve closed. The monitor looks for the differential pressure feedback EGR sensor voltage to be inconsistent for a no flow voltage. A voltage increase or decrease during acceleration while the EGR valve is closed may indicate a concern with a signal hose during this test.
The DTCs associated with this test are P1405 and P1406 (differential pressure feedback EGR systems only).
5. The EGR flow rate test is carried out during a steady state when the engine speed and load are moderate and the EGR vacuum regulator duty cycle is high. The monitor compares the actual differential pressure feedback EGR circuit voltage to a desired EGR flow voltage for that state to determine if the EGR flow rate is acceptable or insufficient. This is a system test and may trigger a DTC for any concern causing the EGR system to not operate correctly.
The DTC associated with this test is P0401. DTC P1408 is similar to P0401 but is carried out during key on engine running (KOER) self-test conditions.
6. The malfunction indicator lamp (MIL) is activated after one of the above tests fails on two consecutive drive cycles.
EGR System Monitor - Differential Pressure Feedback EGR