Curiosii for ever!: Car repair manuals for everyone.

Pinpoint Test Q: The Parking Aid Module (PAM) Does Not Respond To The Scan Tool Or No ISO 9141 Network Communication




Communications Network

Pinpoint Tests

Pinpoint Test Q: The Parking Aid Module (PAM) Does Not Respond To The Scan Tool or No ISO 9141 network communication

Normal Operation

The Parking Aid Module (PAM) communicates with the scan tool through the ISO 9141 communications network, circuit VDB10 (GY). The PAM is the only module which communicates on the ISO 9141. Voltage for the PAM is provided by circuit CBP35 (YE/GY). Ground is provided by circuit GD182 (BK/GY).

This pinpoint test is intended to diagnose the following:

- Fuse
- Wiring, terminals or connectors
- PAM



PINPOINT TEST Q: THE PAM DOES NOT RESPOND TO THE SCAN TOOL OR NO ISO 9141 NETWORK COMMUNICATION

NOTICE: Use the correct probe adapter(s) when making measurements. Failure to use the correct probe adapter(s) may damage the connector.

NOTE: Failure to disconnect the battery when instructed will result in false resistance readings. Refer to Battery.

-------------------------------------------------
Q1 CHECK THE DLC PINS FOR DAMAGE


NOTE: Most faults are due to connector and/or wiring concerns. Carry out a thorough inspection and verification before proceeding with the Pinpoint Test. Inspection and Verification

- Ignition OFF.
- Disconnect the scan tool cable from the DLC.
- Inspect the DLC pin 7 for damage.




- Is the DLC pin 7 OK?

Yes
GO to Q2.

No
REPAIR the DLC as necessary. CLEAR the DTCs. REPEAT the network test with the scan tool.

-------------------------------------------------
Q2 CHECK THE PAM VOLTAGE SUPPLY CIRCUIT FOR AN OPEN


- Disconnect: PAM C4014.
- Ignition ON.
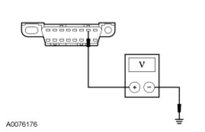
- Measure the voltage between the PAM C4014-1, circuit CBP35 (YE/GY), harness side and ground.




- Is the voltage greater than 10 volts?

Yes
GO to Q3.

No
VERIFY the Smart Junction Box (SJB) fuse 35 (10A) is OK. If OK, REPAIR the circuit. If not OK, REFER to the Wiring Diagrams to identify the possible causes of the circuit short. CLEAR the DTCs. REPEAT the network test with the scan tool.

-------------------------------------------------
Q3 CHECK THE ISO 9141 CIRCUIT FOR A SHORT TO VOLTAGE


- Measure the voltage between the DLC C251-7, circuit VDB10 (GY), harness side and ground.




- Is any voltage present?

Yes
REPAIR the circuit. CLEAR the DTCs. REPEAT the network test with the scan tool.

No
GO to Q4.

-------------------------------------------------
Q4 CHECK THE PAM GROUND CIRCUIT FOR AN OPEN


- Ignition OFF.
- Disconnect: Negative Battery Cable.
- Measure the resistance between the PAM C4014-4, circuit GD182 (BK/GY), harness side and ground.




- Is the resistance less than 5 ohms?

Yes
GO to Q5.

No
REPAIR the circuit. CONNECT the negative battery cable. CLEAR the DTCs. REPEAT the network test with the scan tool.

-------------------------------------------------
Q5 CHECK THE ISO 9141 CIRCUIT FOR A SHORT TO GROUND


- Measure the resistance between the DLC C251-7, circuit VDB10 (GY), harness side and ground.




- Is the resistance greater than 10,000 ohms?

Yes
GO to Q6.

No
REPAIR the circuit. CONNECT the negative battery cable. CLEAR the DTCs. REPEAT the network test with the scan tool.

-------------------------------------------------
Q6 CHECK THE ISO 9141 COMMUNICATIONS NETWORK CIRCUIT BETWEEN THE PAM AND THE DLC FOR AN OPEN


- Measure the resistance between the PAM C4014-8, circuit VDB10 (GY), harness side and the DLC C251-7, circuit VDB10 (GY), harness side.




- Is the resistance less than 5 ohms?

Yes
CONNECT the negative battery cable. GO to Q7.

No
REPAIR the circuit. CONNECT the negative battery cable. CLEAR the DTCs. REPEAT the network test with the scan tool.

-------------------------------------------------
Q7 CHECK FOR CORRECT PAM OPERATION


- Disconnect the PAM connector.
- Check for:
- corrosion
- damaged pins
- pushed-out pins
- Connect the PAM connector and make sure it seats correctly.
- Operate the system and verify the concern is still present.
- Is the concern still present?

Yes
INSTALL a new PAM. CLEAR the DTCs. REPEAT the network test with the scan tool.

No
The system is operating correctly at this time. The concern may have been caused by a loose or corroded connector. CLEAR the DTCs. REPEAT the network test with the scan tool.

-------------------------------------------------