Curiosii for ever!
: Car repair manuals for everyone.
Home
>>
Mercury Truck
>>
2009
>>
Mariner 2WD L4-2.5L Hybrid
>>
Repair and Diagnosis
>>
Diagrams
>>
Electrical Diagrams
>>
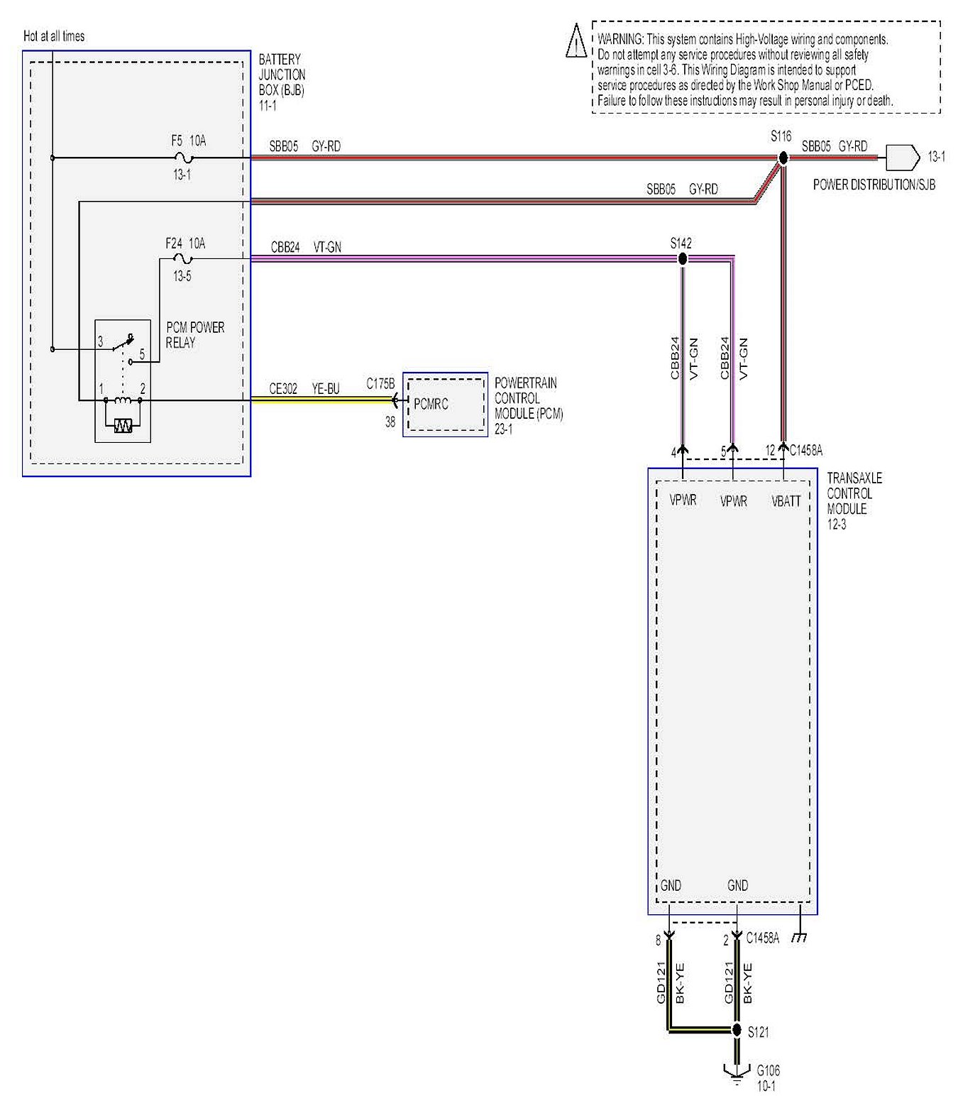
Continuously Variable Transmission/Transaxle, CVT
>>
Control Module, CVT
Control Module, CVT
Transaxle Control Module (TCM)
29-1:
29-2: