Curiosii for ever!
: Car repair manuals for everyone.
Home
>>
Mercury Truck
>>
2007
>>
Monterey V6-4.2L VIN 2
>>
Repair and Diagnosis
>>
Relays and Modules
>>
Relays and Modules - Body and Frame
>>
Power Trunk / Liftgate Control Module
>>
Locations
>>
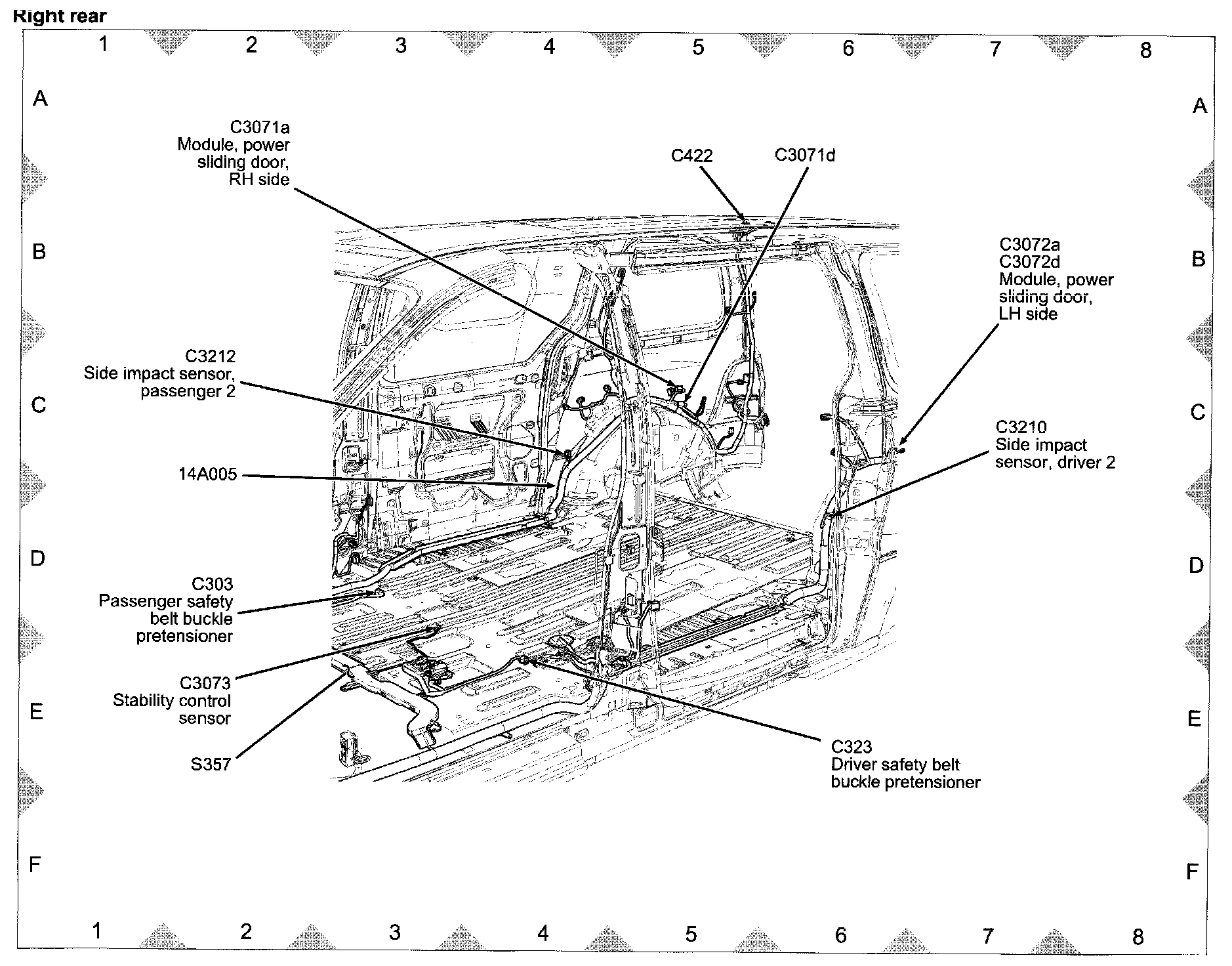
Module, Power Sliding Door, RH Side
Module, Power Sliding Door, RH Side
View 151-29 (Right Rear):