Curiosii for ever!: Car repair manuals for everyone.

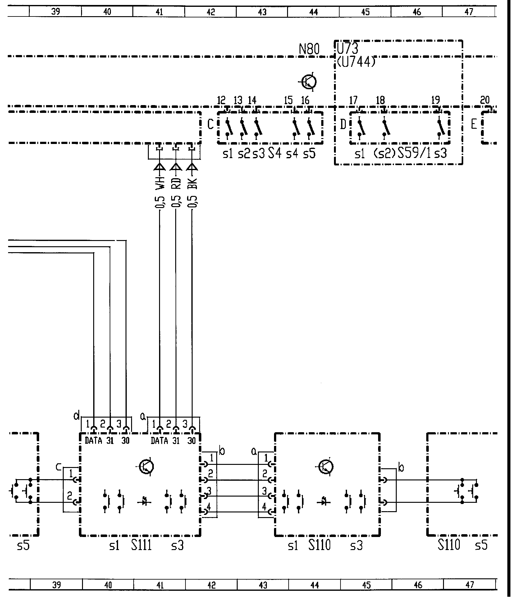
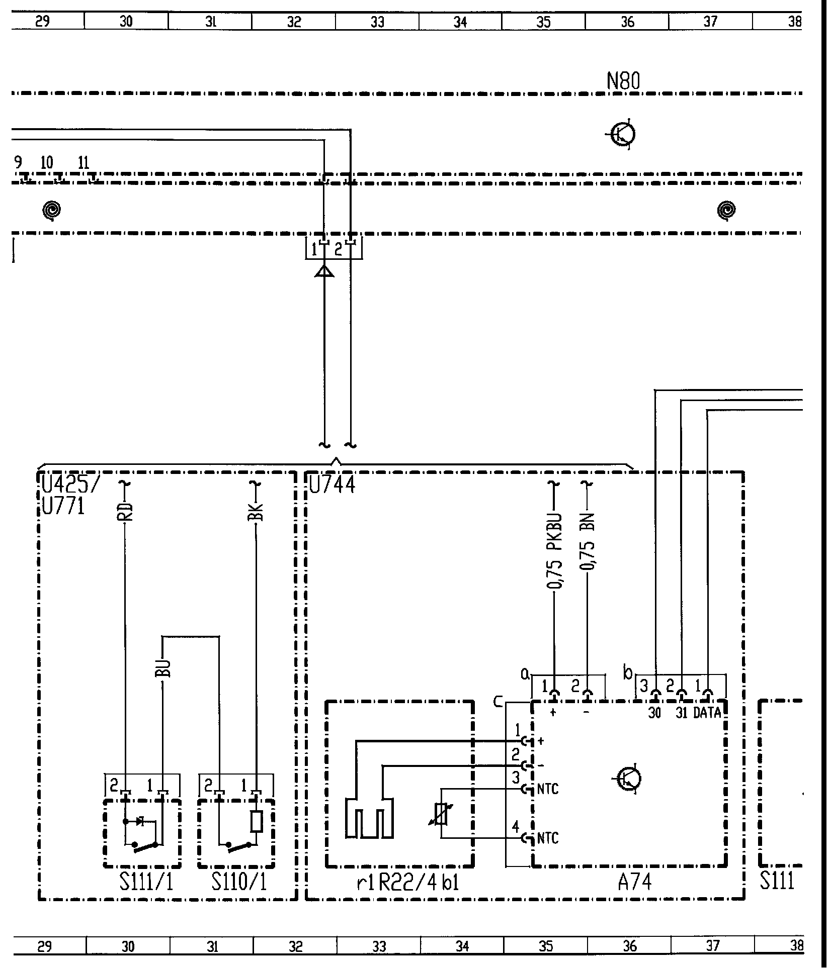
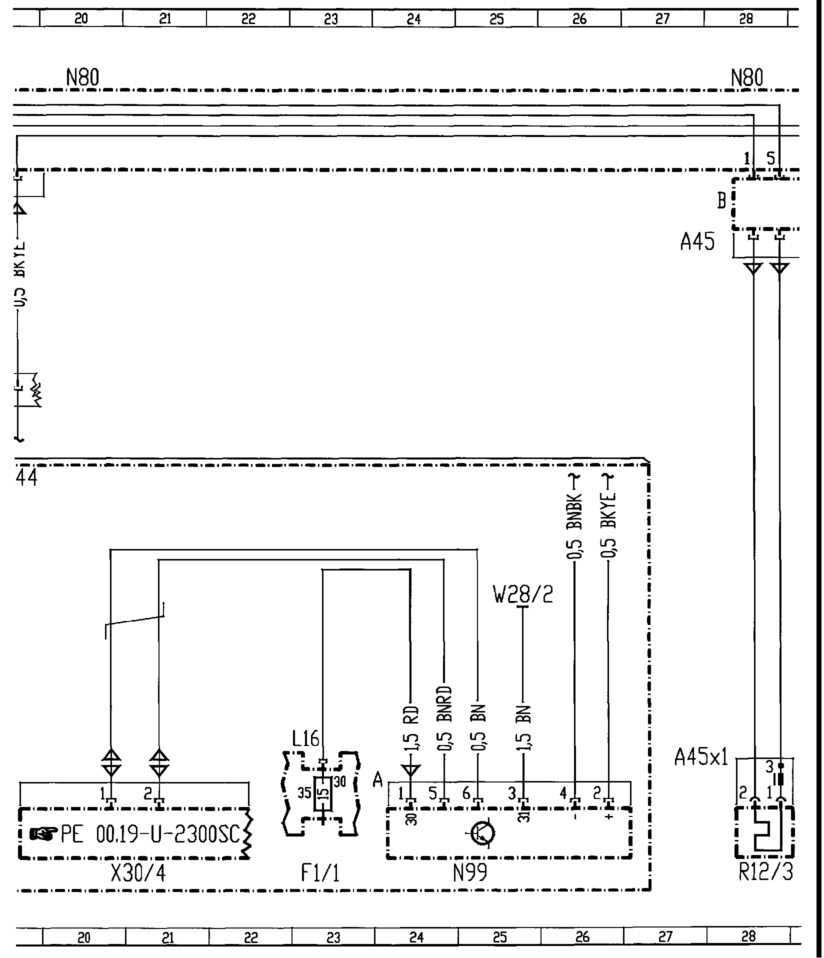
Steering Column Control Module



Electric Steering Column (ESC) Control Module PE46.10-U-2101SB
- with CODE (443) Steering wheel heater
- with Speed Shift, AMG
- Control module N80


Steering Column Module Control Module:






Steering Column Module Control Module:






Steering Column Module Control Module:






Steering Column Module Control Module:






Steering Column Module Control Module:






Steering Column Module Control Module:






Legend For Steering Column Module Control Module:






Component Locations: Component Location photographs can be found via their component names at the vehicle level. Component Locations