GF27.19-P-4012-02GA ETC Control Module, Task
GF27.19-P-4012-02GA ETC Control Module, Task
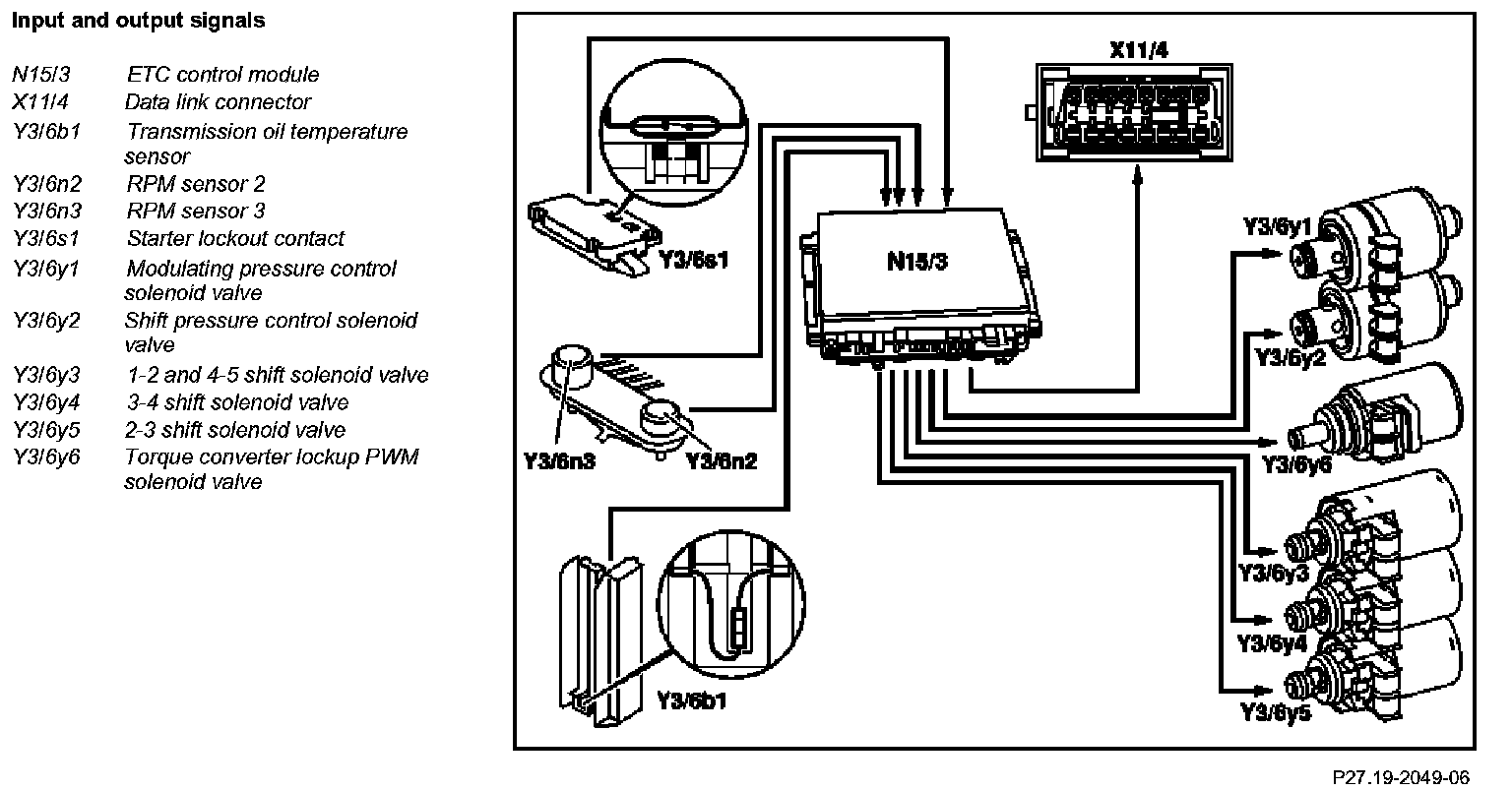
722.6 Transmission
Task
The ETC control module (N15/3) determines the instantaneous operating condition of the vehicle and controls all gearshift sequences taking into account the ease of shifting and the driving situation.
It receives operating data in the form of input signals from:
- Starter lock-out contact (Y3/6s1)
- Transmission oil temperature sensor (Y3/6b1)
- Rpm sensor 3 (Y3/6n3)
- Rpm sensor 2 (Y3/6n2)
In addition there is a connection via the engine compartment bus to the:
- Instrument cluster (A1)
- ME-SFI control module (N3/10) or CDI control module (N3/9)
- Electronic selector lever module control module (N15/5)
- Traction system control module (N47)
- for EIS control module (N73)
The ETC control module (N15/3) actuates the solenoid valves for the modulating and shift pressure and the gear change. Matched to the moment to be transmitted the required pressure levels are calculated from all the input signals.
The following information from other systems is then processed:
ME-SFI control module (N3/10) or CDI control module (N3/9)
- Engine torque
- Engine speed
- Accelerator pedal position
- Gear shift
- Engine status
- Kick-down (as of 01.06.02)
Electronic selector lever module control module (N15/5)
- Kick-down switch (S16/6) (up to 31.05.02)
- Selector lever position
- Transmission mode switch (S16/5)
Traction system control module (N47)
- Wheel speeds
- Gear shift
- Traction status
EIS [EZS] control module (N73)
The EIS [EZS] control module (N73) forms the gateway (link) between the engine compartment bus (CAN-C) and the passenger compartment bus (Can-B). The ETC control module EGS (N15/3) receives the following input signal via the EIS [EZS] control module (N73) from the AAC pushbutton control module (N22):
- A/C compressor torque
The following information is output to other systems:
Instrument cluster (A1)
- Selector lever position / shift range
- Mode selected on transmission mode switch (S16/5)
Traction system control module (N47)
- Transmission ratio
- Speeds
ME-SFI control module (N3/10) or CDI control module (N3/9)
- Kick-down switch (S16/6) (up to 31.05.02)
- Engaged drive mode
- Selector lever position P/N
(only on detection of the selector lever position "P" or "N" in the electronic selector lever module control module (N15/5) and at the starter interlock contact (Y3/6s1))