Curiosii for ever!: Car repair manuals for everyone.

Information Bus: Locations



Figure 1:






Figure 2:






Figure 3 - Front Windshield Wiper System (Model 210 Shown):






Figure 4 - Rear Window Wiper/Washer System (Model 210 Wagon Shown):






Figure 5 - Headlamp Cleaning System (HCS) Model 208, 210 (Model 210 Shown):






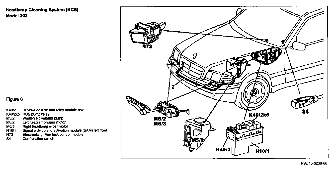
Figure 6 - Headlamp Cleaning System (HCS) Model 202:






Figure 7 - Interior Lighting Models 202, 210 Sedan, C208 (Model 210 Sedan Shown):






Figure 8 - Interior Lighting Model 208.4:






Figure 9 - Interior Lighting Model 210 Wagon Shown:






Figure 9 - Heated Rear Window Model 210 Sedan Shown:






Figure 10 - Heated Rear Window Model 208.4 Shown: