Curiosii for ever!: Car repair manuals for everyone.

Timing Chain Tensioner







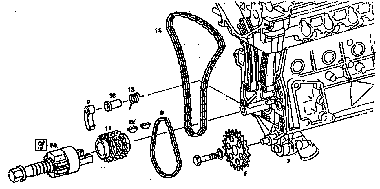
NOTE: Numbers in parentheses ( ) indicate a component or tool in the associated illustration.

Removal
1. Remove oil pan. Service and Repair
2. Remove timing case cover, refer to Lower Cover. Service and Repair
3. Unbolt oil pump drive gear (6)
- Note position of oil pump drive gear
.4. Remove oil pump. Service and Repair
5. Remove oil pump chain (8) and oil pump drive gear (6)
6. Pull off tensioning bow (9), bush (10) and spring (13)
7. Remove timing chain (14)
- Swivel tensioning rail to enable timing chain (14) to be removed from crankshaft sprocket (11).
8. Use puller (06) to pull off crankshaft gear (11)

NOTE: As of 01/95 a rubber impregnated crankshaft sprocket with tooth offset is installed

Installation
Install in the reverse order, noting the following:
- Align woodruff keys O2), heat crankshaft gear (11), if necessary, and push on

NOTE: As of 01/95 a rubber impregnated crankshaft sprocket with tooth offset is installed

- Pay attention to installation position of oil pump drive gear
- Tighten sprocket of oil pump to: 32 Nm