Curiosii for ever!: Car repair manuals for everyone.

Test Steps



Notes For Hydraulic Test:
The following lobs are the same for all test steps:
A. Connection of test equipment to hydraulic unit (Figure 3).
B. Test the hydraulic cylinders only at the piston's end position (prevents movement).
C. If the hydraulic lines need to be disconnected during pressure tests, the appropriate end position of the hydraulic cylinder must be first ensured.
D. All necessary hardtop positions can be achieved by pressing the retractable hardtop switch (S84) or by pulling the hardtop manually (Ignition: OFF).

In order to move the retractable hardtop manually, the emergency operation relief valve on the hydraulic unit must be open all the way to a stop position using the allen wrench provided with the vehicle, refer to "N" in Figure 3). The emergency operation relief valve must be then closed (tightening torque approx.: 3 Nm).

CAUTION:





NOTE:





If the hydraulic cylinders are without hydraulic pressure and the retractable hardtop switch (S84) is pressed towards back (open position), the retractable hardtop will open rapidly. This could cause damage to the hardtop itself and to the components in the trunk/storage area.

Releasing The Test Pressure.
If the retractable hardtop comes to the end position (open/stored or closed) by pressing the retractable hardtop switch, the hydraulic pressure must be released from the system before disconnecting any hydraulic lines. To achieve that, the ignition switch must be in the OFF position and the relief valve on the hydraulic unit ("N", Figure 3) must be open all the way to the stop position. The pressure should drop in a short time, as observed on the pressure gauge. Place a shop towel around the hydraulic lines to be disconnected to avoid hydraulic oil spills when removing hydraulic lines. Additionally the ports must be plugged off using the necessary plug. The removed hydraulic lines should be placed in a container as well.

CAUTION:
For plugging the entry ports on the hydraulic unit during the pressure tests, the plugs - part number 129 589 00 91 01 must be used.

To use the pressure gauge after setting the hardtop to the desired position at the test steps => 2.0, 3.0, 5.0, 5.1, 5.2, 7.0, 7.1, 8.0, 8.1, 8.2, 8.3, 8.4, the trunk lid must be open via trunk lid lock and the rotary latch moved (using a small screwdriver) to a locked position. Before closing the lid, the rotary latch open position must be restored by pressing the lock button.

If hydraulic components need to be replaced, the disconnected hydraulic lines must be plugged with plug 129 589 00 91 07, while the ports on hydraulic unit must be plugged Immediately using plug 129 589 00 91 11 to prevent the possible entry of dirt.

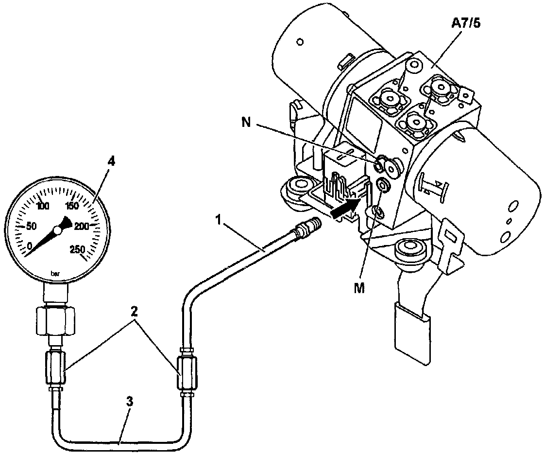
Connection Diagram - Pressure Gauge to Hydraulic Unit

Figure 3:





Adaptor kit 126589 14 21 00
1 Test pressure line M8 x 1 - M10 x 1, 350 mm long
2 Joint coupling connector
3 Test pressure line M8 x 1 M10 x 1, 3000 mm long
4 Pressure gauge
A7/5 Retractable hardtop hydraulic unit
M Testing port
N Emergency operation relief valve

Use Of Retainer
1 Place retainer (1) into catch (2) of the front lock,
2 Move retractable hardtop all the way until it is blocked by the retainer (1).
3 Carry out test step.

Figure 4:





1 Retainer 170 589 00 61 00
2 Catch

Latches For Tubular Frames In Trunk

Figure 5:





1 Tubular frame latch
2 Pull cable for emergency opening
3 Bowden cable for latch unlocking via hydraulic cylinder
4 Connection between hydraulic cylinder and bowden cable in the console

Locking On The C-pillar

Figure 6:





NOTE: View as seen from inside and from outside.

1 Slide
2 Eccentric catch
3 Bowden cable

Connection Diagram Of Retractable Hardtop (RH) Hydraulic Cylinders

Retractable Hardtop

Figure 7:





1/2 Left/right trunk lid actuation hydraulic cylinder
3/4 Left/right retractable hardtop actuation hydraulic cylinder
5 Front hydraulic cylinder lock
A7/5 Hydraulic unit
A Retractable hardtop hydraulic circuit
B Control pressure line

Hydraulic Circuit With Hydraulic Cylinders Shown (Retractable Hardtop Closed)

Figure 8:





1/2 Left/right trunk lid actuation hydraulic cylinder
3/4 Left/right retractable hardtop actuation hydraulic cylinder
5 Front hydraulic lock cylinder
A7/5 Hydraulic unit
y1 Retractable hardtop solenoid valve
y2 Trunk lid solenoid valve
A Retractable hardtop hydraulic circuit
B Control pressure line
C Return line
D Suction line

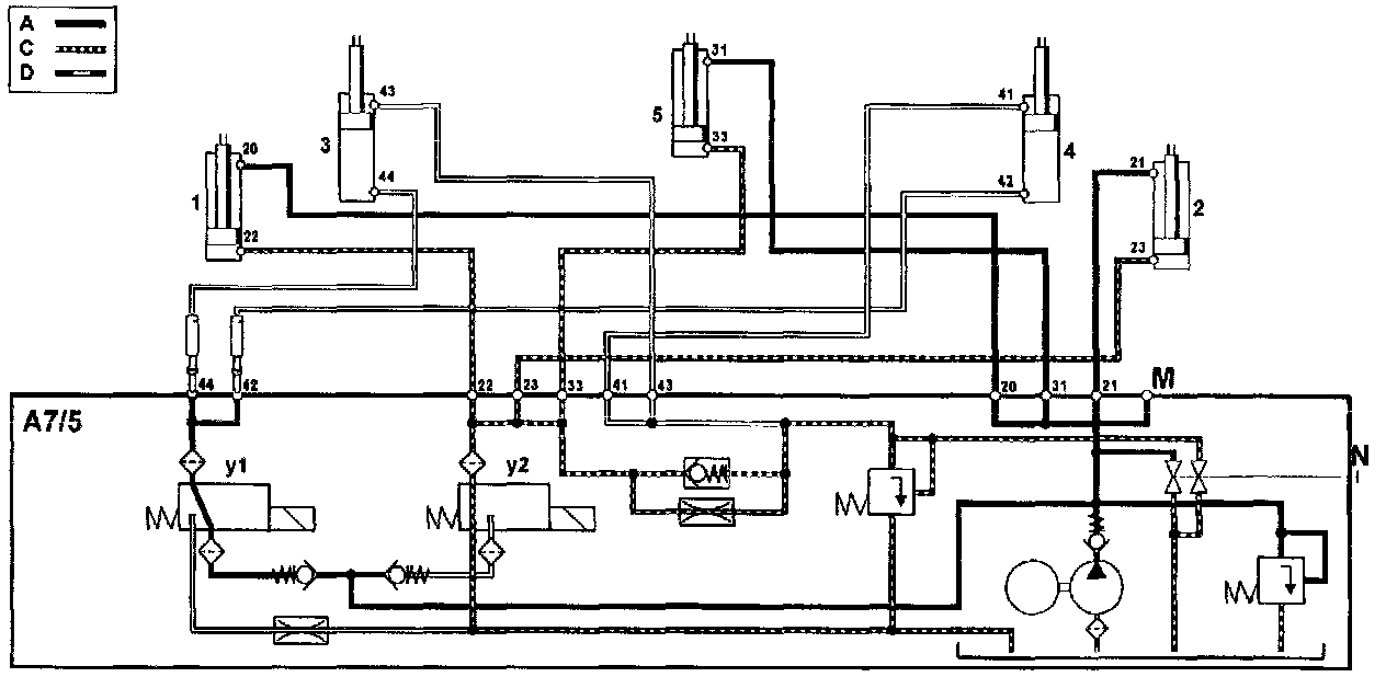
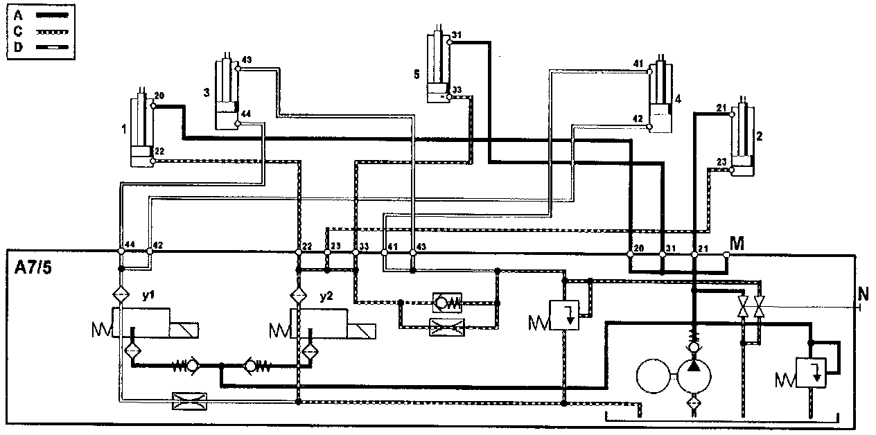
Figure 9:





A7/5 Hydraulic unit
1 Left trunk lid hydraulic cylinder
2 Right trunk lid hydraulic cylinder
3 Retractable hardtop, left actuation hydraulic cylinder
4 Retractable hardtop, right actuation hydraulic cylinder
5 Front hydraulic lock cylinder
A Retractable hardtop hydraulic circuit
C Return line
D Suction line
M Test (measuring) connection
N Emergency operation relief valve
y1 Retractable hardtop solenoid valve
y2 Trunk lid solenoid valve

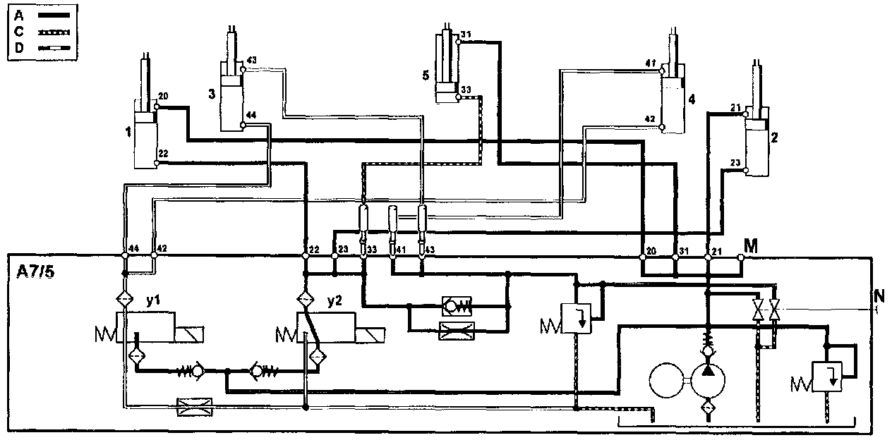
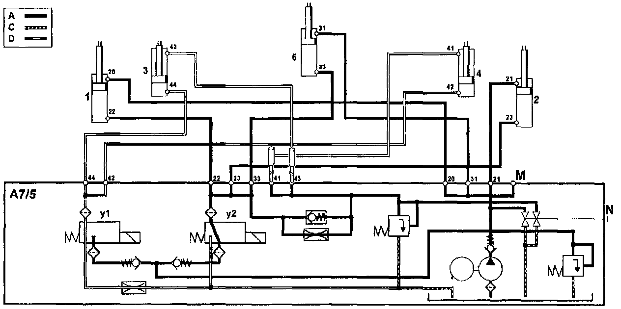
Test Steps 1.0:





Figure 10:





A7/5 Hydraulic unit
1 Left trunk lid hydraulic cylinder
2 Right trunk lid hydraulic cylinder
3 Retractable hardtop, left actuation hydraulic cylinder
4 Retractable hardtop, right actuation hydraulic cylinder
5 Front hydraulic lock cylinder
A Retractable hardtop hydraulic circuit
C Return line
D Suction line
M Test (measuring) connection
N Emergency operation relief valve
y1 Retractable hardtop solenoid valve
y2 Trunk lid solenoid valve

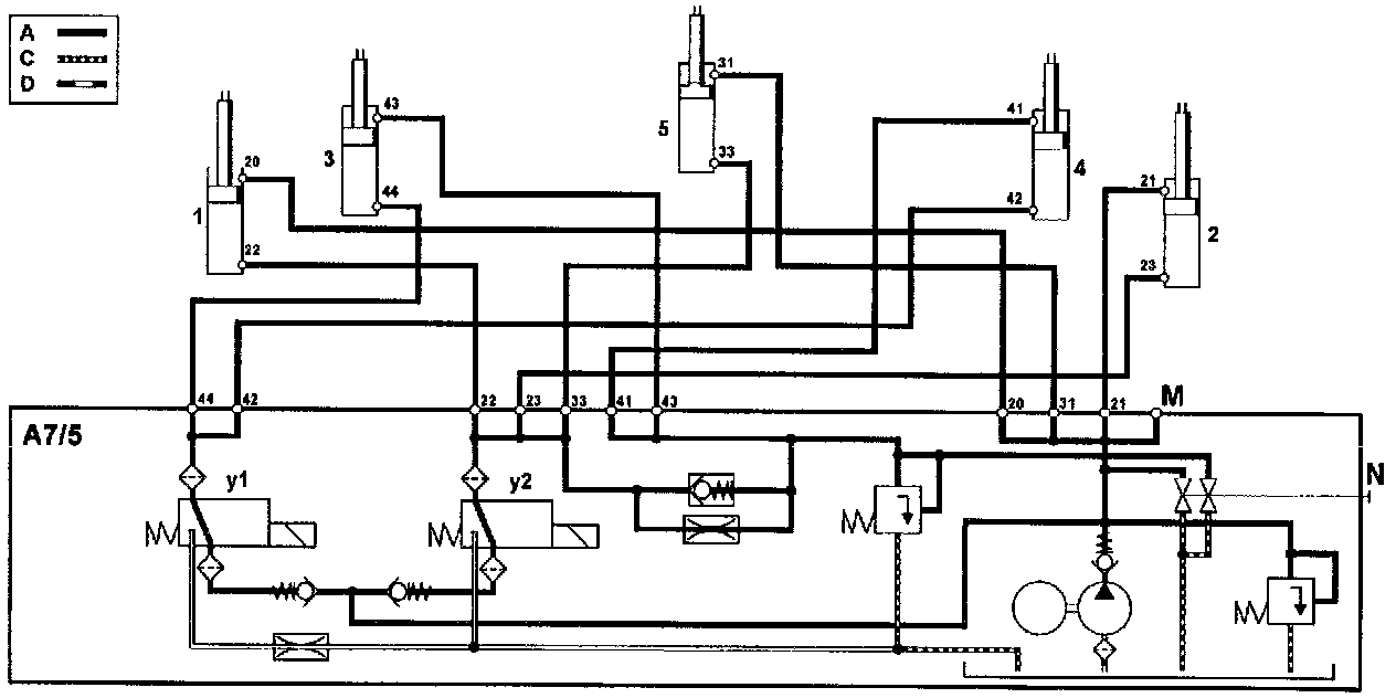
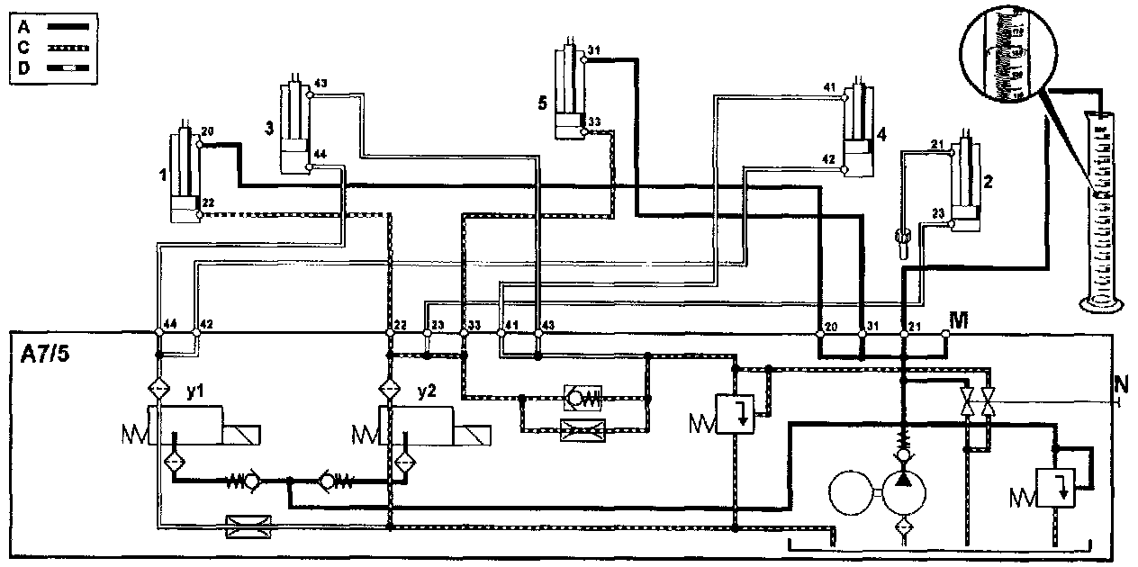
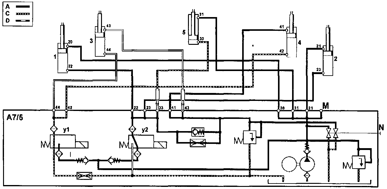
Test Step 2.0:





Figure 11:





A7/5 Hydraulic unit
1 Left trunk lid hydraulic cylinder
2 Right trunk lid hydraulic cylinder
3 Retractable hardtop, left actuation hydraulic cylinder
4 Retractable hardtop, right actuation hydraulic cylinder
5 Front hydraulic lock cylinder
A Retractable hardtop hydraulic circuit
C Return line
D Suction line
M Test (measuring) connection
N Emergency operation relief valve
y1 Retractable hardtop solenoid valve
y2 Trunk lid solenoid valve

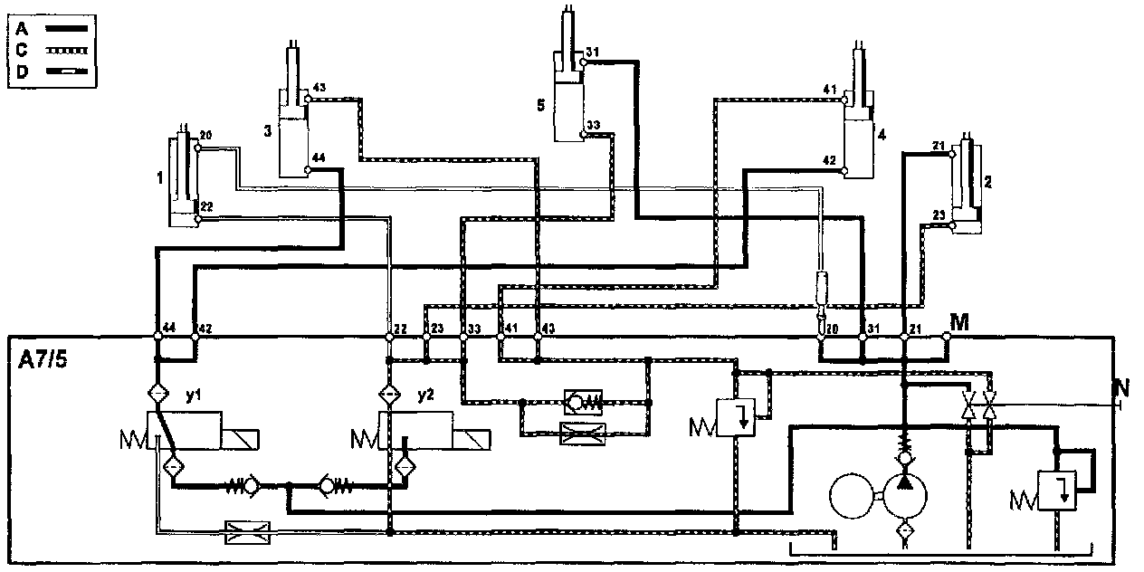
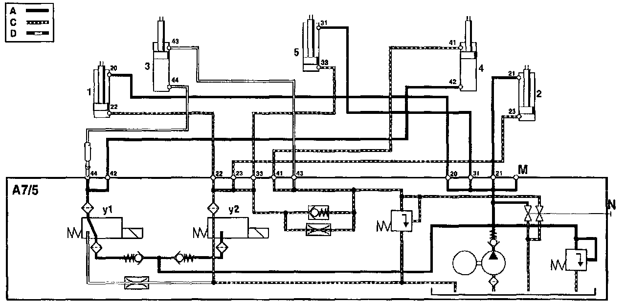
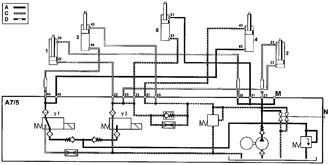
Test Step 3.0:





Figure 12:





A7/5 Hydraulic unit
1 Left trunk lid hydraulic cylinder
2 Right trunk lid hydraulic cylinder
3 Retractable hardtop. left actuation hydraulic cylinder
4 Retractable hardtop. right actuation hydraulic cylinder
5 Front hydraulic lock cylinder
A Retractable hardtop hydraulic circuit
C Return line
D Suction line
M Test (measuring) connection
N Emergency operation relief valve
y1 Retractable hardtop solenoid valve
y2 Trunk lid solenoid valve

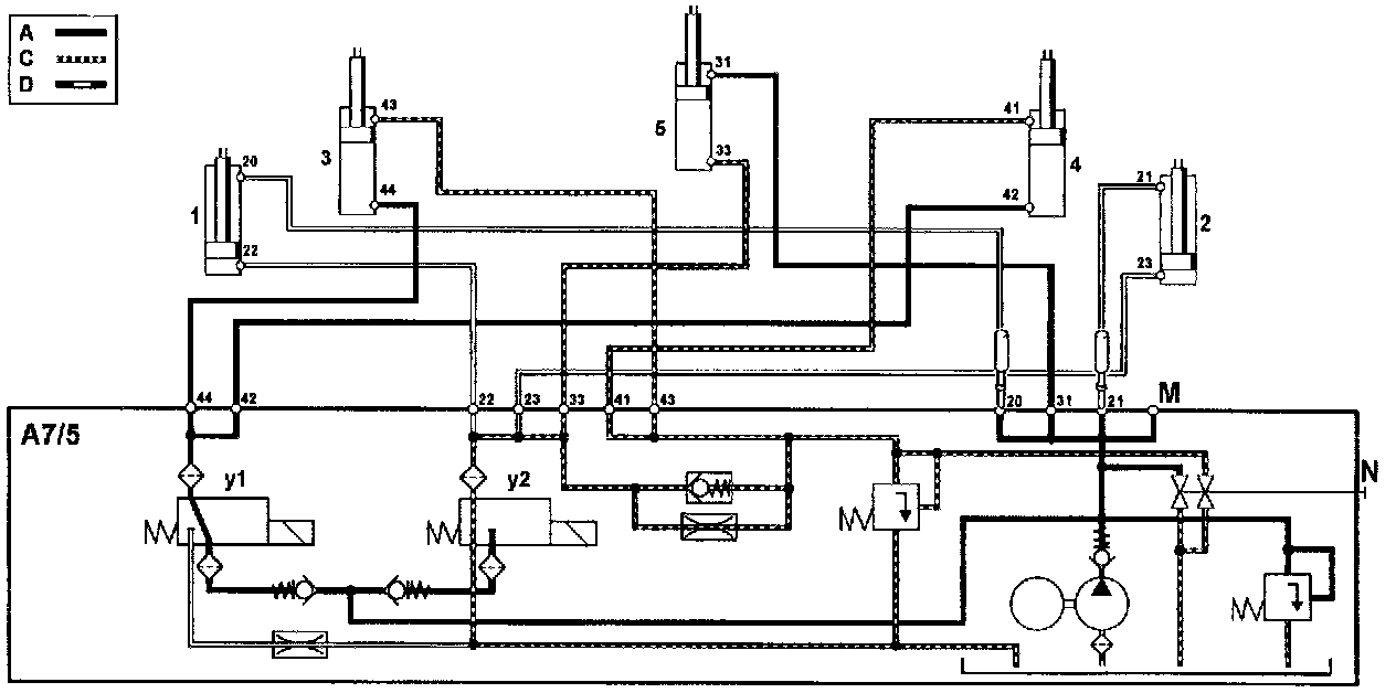
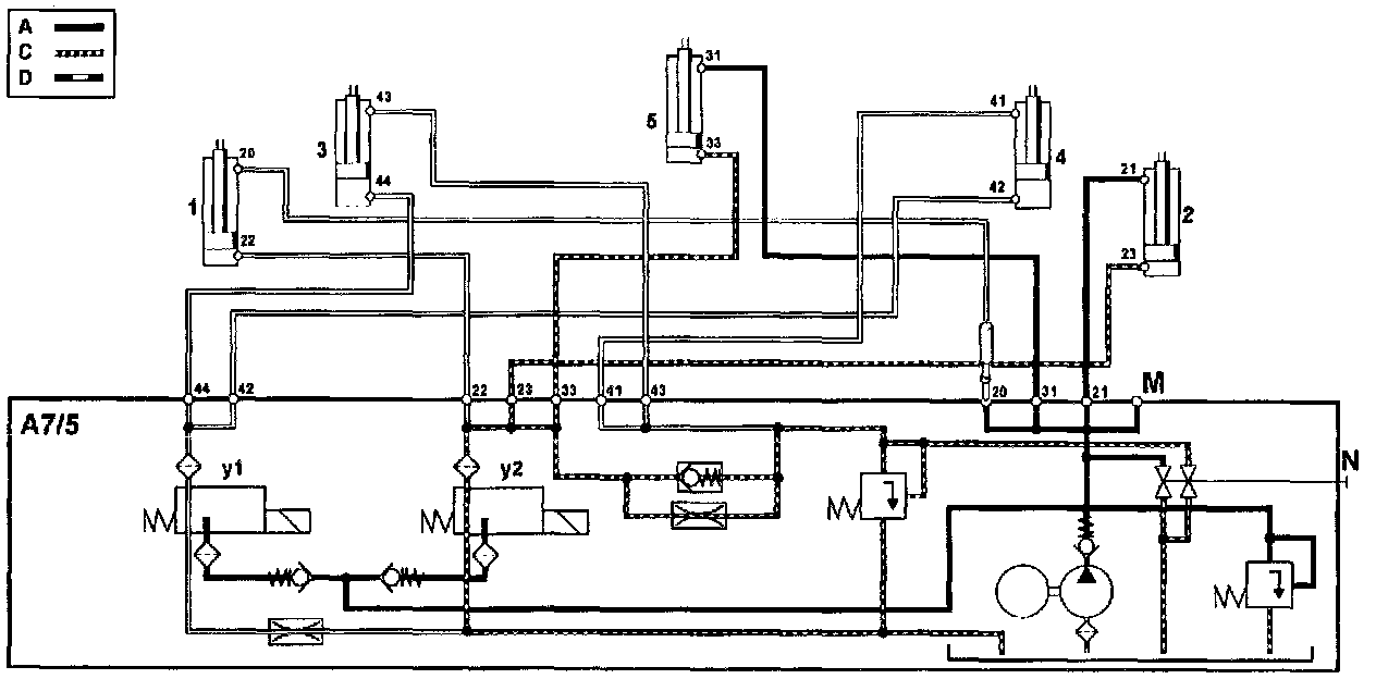
Test Step 4.0:





Figure 13:





A7/5 Hydraulic unit
1 Left trunk lid hydraulic cylinder
2 Right trunk lid hydraulic cylinder
3 Retractable hardtop, left actuation hydraulic cylinder
4 Retractable hardtop, right actuation hydraulic cylinder
5 Front hydraulic lock cylinder
A Retractable hardtop hydraulic circuit
C Return line
D Suction line
M Test (measuring) connection
N Emergency operation relief valve
y1 Retractable hardtop solenoid valve
y2 Trunk lid solenoid valve

Test Step 4.1:





Figure 14:





A7/5 Hydraulic unit
1 Left trunk lid hydraulic cylinder
2 Right trunk lid hydraulic cylinder
3 Retractable hardtop, left actuation hydraulic cylinder
4 Retractable hardtop, right actuation hydraulic cylinder
5 Front hydraulic lock cylinder
A Retractable hardtop hydraulic circuit
C Return line
D Suction line
M Test (measuring) connection
N Emergency operation relief valve
y1 Retractable hardtop solenoid valve
y2 Trunk lid solenoid valve

Test Step 4.2:





Figure 15:





A7/5 Hydraulic unit
1 Left trunk lid hydraulic cylinder
2 Right trunk lid hydraulic cylinder
3 Retractable hardtop, left actuation hydraulic cylinder
4 Retractable hardtop, right actuation hydraulic cylinder
5 Front hydraulic lock cylinder
A Retractable hardtop hydraulic circuit
C Return line
D Suction line
M Test (measuring) connection
N Emergency operation relief valve
y1 Retractable hardtop solenoid valve
y2 Trunk lid solenoid valve

Test Step 4.3:





Figure 16:





A7/5 Hydraulic unit
1 Left trunk lid hydraulic cylinder
2 Right trunk lid hydraulic cylinder
3 Retractable hardtop, left actuation hydraulic cylinder
4 Retractable hardtop, right actuation hydraulic cylinder
5 Front hydraulic lock cylinder
A Retractable hardtop hydraulic circuit
C Return line
D Suction line
M Test (measuring) connection
N Emergency operation relief valve
y1 Retractable hardtop solenoid valve
y2 Trunk lid solenoid valve

Test Step 5.0:





Figure 17:





A7/5 Hydraulic unit
1 Left trunk lid hydraulic cylinder
2 Right trunk lid hydraulic cylinder
3 Retractable hardtop, left actuation hydraulic cylinder
4 Retractable hardtop, right actuation hydraulic cylinder
5 Front hydraulic lock cylinder
A Retractable hardtop hydraulic circuit
C Return line
D Suction line
M Test (measuring) connection
N Emergency operation relief valve
y1 Retractable hardtop solenoid valve
y2 Trunk lid solenoid valve

Test Step 5.1:





Figure 18:





A7/5 Hydraulic unit
1 Left trunk lid hydraulic cylinder
2 Right trunk lid hydraulic cylinder
3 Retractable hardtop, left actuation hydraulic cylinder
4 Retractable hardtop, right actuation hydraulic cylinder 5 Front hydraulic lock cylinder
A Retractable hardtop hydraulic circuit
C Return line
D Suction line
M Test (measuring) connection
N Emergency operation relief valve
y1 Retractable hardtop solenoid valve
y2 Trunk lid solenoid valve

Test Step 5.2:





Figure 19:





A7/5 Hydraulic unit
1 Left trunk lid hydraulic cylinder
2 Right trunk lid hydraulic cylinder
3 Retractable hardtop, left actuation hydraulic cylinder
4 Retractable hardtop, right actuation hydraulic cylinder
5 Front hydraulic lock cylinder
A Retractable hardtop hydraulic circuit
C Return line
D Suction line
M Test (measuring) connection
N Emergency operation relief valve
y1 Retractable hardtop solenoid valve
y2 Trunk lid solenoid valve

Test Step 5.3:





Figure 20:





A7/5 Hydraulic unit
1 Left trunk lid hydraulic cylinder
2 Right trunk lid hydraulic cylinder
3 Retractable hardtop, left actuation hydraulic cylinder
4 Retractable hardtop, right actuation hydraulic cylinder
5 Front hydraulic lock cylinder
A Retractable hardtop hydraulic circuit
C Return line
D Suction line
M Test (measuring) connection
N Emergency operation relief valve
y1 Retractable hardtop solenoid valve
y2 Trunk lid solenoid valve

Test Step 6.0:





Figure 21:





A7/5 Hydraulic unit
1 Left trunk lid hydraulic cylinder
2 Right trunk lid hydraulic cylinder
3 Retractable hardtop, left actuation hydraulic cylinder
4 Retractable hardtop, right actuation hydraulic cylinder
5 Front hydraulic lock cylinder
A Retractable hardtop hydraulic circuit
C Return line
D Suction line
M Test (measuring) connection
N Emergency operation relief valve
y1 Retractable hardtop solenoid valve
y2 Trunk lid solenoid valve

Test Step 6.1:





Figure 22:





A7/5 Hydraulic unit
1 Left trunk lid hydraulic cylinder
2 Right trunk lid hydraulic cylinder
3 Retractable hardtop, left actuation hydraulic cylinder
4 Retractable hardtop, right actuation hydraulic cylinder
5 Front hydraulic lock cylinder
A Retractable hardtop hydraulic circuit
C Return line
D Suction line
M Test (measuring) connection
N Emergency operation relief valve
y1 Retractable hardtop solenoid valve
y2 Trunk lid solenoid valve

Test Step 7.0:





Figure 23:





A7/5 Hydraulic unit
1 Left trunk lid hydraulic cylinder
2 Right trunk lid hydraulic cylinder
3 Retractable hardtop, left actuation hydraulic cylinder
4 Retractable hardtop, right actuation hydraulic cylinder
5 Front hydraulic lock cylinder
A Retractable hardtop hydraulic circuit
C Return line
D Suction line
M Test (measuring) connection
N Emergency operation relief valve
y1 Retractable hardtop solenoid valve
y2 Trunk lid solenoid valve

Test Step 7.1:





Figure 24:





A7/5 Hydraulic unit
1 Left trunk lid hydraulic cylinder
2 Right trunk lid hydraulic cylinder
3 Retractable hardtop, left actuation hydraulic cylinder
4 Retractable hardtop, right actuation hydraulic cylinder
5 Front hydraulic lock cylinder
A Retractable hardtop hydraulic circuit
C Return line
D Suction line
M Test (measuring) connection
N Emergency operation relief valve
y1 Retractable hardtop solenoid valve
y2 Trunk lid solenoid valve

Test Step 7.2:





Figure 25:





A7/5 Hydraulic unit
1 Left trunk lid hydraulic cylinder
2 Right trunk lid hydraulic cylinder
3 Retractable hardtop, left actuation hydraulic cylinder
4 Retractable hardtop, right actuation hydraulic cylinder
5 Front hydraulic lock cylinder
A Retractable hardtop hydraulic circuit
C Return line
D Suction line
M Test (measuring) connection
N Emergency operation relief valve
y1 Retractable hardtop solenoid valve
y2 Trunk lid solenoid valve

Test Step 7.3: