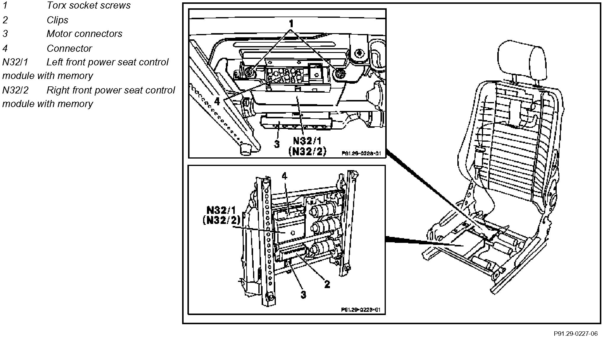
Power Seat Control Module: Service and Repair
AR91.29-P-0002F Replacing Power Seat Control Module With Memory
- with CODE (241) memory circuit for left front power seat
- with CODE (242a) memory circuit for right front power seat
- with CODE (275a) memory package (driver's seat, steering column, mirror)