Curiosii for ever!: Car repair manuals for everyone.

ASR V Control Mode, Function


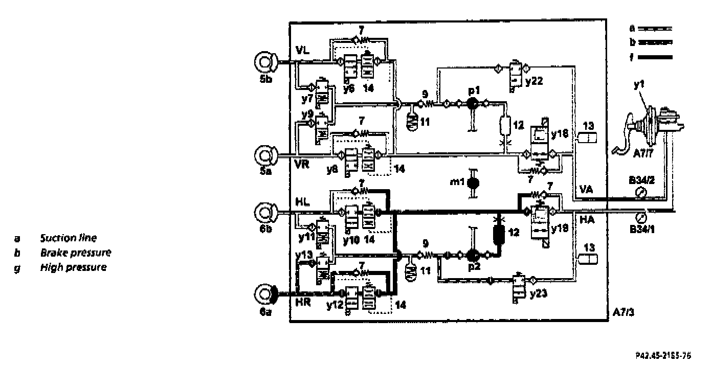
ASR Pressure Build-up Control Mode





The control process and valve positions shown in the example relate to the RR brake.
If one of the drive wheels tends to spin when starting off or accelerating, the ESP control module introduces the ASR pressure build-up control mode.
At the start of ASR control the switchover solenoid valve of the rear axle circuit (y19) is switched to the "shut-off position" (closed) and the high-pressured return pump (m1) is actuated.
The inlet solenoid valve (y23) is only opened during the pressure build-up phases, and the self-priming high-pressure/return pump (p2) draws brake fluid out of the reservoir via the inlet solenoid valve (y23) and via the master brake cylinder.

The pressure limiting valve (approx. 150 bar) integrated in the switchover solenoid valve (y19) serves to limit high pressure.

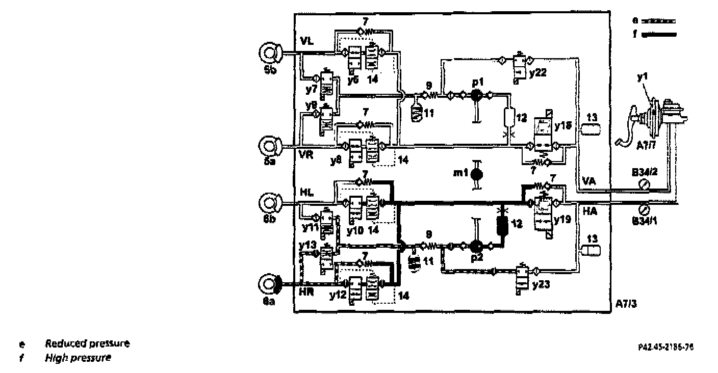
ASR Hold Pressure Control Mode





The control process and valve positions shown in the example relate to the RR brake.

The ASR hold pressure control mode starts if a more powerful brake intervention is no longer required to prevent drive slip.

The inlet solenoid valve (y23) and solenoid valve (y12) are closed. As a result the pressure in the brake caliper cannot be increased via the high-pressure/return pump (p2).

ASR Pressure Reduction Control Mode





The control process and valve positions shown in the example relate to the RR brake.
If the brake pressure required to prevent drive slip is too high, the ASR pressure reduction control mode starts.
The pressure reduction phase is introduced by opening the solenoid valve (y13). The solenoid valve (y12) remains closed.
The returning brake fluid flows back to the brake fluid reservoir via the high-pressure/return pump (p2) through the pressure limiting valve integrated in the switchover solenoid valve (y19) via the master brake cylinder.
The self-priming high-pressure/return pump (p2) is actuated in cycles during all these control phases (demand-dependent).

There are various silencing components (12, 13, 14) to further reduce noise.