Curiosii for ever!: Car repair manuals for everyone.

ABS Control Mode Function


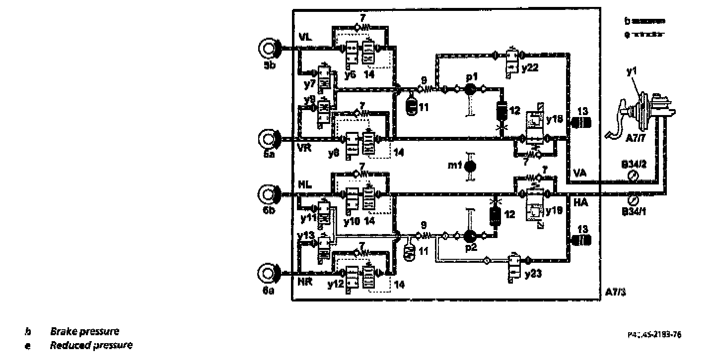
Braking Process In Normal Mode
ABS Pressure Build-up Control Mode





Every ABS control starts with a normal braking process which the driver performs via the brake pedal.

The ESP control module recognizes the braking process via decelerated wheel speeds.

The brake pressure is built up via the two switchover solenoid valves (y18 and y19) and the solenoid valves (y6, y8, y10 and y12). During an ABS control process this pressure build-up phase can take place individually at each wheel.

During a normal braking process, pressure is reduced via the same solenoid valves.

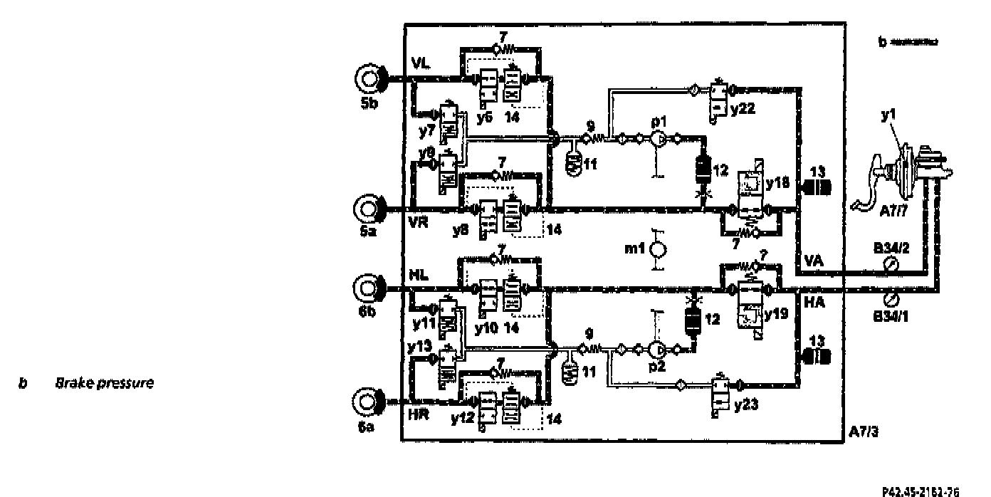
ABS Hold Pressure Control Mode





The control process and valve positions shown in the example relate to the FR brake.

If a wheel tends to lock during the braking process. ABS prevents a further build-up of pressure. The ESP control module introduces the hold pressure phase from the slip values of the braked wheels.

The hold pressure phase is initiated by actuating the solenoid valve (y8). The solenoid valves (y8 and y9) remain closed during this control phase, with the result that the pressure in the FR brake caliper remains constant.


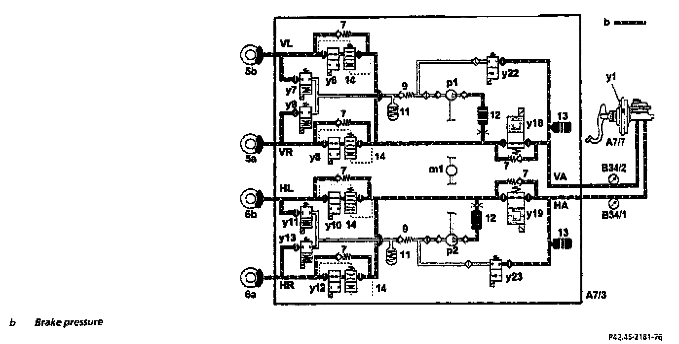
ABS Pressure Reduction Control Mode





The control process and valve positions shown in the example relate to the FR brake.

The ESP control module introduces the pressure reduction phase from the slip values of the braked wheels.
The pressure reduction phase is initiated by actuating (opening) the solenoid valve (y9). The solenoid valve (y8) remains actuated (closed) during this control phase.
During the pressure reduction phase brake fluid flows back into the high-pressure/return pump (p1) via the accumulator (11). From there the high-pressure/return pump in the front axle brake circuit delivers the brake fluid back to the master brake cylinder against the existing pressure.
There is a silencer (12) for each brake circuit to damp delivery noise.