Curiosii for ever!: Car repair manuals for everyone.

Part 1



PART 1 OF 2

NOTES FOR HYDRAULIC TEST:

The following jobs are the same for all test steps:
A. Connection of test equipment to hydraulic unit (Figure 4).
Torque check valve 129 589 08 63 00 to 5 Nm.
B. Build up and release test pressure (example),
C. Test hydraulic cylinder only at end position of piston (Observe soft top positions).
D. If hydraulic lines need to be disconnected from the valve blocks during pressure tests, the appropriate soft top position (end position of the hydraulic cylinder) must first be ensured.

Example: Building Up And Releasing Test Pressure.

Soft Top: => 1.0 to 16.0

Ignition ON:
Activate power soft top switch (toward lower if the soft top is down, toward raise if the soft top is up) for 5 seconds. Have a second technician disconnect relay (A7/5k1, Figure 4). Hold power soft top switch for 5 additional seconds. Read and record test pressure.

Release Test Pressure:
Briefly activate power soft top switch several more times.

CAUTION:
Release established test pressure before beginning the next test step.

WARNING:
Disconnected hydraulic lines should be held in a container (connect a transparent hose such as windshield washer hose).

Hydraulic components that leak should be replaced. During pressure tests, the valve block connections must be plugged with threaded plug 129 589 00 91 01.

If hydraulic components need to be replaced, the disconnected hydraulic lines must be plugged with plug 129 589 00 91 07, while the connections of valve blocks, hydraulic cylinders and hydraulic manifolds must be plugged immediately using plug 129 589 00 91 11 to prevent the possible entry of dirt.

Roll Bar: => 17.0 to 18.0

Ignition ON:
Activate RB switch (toward lower if the roll bar is lowered, toward raise if it is raised) for 5 seconds. Have a second technician disconnect relay (A7/5k1, Figure 4). Hold roll bar switch for 5 additional seconds. Read and record test pressure.

Release Test Pressure:
Briefly activate power soft top switch several more times.

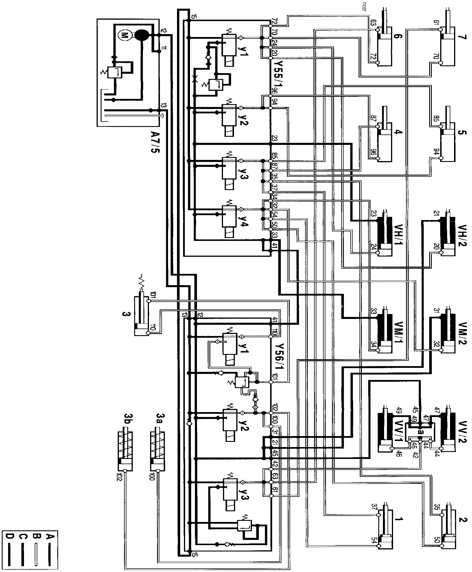
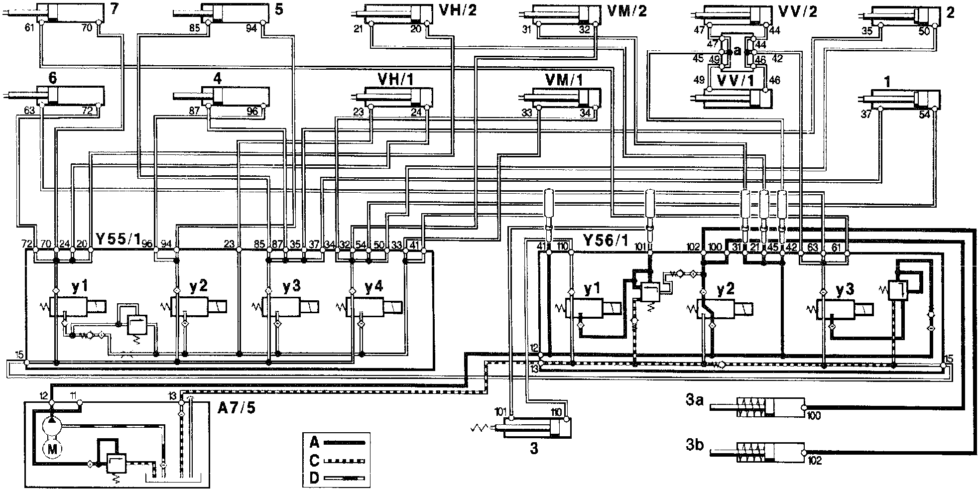
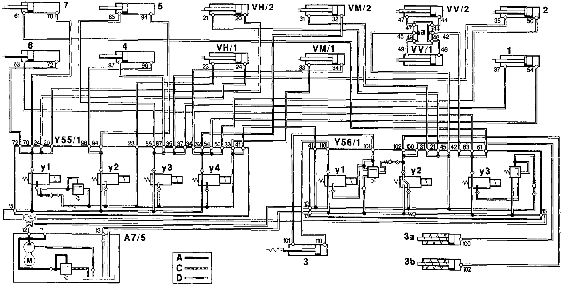
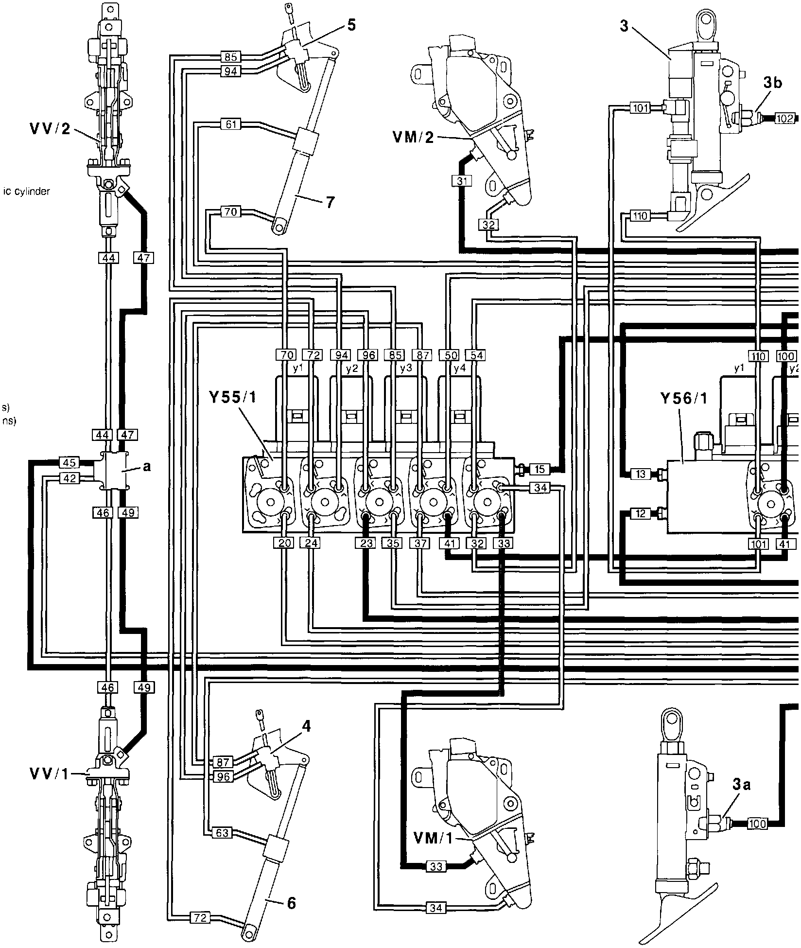
Y55/1 Left Power Soft Top Valve Block (4 connections)

Figure 2:





y1 Soft top "closed"/fabric bow lock "open" valve
y2 Fabric bow "closed" valve
y3 Fabric bow "open" soft top compartment cover "closed" valve
y4 Soft top compartment cover "open"/soft top compartment cover lock "open" valve

Y56/1 Right Power Soft Top Valve Block (3 connections)

Figure 3:





y1 Soft top "open"/front lock "open" valve
y2 Roll bar "lower" valve
y3 Roll bar "raise" valve

Connection Diagram - Check Valve And Pressure Gauge To Hydraulic Unit

Figure 4:





1 Check valve 129 589 08 63 00
Adaptor kit 129 589 14 21 00
2 Test pressure line
3 Connector piece
4 Pressure gauge
11 Test connection
12 Soft top/roll bar operation hydraulic line
13 Return line
A7/5 RST/RB hydraulic unit
A7/5k1 Relay

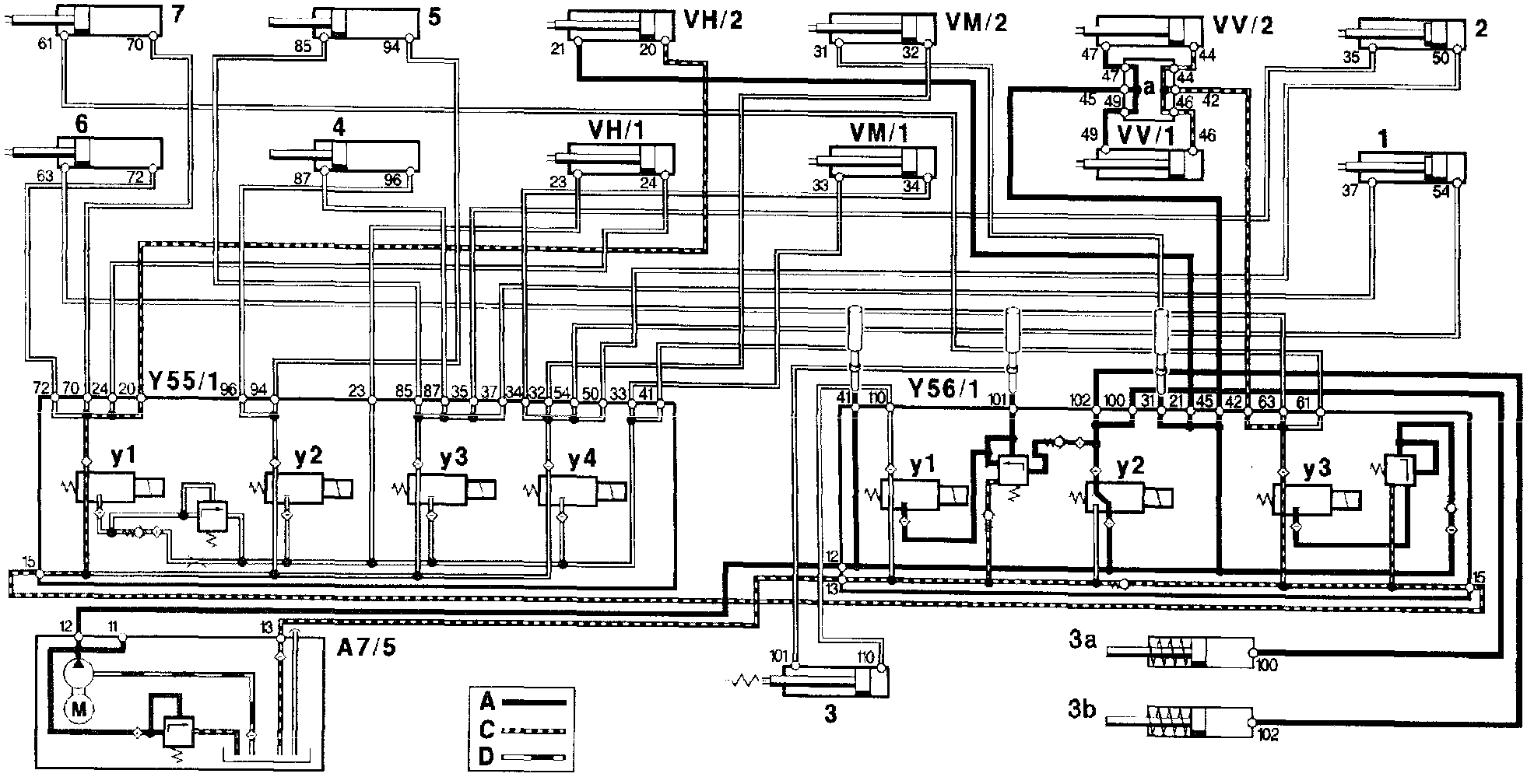
Soft Top/Roll Bar

�ڗ= Figure 5:





1/2 Left/right soft top compartment cover hydraulic cylinder
3 Right roll bar support element
3a/3b Left/right locking paw hydraulic cylinder
4/5 Left right fabric bow hydraulic cylinder
6/7 Left right power soft top hydraulic cylinder
A7/5 RST/RB hydraulic unit
A Soft top roll bar operation hydraulic circuit
B Pressure control lines
C Return flow lines
a Hydraulic manifold at A-pillar cross member
VV/1 Left front lock
VV/2 Right front lock
VM/1 Left center lock
VM/2 Right center lock
VH/1 Left rear lock
VH/2 Right rear lock
Y55/1 Left power soft top valve block (4 connections)
Y56/1 Right power soft top valve block (3 connections)

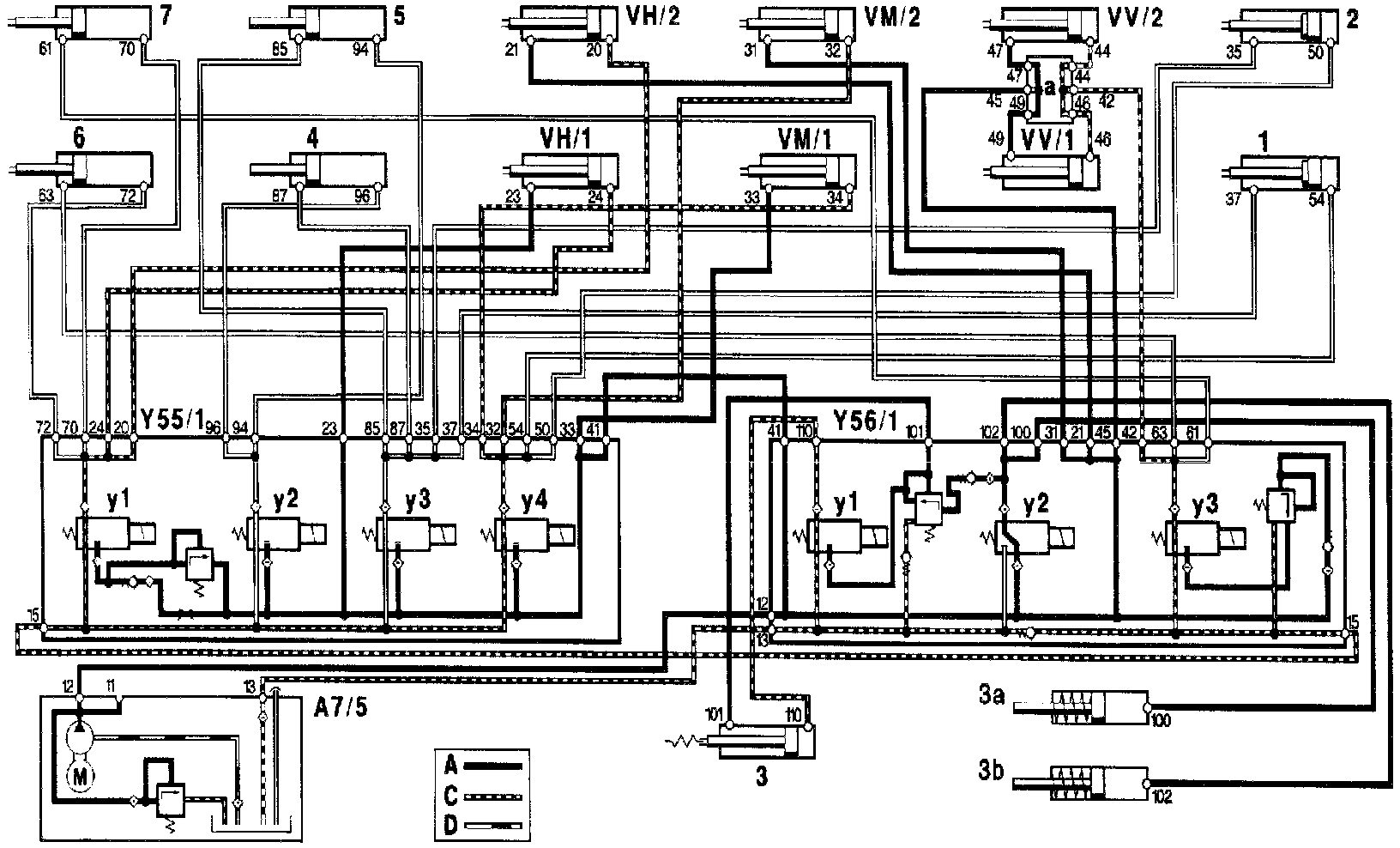
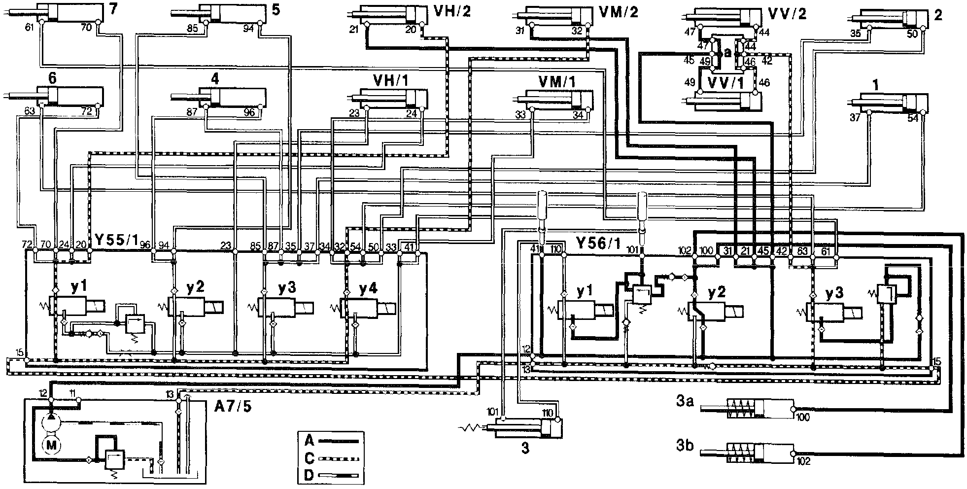
Hydraulic Circuit Schematic (Soft Top Closed, Roll Bar Lowered)

Soft Top/Roll Bar

Figure 6:





1/2 Left/right soft top compartment cover hydraulic cylinder
3 Right roll bar support element
3a/3b Left/right locking pawl hydraulic cylinder
4/5 Left/right fabric bow hydraulic cylinder
6/7 Left/right power soft top hydraulic cylinder
A7/5 RST/RB hydraulic unit
A Soft top roll bar operation hydraulic circuit
B Pressure control lines
C Return flow lines
D Suction line
a Hydraulic manifold at A-pillar cross member
VV/1 Left front lock
VV/2 Right front lock
VM/2 Left center lock
VM/2 Right center lock
VH/1 Left rear lock
VH/2 Right rear lock
Y55 1 Left power soft top valve block (4 connections)
Y56 1 Right power soft top valve block (3 connections)

Figure 7:





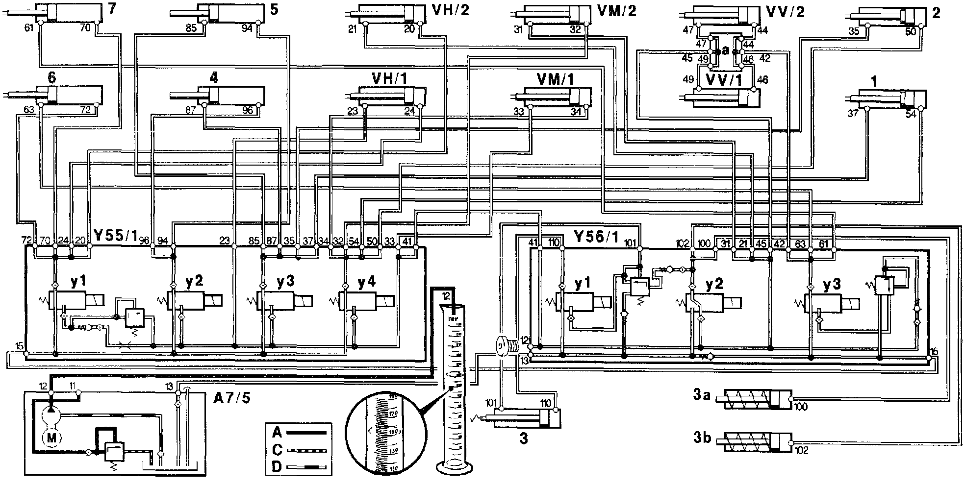
Test Step 1.0:





Figure 8:





Test Step 2.0:





Figure 9:





Test Step 3.0:





Figure 10:





Test Step 4.0:





Figure 11:





Test Step 4.1:





Figure 12:





Test Step 4.2:





Figure 13:





Test Step 4.3:





Figure 14:





Test Step 4.4:





GO TO PART 2