Curiosii for ever!
: Car repair manuals for everyone.
Home
>>
Mercedes Benz
>>
1991
>>
300SE (126.024) L6-3.0L (103.981)
>>
Repair and Diagnosis
>>
Powertrain Management
>>
Computers and Control Systems
>>
Relays and Modules - Computers and Control Systems
>>
Idle/Throttle Speed Control Unit
>>
Diagrams
>>
Electrical Diagrams
Electrical Diagrams
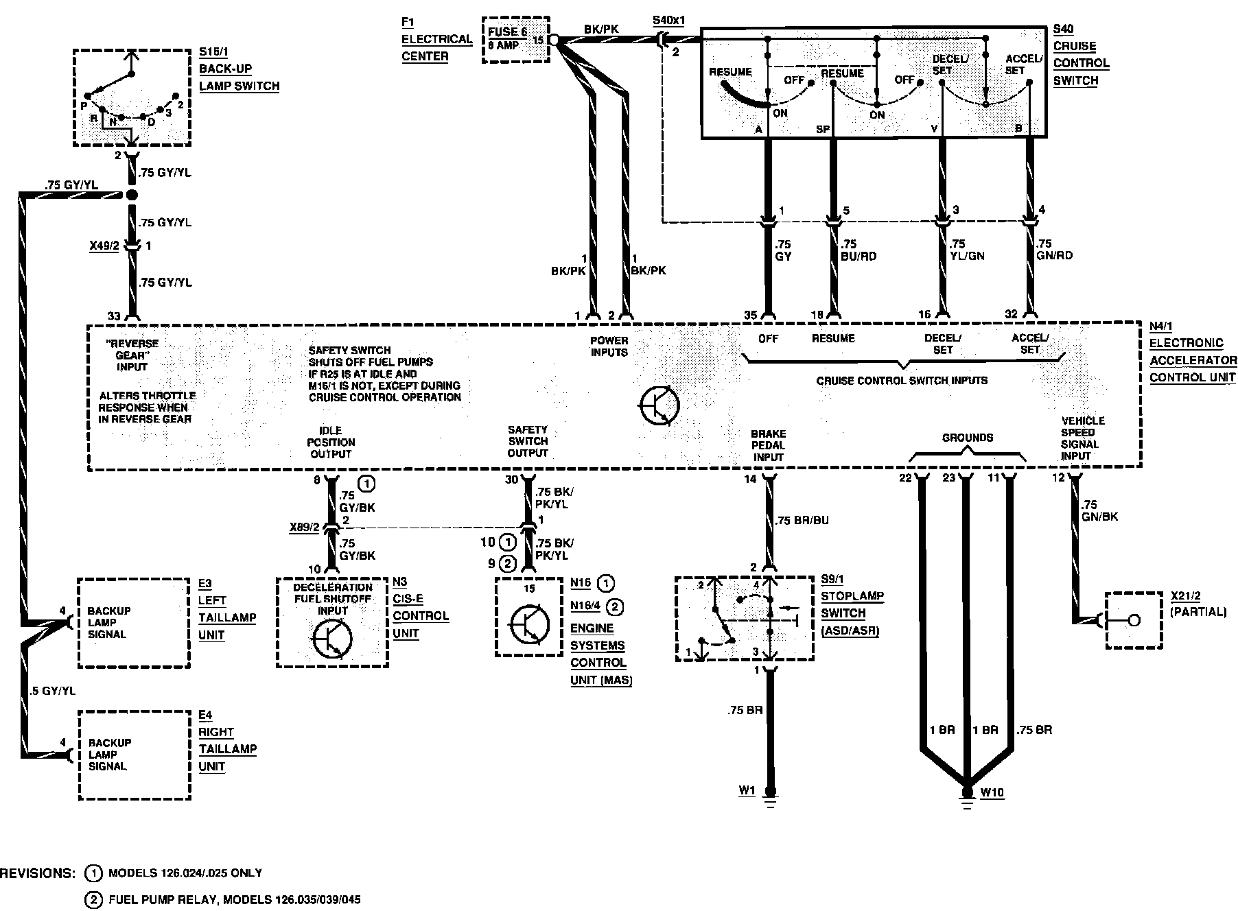
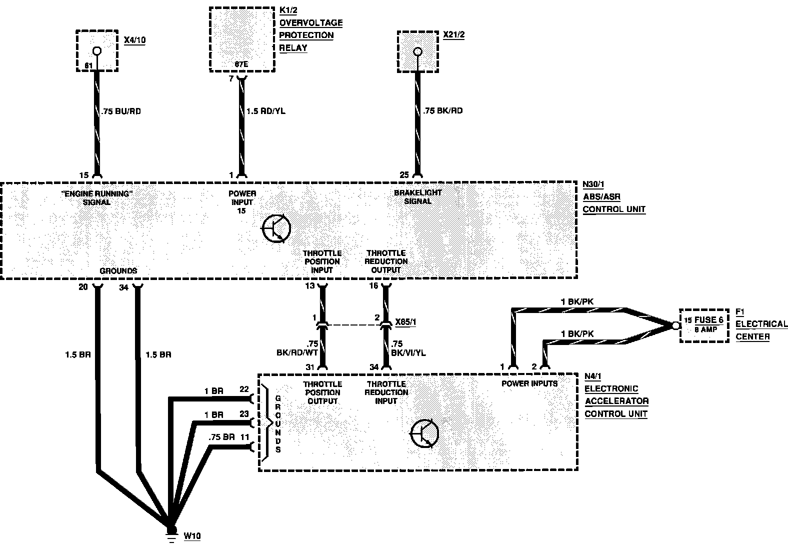
Acceleration Slip Control (ASR) & Anti-Lock Brake System (ABS) & Electronic Accelerator System:
Electronic Accelerator System:
Electronic Accelerator System: