Curiosii for ever!: Car repair manuals for everyone.

Lambda Control Test


Test Data
On-Off Ratio
- Test on-off ratio at 2,500 rpm and record the mean value. The mean value at idle speed should be between 5 and 15 higher than at 2,500 rpm.





Special Tools

On-board Diagnostic Readout Via On-off Ratio Tester
Various components of the CIS-E injection system are checked via the microprocessor in the CIS-E control unit. The failure codes are transmitted via the lambda measuring circuit of the diagnostic socket and are shown on the on-off ratio tester. The fixed on-off ratio indicates possible malfunctions. The following table lists the relationship between the fixed on-off ratio, the cause of the failure and the respective tests to be performed.

NOTE: The CIS-E control unit with on-board diagnostic readout was not installed in early 1986 vehicles. CIS-E control units identified by manufacturing date codes from 548 and later contain the built-in failure code feature.

Detection of vehicles without the failure code feature is performed as follows:
- Install on-off ratio tester.
- Turn ignition "ON".
Needle indication CIS-E control unit
70% With failure code feature
100% Without failure code feature





N3 CIS-E control unit
P On-off ratio tester
X11 Diagnostic socket

Test:





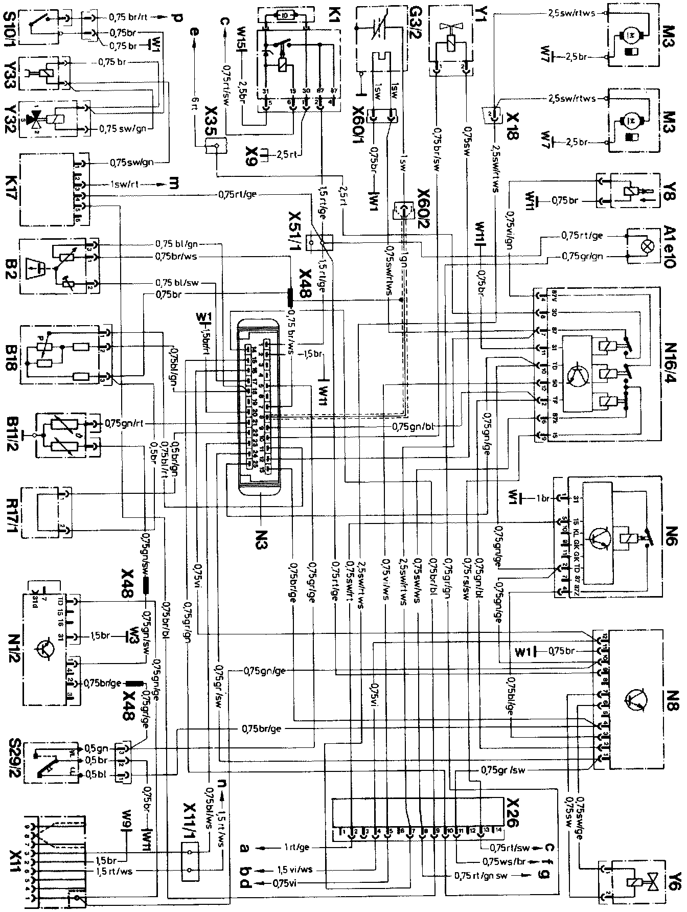
Fig. 1:









Wiring Diagram, CIS-E Gasoline Injection System:





A1e10 Indicator lamp, O2-sensor
B2 Air flow sensor position indicator
B11/2 Coolant temperature sensor
B16 Altitude Correction capsule
G3/2 O2-sensor, heated
K1 Overvoltage protection relay
K17 Air injection relay
M3 Fuel pump
N1/2 Ignition control module (ELZ)
N3 CIS-E control unit (25 pin connector)
N6 A/C Compressor cut-out control unit
N8 Idle speed control unit
N10/4 Fuel pump relay
B17/1 Bridge CIS-E
S10/1 Brake pad wear contact, left front
S29/2 Throttle valve switch, idle and full load contacts
W1 Main ground. right front interior crossmember
W3 Ground, wheelhouse left front (at ignition coil)
W7 Ground, in trunk on right wheelhousing
W9 Ground, left front at head lamp unit
W10 Ground, battery
W11 Ground, engine (electric wire connection)
W15 Ground, electronic control units (right footwell)
X9 Plug connection (1-pin), circuit 30
X11 Diagnostic socket/wire connector, terminal TD
X11/1 Plug connection, diagnostic socket (2-pin)
X16 Plug connection, tail lamp harness
X26 Plug connection, engine harness
X35 Terminal block, circuit 30/circuit 61 (battery)
X46 Solder terminal in wiring harness
X56 Plug connection, throttle valve switch
X51/1 Terminal block, circuits 87 and 30
X60/1 Plug connection, O2-sensor heating coil
X60/2 Plug connection, 02-sensor signal
Y1 Electrohydraulic actuator
Y6 Idle speed air valve
Y6 Cold Start valve
Y32 Switchover valve, air injection
Y33 Electro-magnetic clutch, air pump

a to ignition coil. circuit 15, fuse 6
b to ignition switch, circuit 50
c to fuse 7, circuit 15
d to plug connection, starter wiring harness terminal 2
e to wire connector, circuit 30 (fuse and relay box)
f to plug connection, electronic speedometer
g to starter lockout/back-up light switch, terminal 7
m to fuse box, circuit 15
n to fuse 12, circuit 30 (not fused)
p Plug connection, instrument cluster, terminal 7 (16-pin)