Curiosii for ever!: Car repair manuals for everyone.

Repair Notes For Reconditioned Transmission





Repair note for reconditioned transmission:

Phased in as of 06/94, the bore for mounting the piston B2 is reworked after reaching the wear limit. As a result a modified sealing ring with a larger diameter is required for the piston B2.

The housing is identified by engraving "0 76" on it.

Note:
Only the modified sealing rings must be installed when repairing reconditioned transmissions, with housings which are identified with the diameter specification (76).






124. Introduce brake band piston B2 (15), ensuring that thrust pin (26) engages in the brake band.






125. Press in brake band piston cover B2 (17) and insert retaining ring (23).






126. Measuring and adjusting play "L" at brake band B2.

Press brake band B2 (27) at supporting tab towards the brake band piston (in direction of arrow) so that brake band piston is resting against brake band piston cover.

Using a calliper gauge, measure dimension "a" at brake band.






127. Likewise press brake band B2 at the supporting tab towards the thrust body (in direction of arrow).

Measure dimension "b".

The difference between the two measurements produces the play "L".

Set play "L" to 5.5 - 6 mm by replacing thrust pin at brake band piston B2.






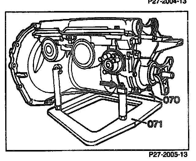
128. Insert brake band guide B2 (101), one-way valve (49), locating pin (135), temperature inductor (117) and oil defector piece (119) into transmission housing.






129. Assemble bottom cover (13) with intermediate plate (14).

130. Fit on bottom cover (13) with intermediate plate (14), ensuring that oil pipe (9) is introduced into the hole (arrow).






131. Center intermediate plate (14) with two bolts (7).

132. Insert bolt-and-washer assemblies (8) and tighten to 8 Nm.

133. Fit on detent spring (142) with bracket (141) and tighten hexagon bolt (140) to 8 Nm.






134. Check play "a" between locking piston (122) and stop on resilient linkage (82); adjust if necessary.

The play "a" is set to 0.4 - 1.0 mm in position "N" by means of a plastic clip (118). The plastic clip is available in three thicknesses.






135. Fit on control valve body (A), ensuring that range selector valve (Al) engages in driver on the detent plate (arrow).






136. Insert bolts (7) and tighten to 8 Nm.

Note:
Pay attention to bolt length. The three bolts identified as item 7a are only 50 mm long. the other 12 bolts are 55 mm long.






137. Fit on oil fitter (5), tighten screws (6) to 4 Nm.






138. On vehicle: with selector program:
Attach control pressure cable with vacuum element to connecting rod (110), insert limiting rod (111) into hole (arrow) and insert control pressure cable.

139. Turn control pressure cable until the lock engages.






140. On vehicles without selector program:
Attach control pressure cable (98) into connecting rod (100). Check O-ring (110) and replace if necessary.







141. Press plastic sleeve (111) of control pressure cable into the housing. Turn plastic sleeve clockwise until tab (arrow) engages in the housing.






142. On vehicles with selector program and shift point retard:
Attach control pressure cable and secure with the locking tab.






143. Fit on oil sump (3), tighten hexagon bolts (4) to 8 Nm.






144. Remove bolt (arrow) and lift transmission out of assembly pedestal.

After installing, check transmission for signs of leaks. Also check modulating block, adjusting if necessary.