Curiosii for ever!: Car repair manuals for everyone.

Ignition System Test





Test Values:





Conventional Tools
^ Digital multimeter (volt-ohm-ammeter) - e.g. Sun Electric DMM-5
^ Dwell angle meter - e.g. Sun Electric





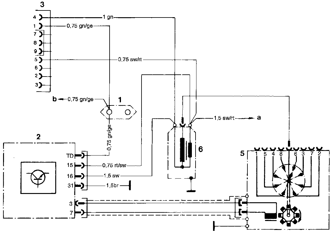
Wiring Diagram
Wiring diagram breakerless transistorized ignition without series resistors:
1. Line connector
2. Switching unit
3. Diagnostic socket
5. Ignition distributor
6. Ignition coil
a) to fuse box, input terminal 15
b) to fuel pump relay with speed limitation

Color Code
br = brown
ge = yellow
gn = green
rt = red
sw = black

Test Procedure:





Fig. 1:





Fig. 2:





Fig. 3:





Fig. 4:





Fig. 5:





Fig. 6:





Fig. 7:





Fig. 8: