Curiosii for ever!: Car repair manuals for everyone.

Fuel Pump Relay Test



Test Values
^ Engine Speed - 5300 ±50

Conventional Tools
^ Digital multimeter e.g. Sun Electric DMM-5
^ Tachometer e.g. Sun Electric

Self Made Tools

Contact bridge:




Materials :
^ 2.5 mm2 (12 AWG) electrical wire
^ 2 Single pole plugs
^ Part No. 004 545 84 28

Test Condition:
^ Battery charged at least 60%.

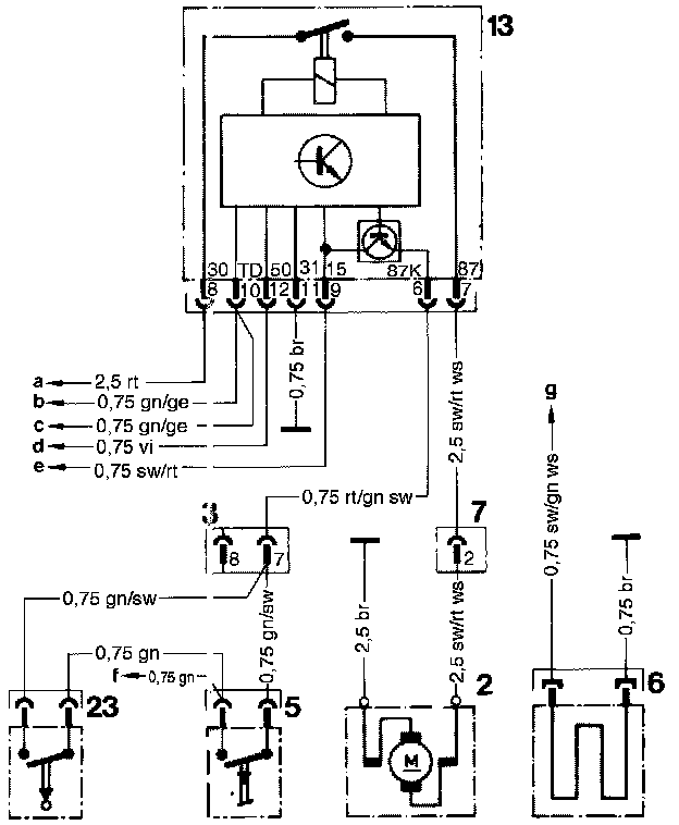
Wiring Diagram





2. Fuel pump
3. Connector, 8 pin
5. Kickdown switch
6. Warm-up compensator
7. Connector, tail lamp harness
13. Fuel pump relay
23. Switch, selector lever position "B"

a) Terminal circuit 30
b) Terminal block, terminal TD
c) Electronic idle speed control unit
d) Terminal block engine, terminal 50
e) Fuse box, circuit 15
f) Solenoid valve, automatic transmission
g) Fuel pump relay, terminal 7

Wire Color Codes
br = brown
ge = yellow
gn = green
rt = red
sw = black
vi = purple
ws = white

�,Test Procedure:





Fig. 1:





Fig. 2:





Fig. 3:





Fig. 4:





Fig. 5:





Fig. 6: