Curiosii for ever!
: Car repair manuals for everyone.
Home
>>
Mazda
>>
2012
>>
Mazdaspeed3 L4-2.3L Turbo
>>
Repair and Diagnosis
>>
Powertrain Management
>>
Computers and Control Systems
>>
Testing and Inspection
>>
Scan Tool Testing and Procedures
>>
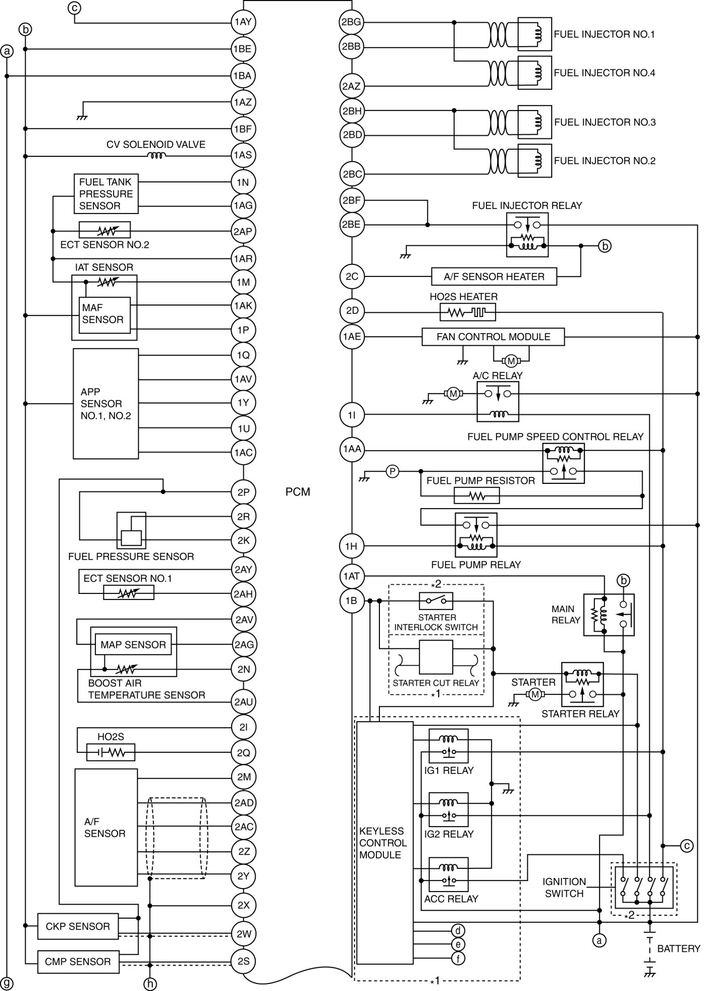
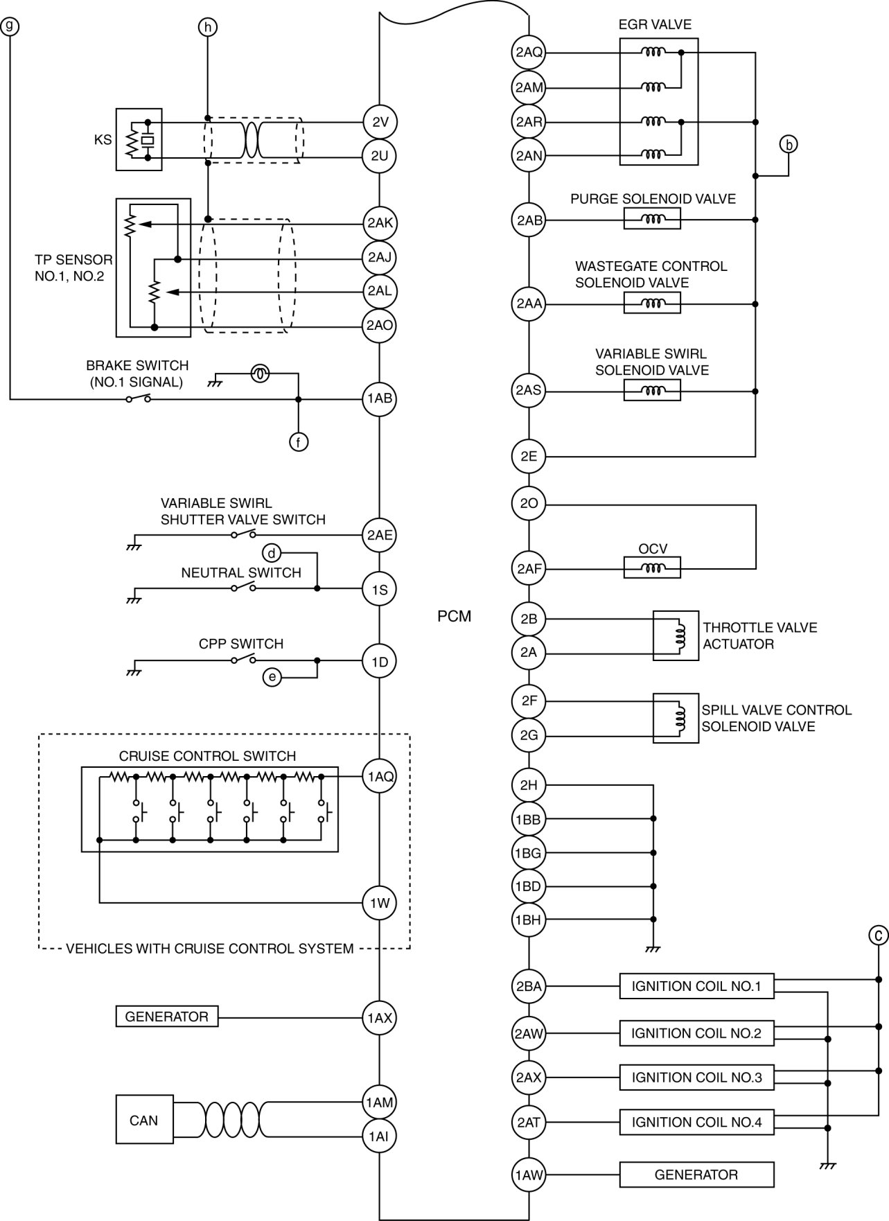
On-Board Diagnostic Wiring Diagram
On-Board Diagnostic Wiring Diagram
ON-BOARD DIAGNOSTIC WIRING DIAGRAM [MZR 2.3 DISI Turbo]
*1
Vehicles with advanced keyless entry and push button start system
*2
Vehicles without advanced keyless entry and push button start system