Curiosii for ever!: Car repair manuals for everyone.

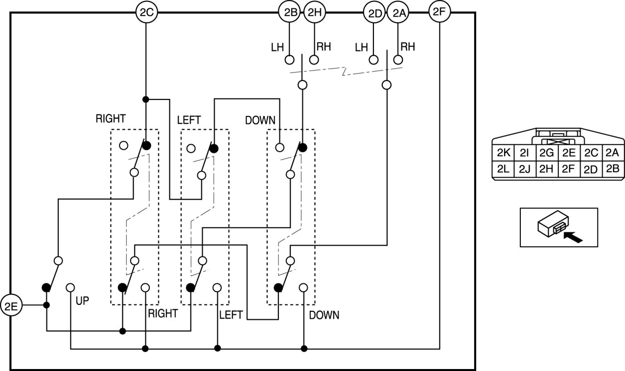
Power Mirror Switch: Testing and Inspection





POWER OUTER MIRROR SWITCH INSPECTION

1. Disconnect the negative battery cable. Removal and Replacement Removal and Replacement Removal and Replacement

2. Remove the following parts:
a. Inner garnish Inner Garnish Removal/Installation

b. Front door trim Front Door Trim Removal/Installation

c. Switch panel Overhaul

3. Verify that the continuity between the power outer mirror switch terminals is as indicated in the table.

- If not as indicated in the table, replace the power outer mirror switch.