Curiosii for ever!: Car repair manuals for everyone.

Determining Short To Ground Location (HS-CAN) [Multiplex Communication System]





DETERMINING SHORT TO GROUND LOCATION (HS-CAN) [MULTIPLEX COMMUNICATION SYSTEM]

CAUTION:
- Perform the following malfunction diagnosis only when it is diagnosed with a short to ground by Controller Area Network (CAN) Malfunction Diagnosis Flow [Multiplex Communication System].

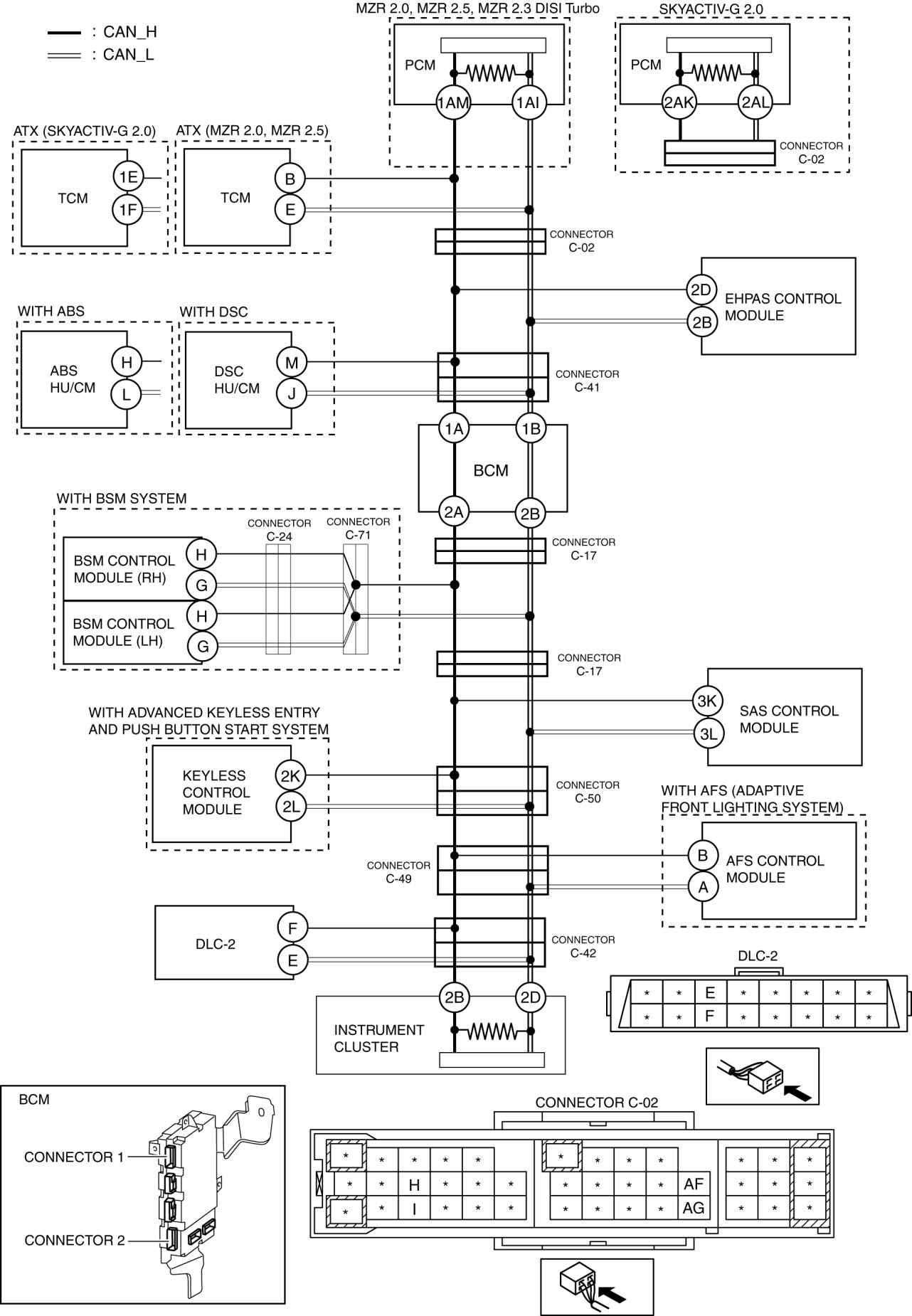
System wiring diagram





Determination procedure

CAUTION:
- When disconnecting the connector, verify that there is no looseness, damage, deformation, corrosion, or poor connection of the connector terminals.
- When inspecting the DLC-2, touch it with a paper clip or similar thin pin without directly inserting a tester into the terminals.