Curiosii for ever!: Car repair manuals for everyone.

Determining Open Circuit Location (HS-CAN) [Multiplex Communication System]





DETERMINING OPEN CIRCUIT LOCATION (HS-CAN) [MULTIPLEX COMMUNICATION SYSTEM]

CAUTION:
- Perform the following malfunction diagnosis only when it is diagnosed with an open circuit by Controller Area Network (CAN) Malfunction Diagnosis Flow [Multiplex Communication System].
- If the malfunctioning part is detected in the communication line, before disconnecting the related connector for inspection, press the connector in the connection direction to verify that there is no looseness or disconnection.
- When disconnecting the connector, verify that there is no damage, deformation, or corrosion of the connector terminals.

1. Verify the CAN system-related module DTCs and the failed module on the M-MDS screen.

2. Apply the communication error DTC and the failed module to DTC output pattern and malfunctioning part, and select the possible cause for the diagnostic result and the reference for the inspection item.
NOTE:
- The open circuit location can be determined by the DTCs indicated in DTC output pattern and malfunctioning part chart. DTCs not listed in the chart are not used for the determination of the open circuit location.

3. Inspect the possible cause and inspection item of the applicable malfunctioning part.

4. After repairing, return to Controller Area Network (CAN) Malfunction Diagnosis Flow [Multiplex Communication System] and verify that the repairs have been completed.

DTC output pattern and malfunctioning part
Cross (x): Communication error-related DTC and failed module









*1
ATX (MZR 2.0, MZR 2.5)
*2
ATX (SKYACTIV-G 2.0)
*3
With DSC
*4
With ABS
*5
With BSM system
*6
With advanced keyless entry and push button start system
*7
With AFS (adaptive front lighting system)

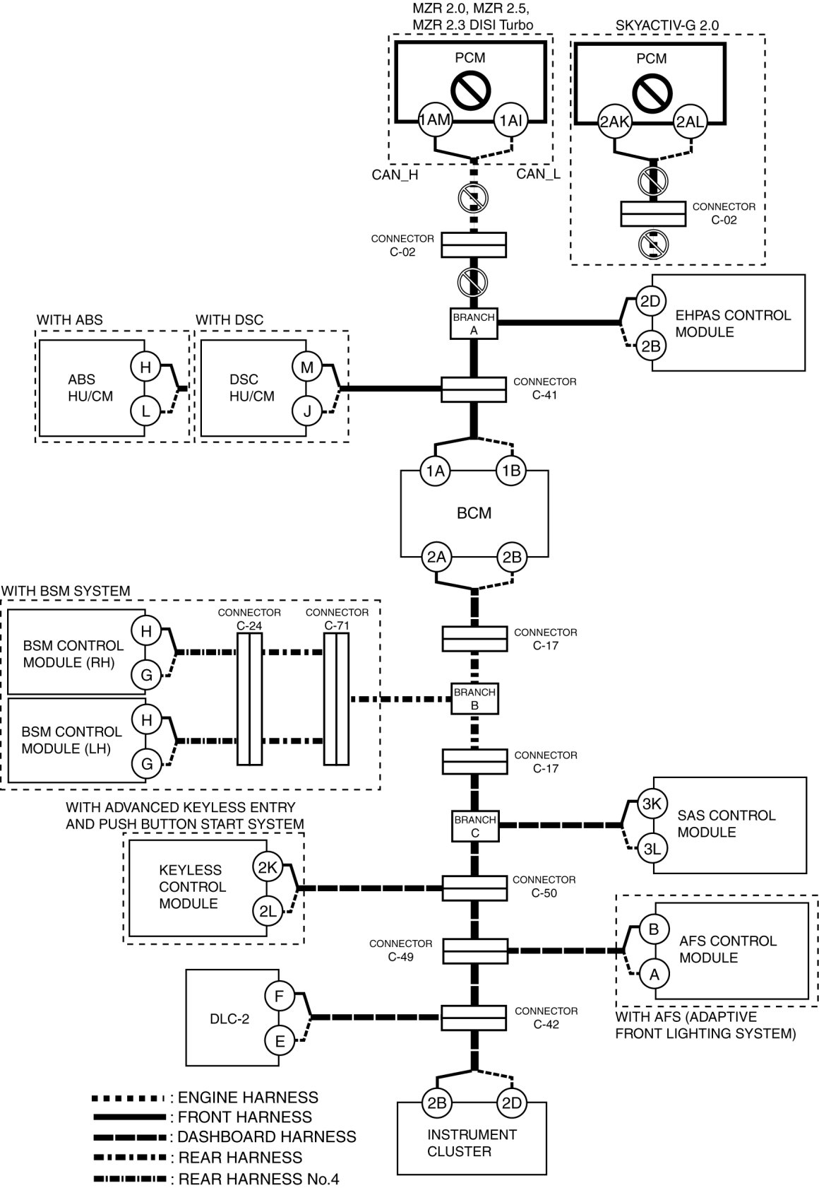
A

ATX

Possible cause
- Connector terminal disconnection, poor contact, damage, deformation, corrosion
- Open circuit in wiring harness between PCM and branch A (MZR 2.0, MZR 2.5, MZR 2.3 DISI Turbo)
- Open circuit in wiring harness between PCM and connector C-02 (SKYACTIV-G 2.0)
- Open circuit in wiring harness between connector C-02 and branch A (SKYACTIV-G 2.0)
- Connector C-02 malfunction (SKYACTIV-G 2.0)
- PCM malfunction

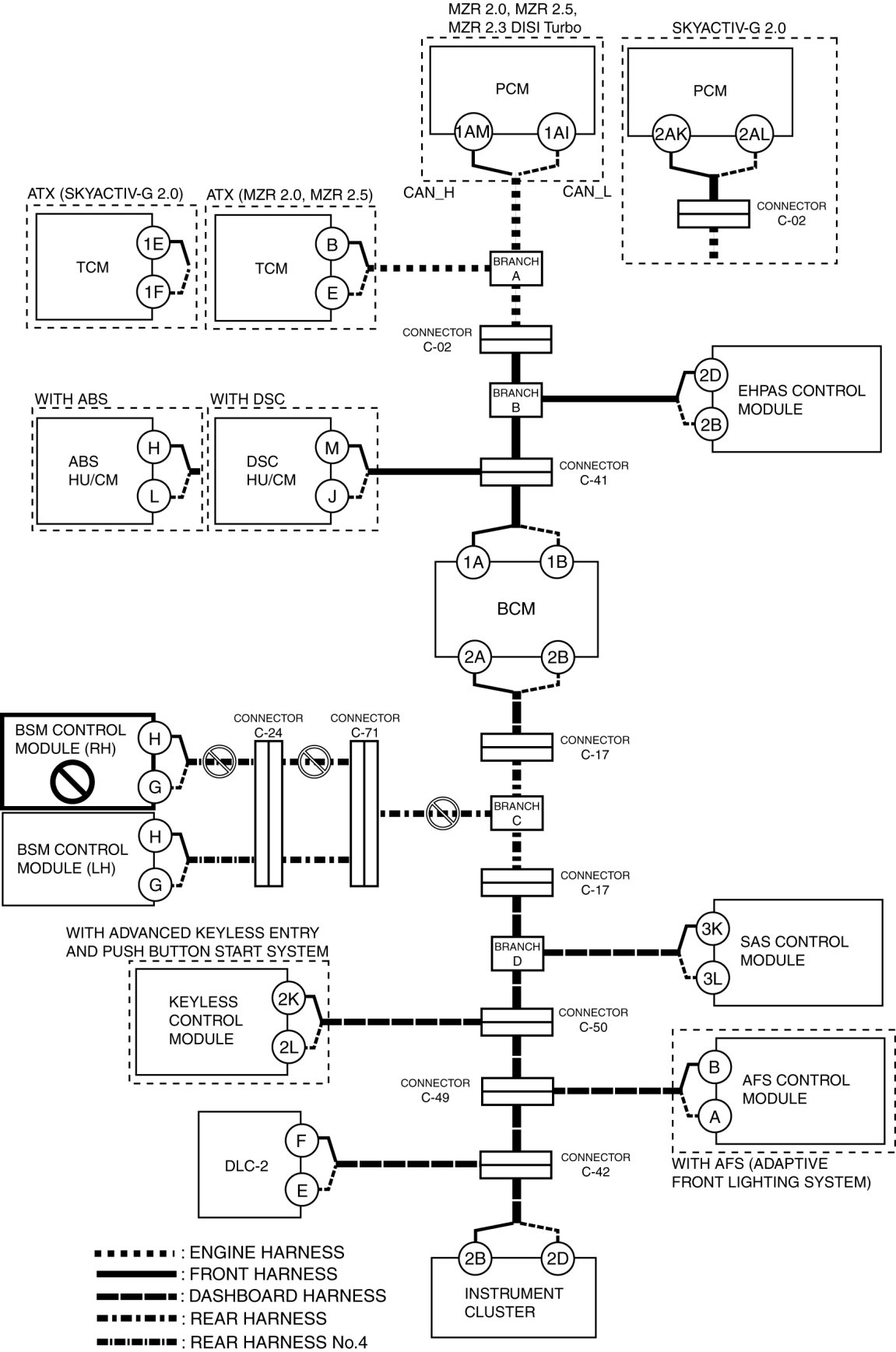
System wiring diagram






Inspection item
- PCM connector
- Wiring harness between PCM terminal 1AM and branch A (MZR 2.0, MZR 2.5, MZR 2.3 DISI Turbo)
- Wiring harness between PCM terminal 1AI and branch A (MZR 2.0, MZR 2.5, MZR 2.3 DISI Turbo)
- Wiring harness between PCM terminal 2AK and connector C-02 (SKYACTIV-G 2.0)
- Wiring harness between PCM terminal 2AL and connector C-02 (SKYACTIV-G 2.0)
- Wiring harness between connector C-02 and branch A (SKYACTIV-G 2.0)
- Connector C-02 (SKYACTIV-G 2.0)
- PCM

MTX

Possible cause
- Connector terminal disconnection, poor contact, damage, deformation, corrosion
- Open circuit in wiring harness between PCM and connector C-02
- Open circuit in wiring harness between connector C-02 and branch A
- Connector C-02 malfunction
- PCM malfunction

System wiring diagram






Inspection item
- PCM connector
- Connector C-02
- Wiring harness between PCM terminal 1AM and connector C-02 (MZR 2.0, MZR 2.5, MZR 2.3 DISI Turbo)
- Wiring harness between PCM terminal 1AI and connector C-02 (MZR 2.0, MZR 2.5, MZR 2.3 DISI Turbo)
- Wiring harness between PCM terminal 2AK and connector C-02 (SKYACTIV-G 2.0)
- Wiring harness between PCM terminal 2AL and connector C-02 (SKYACTIV-G 2.0)
- Wiring harness between connector C-02 and branch A
- Connector C-02
- PCM

B

Possible cause

- Connector terminal disconnection, poor contact, damage, deformation, corrosion
- Open circuit in wiring harness between TCM and branch A
- TCM malfunction

System wiring diagram





Inspection item

- TCM connector
- Wiring harness between TCM terminal B and branch A (MZR 2.0, MZR 2.5)
- Wiring harness between TCM terminal E and branch A (MZR 2.0, MZR 2.5)
- Wiring harness between TCM terminal 1E and branch A (SKYACTIV-G 2.0)
- Wiring harness between TCM terminal 1F and branch A (SKYACTIV-G 2.0)
- TCM

C

Possible cause

- Connector terminal disconnection, poor contact, damage, deformation, corrosion
- Open circuit in wiring harness between branch A and connector C-02
- Open circuit in wiring harness between connector C-02 and branch B
- Connector C-02 malfunction

System wiring diagram





Inspection item

- Connector C-02
- Wiring harness between branch A and connector C-02
- Wiring harness between connector C-02 and branch B

D

Possible cause

- Connector terminal disconnection, poor contact, damage, deformation, corrosion
- Open circuit in wiring harness between EHPAS control module and branch B
- EHPAS control module malfunction

System wiring diagram





Inspection item

- EHPAS control module connector
- Wiring harness between EHPAS control module terminal 2D and branch B
- Wiring harness between EHPAS control module terminal 2B and branch B
- EHPAS control module

E

Possible cause

- Connector terminal disconnection, poor contact, damage, deformation, corrosion
- Open circuit in wiring harness between branch B and connector C-41

System wiring diagram





Inspection item

- Wiring harness between branch B and connector C-41
- Connector C-41

F

Possible cause

- Connector terminal disconnection, poor contact, damage, deformation, corrosion
- Open circuit in wiring harness between DSC HU/CM and connector C-41
- Connector C-41 malfunction
- DSC HU/CM malfunction

System wiring diagram





Inspection item

- DSC HU/CM connector
- Wiring harness between DSC HU/CM terminal M and connector C-41
- Wiring harness between DSC HU/CM terminal J and connector C-41
- Connector C-41
- DSC HU/CM

G

Possible cause

- Connector terminal disconnection, poor contact, damage, deformation, corrosion
- Open circuit in wiring harness between ABS HU/CM and connector C-41
- Connector C-41 malfunction
- ABS HU/CM malfunction

System wiring diagram





Inspection item

- ABS HU/CM connector
- Wiring harness between ABS HU/CM terminal H and connector C-41
- Wiring harness between ABS HU/CM terminal L and connector C-41
- Connector C-41
- ABS HU/CM

H

Possible cause

- Connector terminal disconnection, poor contact, damage, deformation, corrosion
- Open circuit in wiring harness between connector C-41 and BCM
- BCM malfunction

System wiring diagram





Inspection item

- BCM connector
- Wiring harness between connector C-41 and BCM terminal 1A
- Wiring harness between connector C-41 and BCM terminal 1B
- BCM

- Between BCM terminals 1A and 2A
- Between BCM terminals 1B and 2B

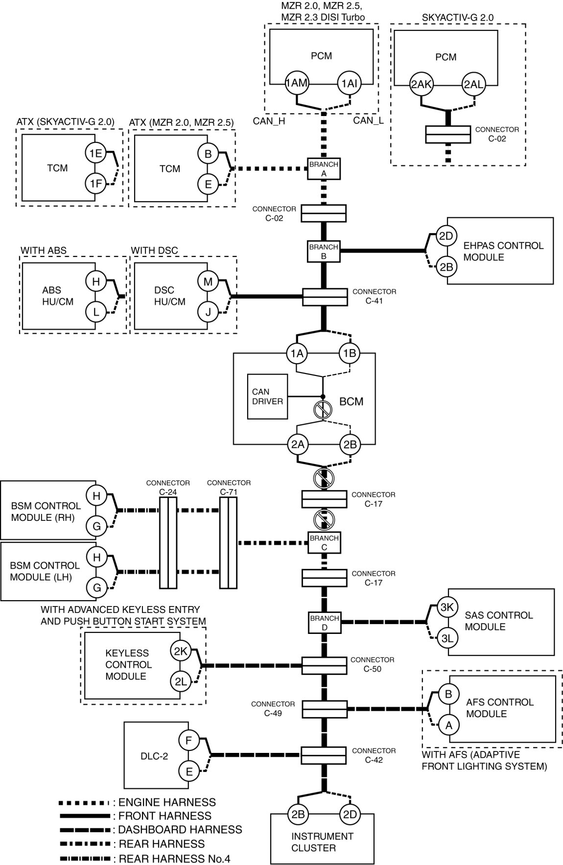
I

Possible cause

- Connector terminal disconnection, poor contact, damage, deformation, corrosion
- BCM malfunction

System wiring diagram





Inspection item

- BCM

J

With BSM system

Possible cause
- Connector terminal disconnection, poor contact, damage, deformation, corrosion
- Open circuit in wiring harness between BCM and connector C-17
- Open circuit in wiring harness between connector C-17 and branch C
- Connector C-17 malfunction
- BCM malfunction

System wiring diagram






Inspection item
- BCM connector
- Connector C-17
- Wiring harness between BCM terminal 2A and connector C-17
- Wiring harness between BCM terminal 2B and connector C-17
- Wiring harness between connector C-17 and branch C
- BCM

- Between BCM terminals 1A and 2A
- Between BCM terminals 1B and 2B

Without BSM system

Possible cause
- Connector terminal disconnection, poor contact, damage, deformation, corrosion
- Open circuit in wiring harness between BCM and connector C-17
- Connector C-17 malfunction
- BCM malfunction

System wiring diagram






Inspection item
- BCM connector
- Connector C-17
- Wiring harness between BCM terminal 2A and connector C-17
- Wiring harness between BCM terminal 2B and connector C-17
- BCM

- Between BCM terminals 1A and 2A
- Between BCM terminals 1B and 2B

K

Possible cause

- Connector terminal disconnection, poor contact, damage, deformation, corrosion
- Open circuit in wiring harness between BSM control module (RH) and connector C-24
- Open circuit in wiring harness between connector C-24 and connector C-71
- Open circuit in wiring harness between connector C-71 and branch C
- Connector C-24 malfunction
- Connector C-71 malfunction
- BSM control module (RH) malfunction

System wiring diagram





Inspection item

- BSM control module (RH) connector
- Connector C-24
- Connector C-71
- Wiring harness between BSM control module (RH) terminal H and connector C-24
- Wiring harness between BSM control module (RH) terminal G and connector C-24
- Wiring harness between connector C-24 and connector C-71
- Wiring harness between connector C-71 and branch C
- BSM control module (RH)

L

Possible cause

- Connector terminal disconnection, poor contact, damage, deformation, corrosion
- Open circuit in wiring harness between BSM control module (LH) and connector C-24
- Open circuit in wiring harness between connector C-24 and connector C-71
- Open circuit in wiring harness between connector C-71 and branch C
- Connector C-24 malfunction
- Connector C-71 malfunction
- BSM control module (LH) malfunction

System wiring diagram





Inspection item

- BSM control module (LH) connector
- Connector C-24
- Connector C-71
- Wiring harness between BSM control module (LH) terminal H and connector C-24
- Wiring harness between BSM control module (LH) terminal G and connector C-24
- Wiring harness between connector C-24 and connector C-71
- Wiring harness between connector C-71 and branch C
- BSM control module (LH)

M

Possible cause

- Connector terminal disconnection, poor contact, damage, deformation, corrosion
- Open circuit in wiring harness between branch C and connector C-17
- Open circuit in wiring harness between connector C-17 and branch D
- Connector C-17 malfunction

System wiring diagram





Inspection item

- Connector C-17
- Wiring harness between branch C and connector C-17
- Wiring harness between connector C-17 and branch D

N

Possible cause

- Connector terminal disconnection, poor contact, damage, deformation, corrosion
- Open circuit in wiring harness between SAS control module and branch D
- SAS control module malfunction

System wiring diagram





Inspection item

- SAS control module connector
- Wiring harness between SAS control module terminal 3K and branch D
- Wiring harness between SAS control module terminal 3L and branch D
- SAS control module

O

Possible cause

- Connector terminal disconnection, poor contact, damage, deformation, corrosion
- Open circuit in wiring harness between branch D and connector C-50
- Connector C-50 malfunction

System wiring diagram





Inspection item

- Connector C-50
- Wiring harness between branch D and connector C-50

P

Possible cause

- Connector terminal disconnection, poor contact, damage, deformation, corrosion
- Open circuit in wiring harness between keyless control module and connector C-50
- Connector C-50 malfunction
- Keyless control module malfunction

System wiring diagram





Inspection item

- Keyless control module connector
- Connector C-50
- Wiring harness between keyless control module terminal 2K and connector C-50
- Wiring harness between keyless control module terminal 2L and connector C-50
- Keyless control module

Q

Possible cause

- Connector terminal disconnection, poor contact, damage, deformation, corrosion
- Open circuit in wiring harness between connector C-50 and connector C-49
- Connector C-50 malfunction
- Connector C-49 malfunction

System wiring diagram





Inspection item

- Connector C-50
- Connector C-49

R

Possible cause

- Connector terminal disconnection, poor contact, damage, deformation, corrosion
- Open circuit in wiring harness between AFS control module and connector C-49
- Connector C-49 malfunction
- AFS control module malfunction

System wiring diagram





Inspection item

- AFS control module connector
- Connector C-49
- Wiring harness between AFS control module terminal B and connector C-49
- Wiring harness between AFS control module terminal A and connector C-49
- AFS control module

S

Possible cause

- Connector terminal disconnection, poor contact, damage, deformation, corrosion
- Open circuit in wiring harness between connector C-49 and connector C-42
- Connector C-49 malfunction
- Connector C-42 malfunction

System wiring diagram





Inspection item

- Connector C-49
- Connector C-42
- Wiring harness between connector C-49 and connector C-42

T

Possible cause

- Connector terminal disconnection, poor contact, damage, deformation, corrosion
- Open circuit in wiring harness between connector C-42 and instrument cluster
- connector C-42 malfunction
- Instrument cluster malfunction

System wiring diagram





Inspection item

- Instrument cluster connector
- Connector C-42
- Wiring harness between connector C-42 and instrument cluster terminal 2B
- Wiring harness between connector C-42 and instrument cluster terminal 2D
- Instrument cluster