Curiosii for ever!
: Car repair manuals for everyone.
Home
>>
Mazda
>>
2012
>>
MX-5 Miata L4-2.0L
>>
Repair and Diagnosis
>>
Powertrain Management
>>
Description and Operation
Powertrain Management: Description and Operation
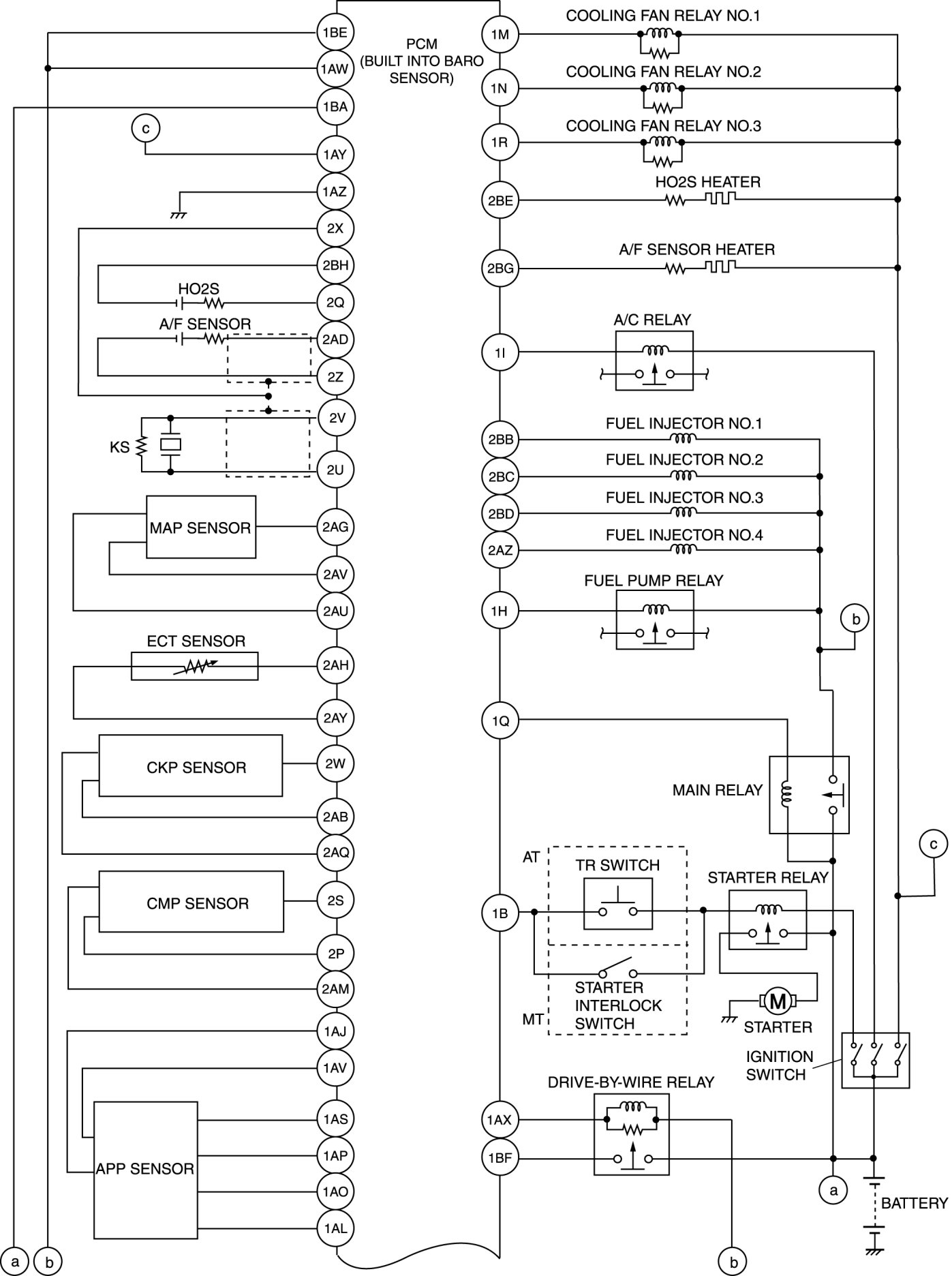
CONTROL SYSTEM WIRING DIAGRAM [LF]