Curiosii for ever!
: Car repair manuals for everyone.
Home
>>
Mazda
>>
2012
>>
MX-5 Miata L4-2.0L
>>
Repair and Diagnosis
>>
Heating and Air Conditioning
>>
Description and Operation
Heating and Air Conditioning: Description and Operation
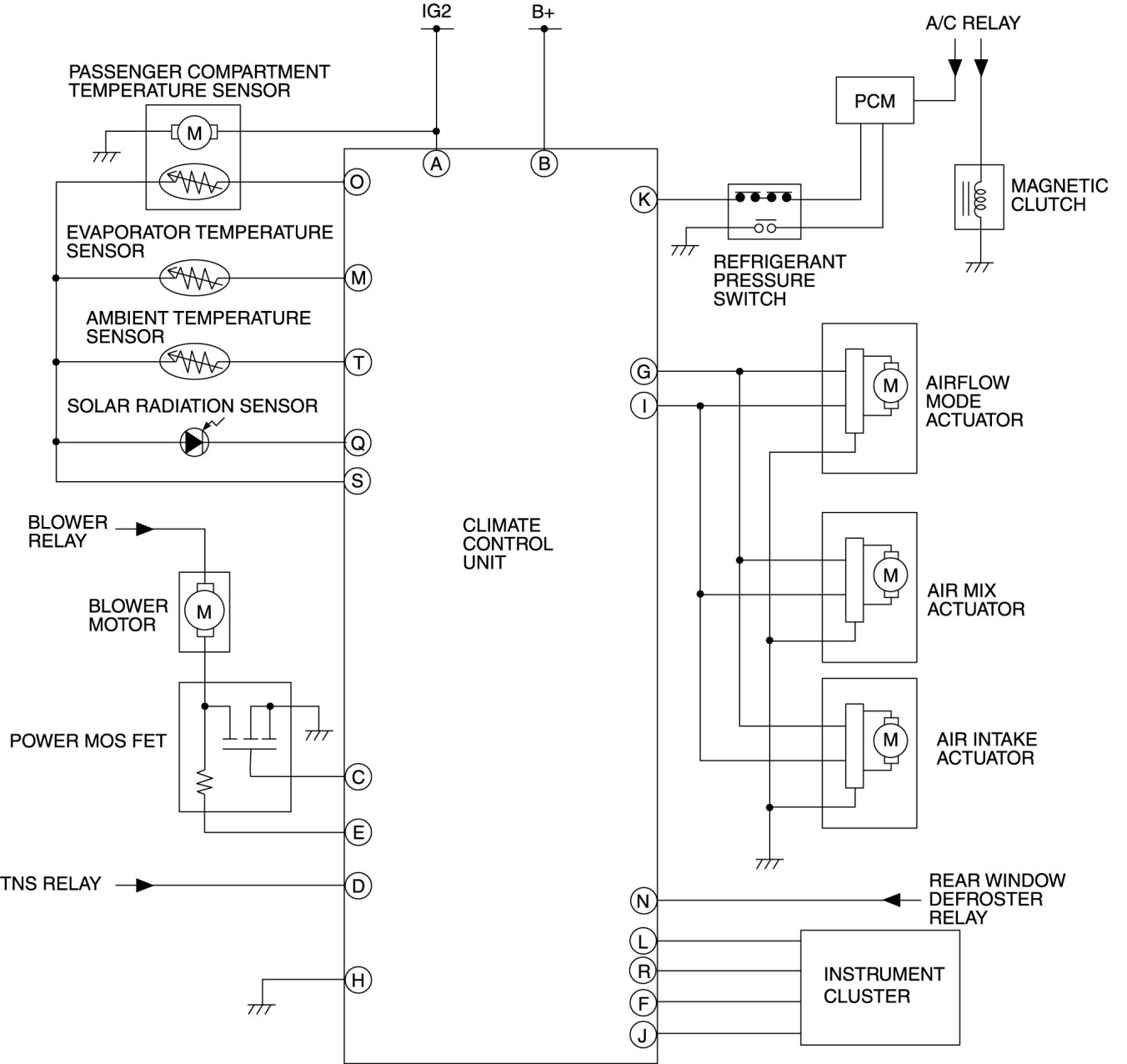
HVAC SYSTEM WIRING DIAGRAM