Curiosii for ever!
: Car repair manuals for everyone.
Home
>>
Mazda
>>
2012
>>
MX-5 Miata L4-2.0L
>>
Repair and Diagnosis
>>
Accessories and Optional Equipment
>>
Antitheft and Alarm Systems
>>
Keyless Entry
>>
Testing and Inspection
>>
Symptom Related Diagnostic Procedures
>>
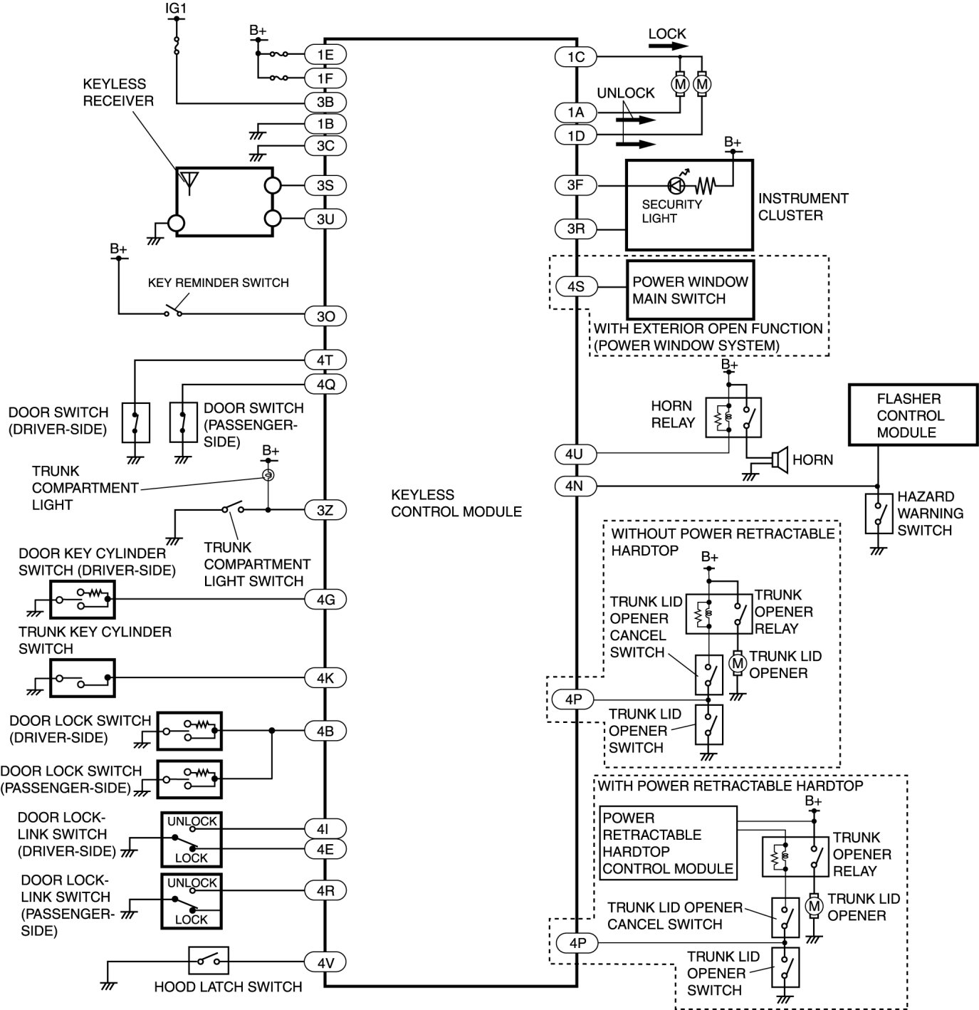
Keyless Entry System
>>
System Wiring Diagram
System Wiring Diagram
KEYLESS ENTRY SYSTEM WIRING DIAGRAM [KEYLESS ENTRY SYSTEM]