Curiosii for ever!
: Car repair manuals for everyone.
Home
>>
Mazda
>>
2012
>>
6 V6-3.7L
>>
Repair and Diagnosis
>>
Diagrams
>>
Electrical Diagrams
>>
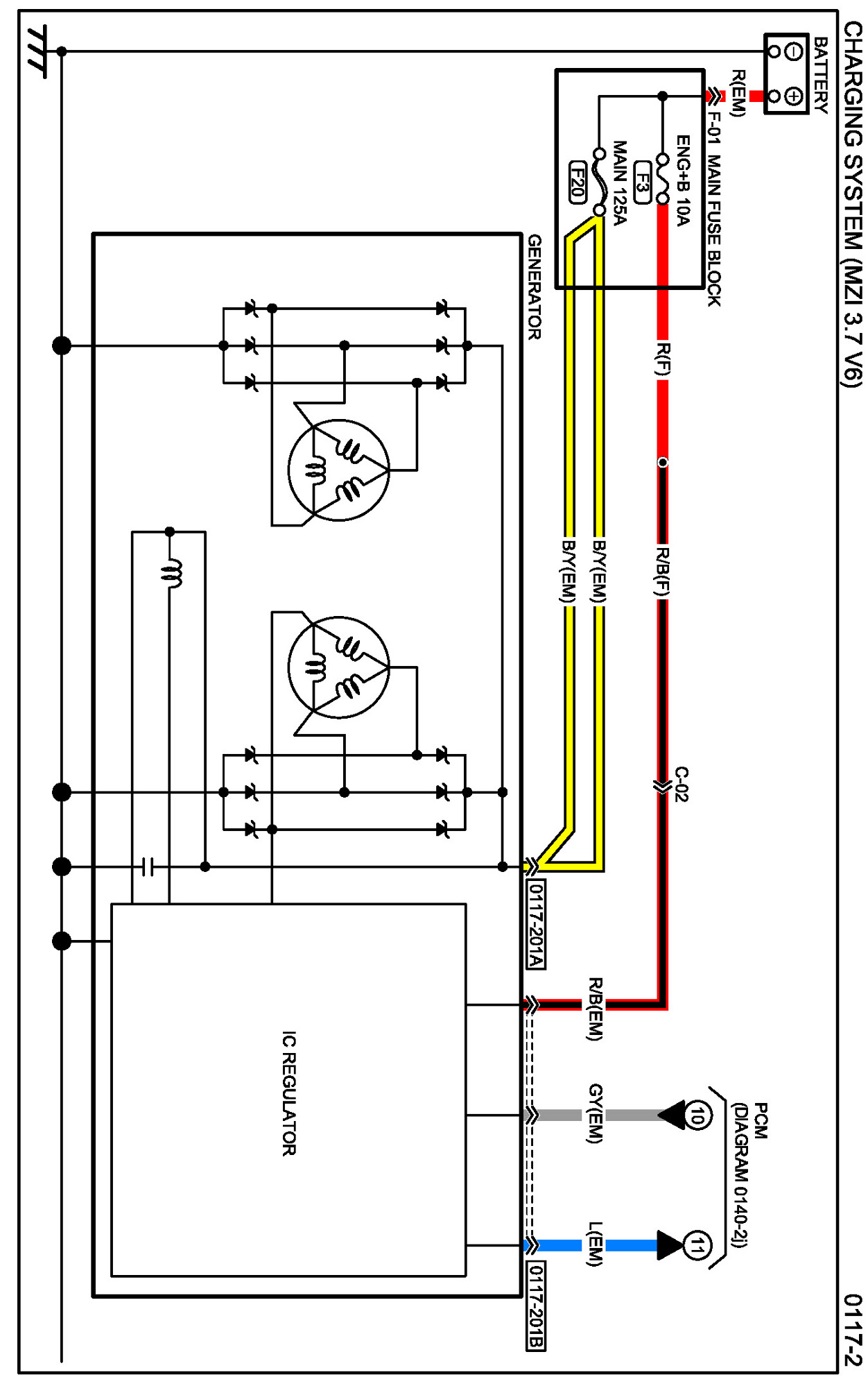
Charging System
Charging System
Diagram 0117-2:
Connectors 0117-2:
Routing View 0117-2:
Diagrams:
Other diagrams referred to by name within these diagrams can be found at
Diagrams by Diagram Name
.
Diagrams By Diagram Name