Curiosii for ever!
: Car repair manuals for everyone.
Home
>>
Mazda
>>
2012
>>
6 V6-3.7L
>>
Repair and Diagnosis
>>
Brakes and Traction Control
>>
Antilock Brakes / Traction Control Systems
>>
Testing and Inspection
>>
Scan Tool Testing and Procedures
>>
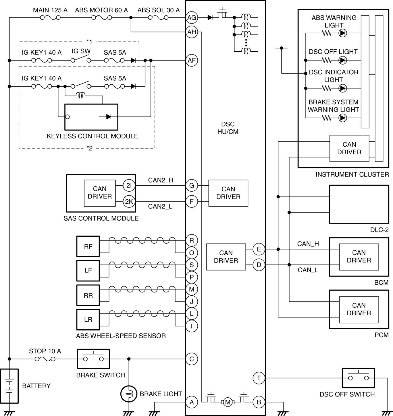
System Wiring Diagram
System Wiring Diagram
DYNAMIC STABILITY CONTROL SYSTEM WIRING DIAGRAM [DYNAMIC STABILITY CONTROL (DSC)]
*1
Vehicles without advanced keyless entry and push button start system
*2
Vehicles with advanced keyless entry and push button start system