Curiosii for ever!
: Car repair manuals for everyone.
Home
>>
Mazda
>>
2012
>>
6 L4-2.5L
>>
Repair and Diagnosis
>>
Powertrain Management
>>
Fuel Delivery and Air Induction
>>
Locations
>>
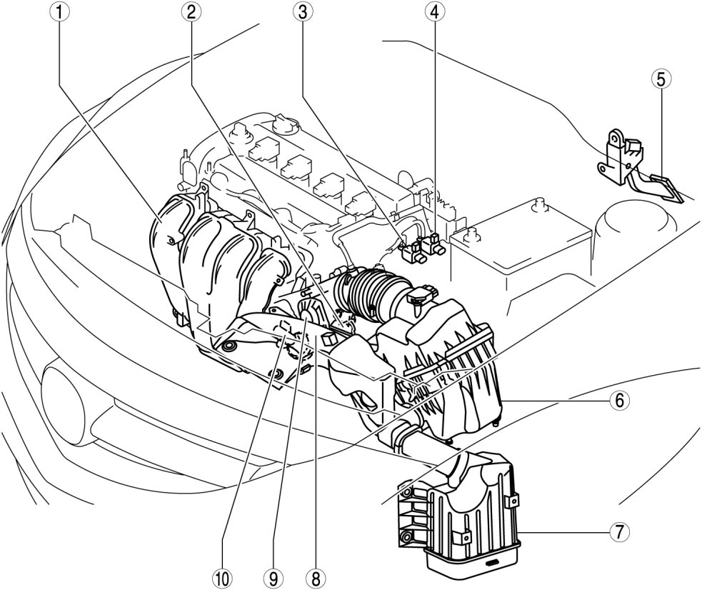
Intake-Air System Location Index
Intake-Air System Location Index
INTAKE-AIR SYSTEM LOCATION INDEX [MZR 2.5]