Curiosii for ever!
: Car repair manuals for everyone.
Home
>>
Mazda
>>
2012
>>
6 L4-2.5L
>>
Repair and Diagnosis
>>
Heating and Air Conditioning
>>
Testing and Inspection
>>
Scan Tool Testing and Procedures
>>
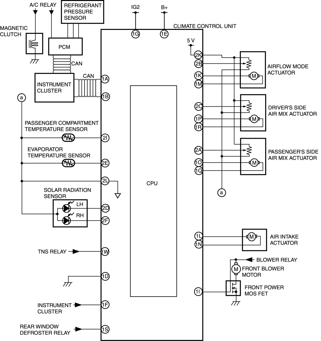
HVAC System Wiring Diagram
HVAC System Wiring Diagram
HVAC SYSTEM WIRING DIAGRAM